摘要:
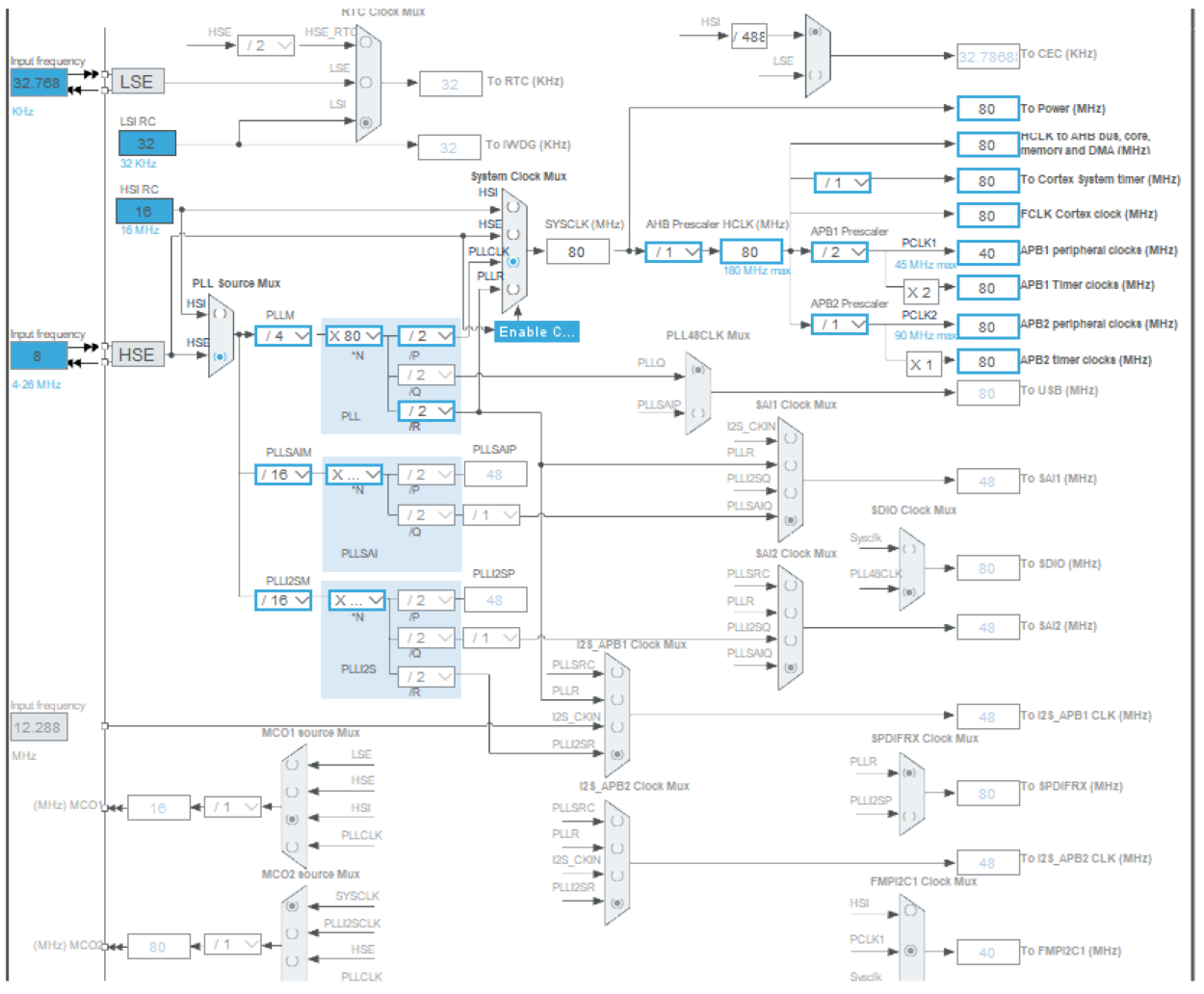
STM32时钟树 简要结构 HSI(高速内部时钟) 由内部RC振荡器产生,频率为8MHz,但不稳定。 通常用于启动MCU,但不建议作为计时器 HSE(高速外部时钟) 以外部晶振作时钟源,晶振频率可取范围为4~16MHz,我们一般采用8MHz的晶振 这个相对准确,可以用作计时器 LSE(低速外部时钟) 阅读全文
STM32时钟树 简要结构 HSI(高速内部时钟) 由内部RC振荡器产生,频率为8MHz,但不稳定。 通常用于启动MCU,但不建议作为计时器 HSE(高速外部时钟) 以外部晶振作时钟源,晶振频率可取范围为4~16MHz,我们一般采用8MHz的晶振 这个相对准确,可以用作计时器 LSE(低速外部时钟) 阅读全文
posted @ 2025-09-05 13:49
奶龙大王
阅读(62)
评论(0)
推荐(0)

DAC模块的简单应用 1、简介 数模转换电路(DAC)是电子信息学中将离散数字信号转换为连续模拟信号的电子器件,核心功能通过电阻阵列与开关结构切换生成对应电流或电压。根据输出形式可分为电压输出型与电流输出型,电压型内置放大器适用于高速场景,电流型需外接运算放大器进行转换;乘算型DAC可实现数字输入与
看门狗的简单应用 1、简介 IWDG(Independent Watchdog)是嵌入式系统中用于监控系统运行状态并防止异常的硬件设备,其核心是一个递减计数器,当计数器减至0时触发系统复位。 2、具体操作 (1)硬件初始化 使能串口,用来传输设备状态 使能RCC 配置时钟频率 配置IWDG 即 配置
PWM技术的简单应用 1、简介 脉冲宽度调变(Pulse Width Modulation,PWM),也成脉冲宽度调制,简称为脉宽调制,是一项功能强大的技术,它是一种对模拟信号电平进行数字化编码的方法。在脉宽调制中使用高分辨率计数器来产生方波,并且可以通过调整方波的占空比来对模拟信号电平进行编码。P
浙公网安备 33010602011771号