MBD笔记:放大器与滤波器模型设计
本文主要基于Simulink,从模型设计角度讲解放大器、滤波器.
OP放大器的模型设计
OP放大器(Operational Amplifier,运算放大器,简称运放):用于放大微小信号的基础单元. 电路图符号、实物图、引脚图:

OP放大器特点:具有很高的放大系数,在电路中结合反馈网络组成某种功能模块,其输出信号可以是输入信号的加减运算或微积分等数学运算的结果. 可由分立器件,如二极管、三极管、场效应管、晶闸管、IGBT等组成,也可在芯片中实现.
- 与Simulink> Gain模块区别
OP放大器符号类似于Gain模块,都能放大信号.
区别:Gain模块放大的是一个信号,OP放大器放大的是同相输入(V1)和反向输入(V2)的差(差动输入). OP放大器利用了反馈,而Gain模块没有.
- 输入、输出关系
设OP放大器的放大系数A,输出V0,那么:
A通常为\(1000~10^6\),用分贝符号表示60~120dB.
OP放大器、放大系数
OP放大器常采用负反馈,即将输出返回至反相输入端,如下图:

设反馈系数β,则OP放大器输出:
反馈系数β
反馈系数β=1
β=1 <=> 反馈电路直接将输出返回至输入
OP放大器其电压跟随作用. 电压跟随电路:

反馈系数β=0.5
∵\(1\ll A\)
∴\(1+βA≈A\)
∴电路输出输入比值为\(1/β (0<β<1)\)
通过电阻的比率设置反馈系数β
如下图,电阻R1,R2串联,反馈系数β:

当反馈系数β=0.5时,可得\(R_1=R_2\)
用Simscape设计OP放大器模型
Simscape是MathWorks公司推出的物理系统建模和仿真工具,基于MATLAB/Simulink 平台. 能通过物理网络方式构建模型,而不是传统数学方程或信号流,从而更直观模拟机械、电气等物体系统的行为.
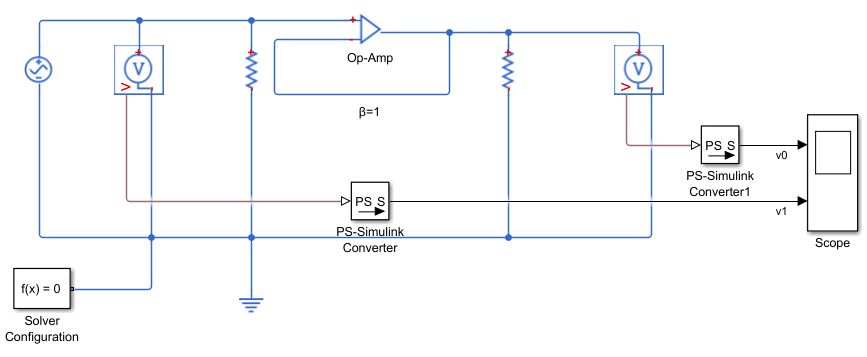
β=1的OP放大器模型
目的:验证β=1时,\(V_0,V_1\)是否符合电压跟随特性
Simulink模型文件名:Op001.slx
所用模块:

其中,
1)对于Simscape模型,通常必须包含Solver Configuration模块以启用局部求解器;
2)PS转换器模块 用于连接Simscape模块和Simulink模块,将物理信号转换Simulink输出信号,才能直连Simulink示波器或其他模块;
建模如下:

其中,停止时间设为为0.2(s);AC Voltage Source(交流电源)振幅12V,频率10Hz(1Hz=2π rad/s);2个电阻均设为100Ω;
仿真结果:

注:v0输出,v1输入
可看出输入电压、输出电压振幅±12V;因为交流电源频率10Hz且停止时间0.2s,所以运行波形运行了2个周期;β=1时放大系数为1,没有相位延时
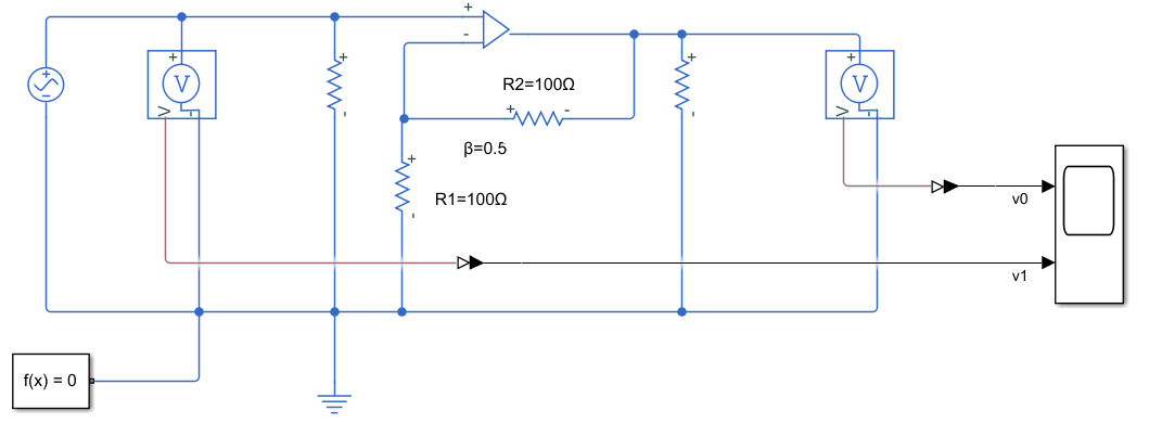
β=0.5的OP放大器模型
文件:Op002.slx
反馈回路上,\(R_1=R_2=100Ω\)时,\(β=\frac{R_1}{R_1+R_2}=0.5\)
建模如下:

β=0.5时,电路放大系数2
仿真结果:

输入电压(v1)幅值12V,输出电压(v0)幅值24V.
β=1/3的OP放大器模型
文件:Op002.slx
反馈回路上,\(R_1=100Ω,R_2=200Ω\)时,\(β=\frac{R_1}{R_1+R_2}=1/3\)
仿真截图略. 此时,输出电压(v0)幅值是输入电压幅值(v1)的3倍
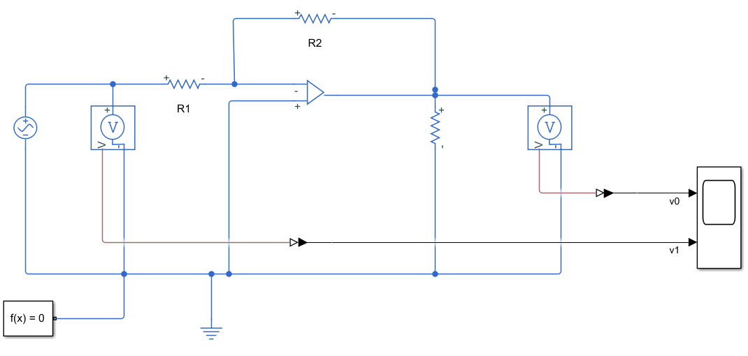
反相放大电路模型
反相放大电路原理如下图. OP放大器输入端极性与前面相反,同相输入端(+)接地.

其中,
- V1:输入电压;
- V0:输出电压;
- V1':输入差分电压
OP放大器内阻极大,反相输入端电流0(虚断),\(i_1\)不流入OP放大器
∴\(i_1=i_2\)
∴
此时,工作时OP放大器通信输入端(+)与反相输入端(-)的电位差为0(虚短). 通信输入端(-)接地时,有
\(V_1'=0\)
此时,放大倍数\(\frac{V_0}{V_1}=-\frac{R_2}{R_1}\)
仿真模型:
R1=100Ω,R2=200Ω,停止时间0.2s

仿真结果:

可以看到,输出电压(v0)振幅±24V,输入电压(v1)振幅±12V,振幅翻倍且相位相反. 由此确认反相放大电路功能.
增益和相位差
这部分讲OP放大器放大系数、相位差对应的幅频、相频特性.
增益 <=> 放大系数 <=> 分贝
频率特性、伯德图
向系统输入信号u(t),会得到输入信号y(t).
系统输入、输出关系:

这里的g(t)就是系统的传递函数:\(g(t)=y(t)/u(t)\)
如下图,比较输入、输出信号,可以分析系统特性:
- 增益 => 幅值变化:输出信号相对于输入信号的增减程度(<=> 放大系数 <=> 传递函数)
- 相位差:输出信号与输入信号在时间上的偏差

伯德图
当系统输入频率变化的信号时,对增益和相位变化特性的分析被称为频率特性分析. 描述这些特性的分析曲线图,被称为伯德图(Bode plot),如下图:

增益、分贝
在伯德图中,增益通常以分贝(decibel,dB)为单位. 分贝是一种对数尺度,用于量化电压、音压等物理量相对于基准值的大小.
使用分贝好处:可以将幅值乘法转换为加法,简化系统的频域分析、理解.
功率、电压、电流的分贝数
功率增益
设基准功率\(P_i\),目标功率\(P_o\),则功率增益(dB):
单位分贝(dB),“分”(deci,简写d)表示 1/10;“贝”(bel,简写B)是发明家贝尔名字,1B=10dB
电压增益
根据欧姆定律,
功率P:
将(10)代入(8),可得,
电压增益:
电流增益:
例如,前面反相放大电路一节示例中,\(\frac{V_0}{V_1}=-\frac{R_2}{R_1}=-2\). 那么,电压增益:
∴电压放大2倍 <=> 增益6.02dB
一些常见放大系数与增益对应关系:

频率、滤波器
电容、电感
电容、电感是滤波基本元件. 如下图,连接交流电压时,电感、电容的阻抗Z(Ω)随交流电压的频率变化而变化.

电感L的阻抗\(Z_L\)随着频率升高而增大:
电容C的阻抗\(Z_C\)随着频率升高而减小:
电感的阻抗
电路分析中,常设电流\(i(t)=Ie^{jωt}\)
由电感定义,感应电压\(v=L\frac{di}{dt}\)
∴
电容的阻抗
由电容定义,\(C=\frac{Q}{V}\)
由电流定义,\(I_C=\frac{dQ}{dt}=C\frac{dV_c}{dt}\)
∵电荷、电压随时间t变化
∴\(q(t)=Cv(t)\)
电容阻抗与频率成反比,证明:
∴
阻抗的模型设计
对电容、低昂那的阻抗进行模型设计,研究阻抗与频率的关系.
由于要分析频率特性,因此以频率为横轴,观察电容、电感的阻抗(纵轴).
- 电感L:30mH
- 电容C:500uF
- 频率f:1~1000Hz
涉及的频率有3种形式:
1)角频率:\(1 rad/s=1/2πHz\);
2)频率f:\(1Hz=1s^{-1}=2π rad/s\);
3)转速N:\(1 rpm=1r/min=1min^{-1}=1/60s^{-1}=1/60Hz\)
其中,\(ω=2πf (rad/s)\)
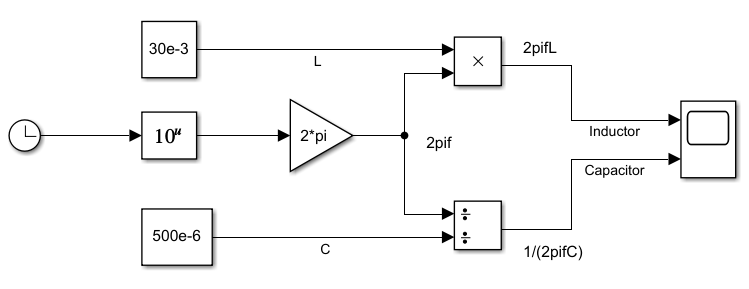
文件名:impedance.slx
所用模块:

仿真模型:

其中,
L:Constant参数为30e-3(30mH)
C:Constant参数为500e-6(500uF)
ω:Gain增益为2*pi(ω=2πf)
除法:Divide输入数为//
停止时间设为3s
仿真结果:

其中,横轴代表频率,可以表示频率f范围:1~1000Hz,如2,对应频率\(10^2=100Hz\)
可以看出,频率越高,电感的阻抗越高,电容的阻抗越低
滤波器种类
- 无源滤波器
又称LC滤波器,由电阻、电感、电容的无源元件组成. 这类滤波器不具备增益能力,即无法对信号进行放大. 将电感与电容串联形成低阻抗旁路,能对主要次谐波(如3次、5次、7次谐波)进行滤波.
常见无源滤波器:单调谐滤波器、双调谐滤波器、高通滤波器.
无源滤波器能有效滤除特定谐波成分,伯德图如下图:

无源滤波器的频率响应曲线通常不平坦,实际中常级联不同阶数的滤波电路来改善效果
- 有源滤波器
在无源滤波器基础上,添加了OP放大器等有源元件,其输出信号的增益可以远大于1.
有源滤波器的频率响应曲线较平坦,可调整放大系数实现不同的滤波特性. 结合OP放大器高输入阻抗和低输出阻抗的特点,可以有效避免负载引起的信号衰减,获得更高的通信质量.
伯德图如下:

无源滤波器的模型设计
需要用Simscope.
原理
使用电阻、电容搭建的无源低通滤波器电路,如下图:

幅频特性,如下图:

当截止频率\(f_C=100Hz\)时,频率<100Hz的信号可以通过,>100Hz的信号无法通过.
增益=0dB,表示输入对应输出的放大系数为1 => 无源滤波器没有信号放大功能,只有衰减功能.
输入电压\(V_0\)与输出电压\(V_1\)有分压关系,如下图(a). 电路中电阻R等效阻抗\(Z_R\),电容C等效阻抗\(Z_C\),如下图(b).
等效阻容电路:

电阻、电容串联,流过的电流i相等. 由欧姆定律,
放大系数G:
设输入电压\(V_0\)是频率的函数:\(V_0=Ve^{jωt}\)
因为电容阻抗不是固定值,而是取决于输入电压频率,所以放大系数G取决于输入电压频率:
增益是放大系数的绝对值,即\(|G(jω)|\),但包含虚数,如何求模?
对于复数\(Z=a+bi\),模长\(|Z|=\sqrt {a^2+b^2}\)
∴
可知,\(ω\)⬆,增益⬇;\(ω=0\)时,增益\(20log_{10}|G(jω)|=0\)
下面求截止频率\(ω_C\). \(ω_C\)为\(ω=0\)时增益(0dB)下降3dB对应的频率,设\(ω=ω_C\),则
∴
注意:增益-3dB,意味着功率减半,电压衰减为原来的\(1/\sqrt 2\).
再看相位θ,根据(20),放大系数G(jω)是一个复数,由实部、虚部组成.
如下图,对于复数\(z=a+bi\),有
对于\(G(jω)\),

模型设计
低通滤波器的设计方法:根据截止频率\(f_C\)确定R、C,再根据设计要求使用Simscape设计模型.
设计要求:
- 滤波器类别:无源低通滤波器
- 截止频率:\(f_C=100Hz\)
- 电源电压:AC幅值12V
- 电阻:R=100Ω
由(23),电容:
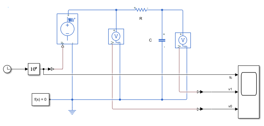
文件:passiveLow.slx
所用模块:

仿真模型:

其中,可编程电源AC voltage peak magnitude(电压幅值)设为12V,AC frquency configuration(频率配置)设为“External”;停止时间3s
注意:放大系数\(G(jω)\)是随\(ω\)变化的函数,不是t的函数. 滤波器\(RC\)控制了截止频率处放大系数的增益\(G(jω)\);图中Clock模块,用于产生变频电压信号,输入低通无源滤波器模型.
模型中,\(f(t)=10^t Hz, ω(t)=2πf(t) (rad/s)\).
∵停止时间3s
∴频率\(f(t)=1...10^3Hz\)
仿真结果:

横轴都是\(t(s)\),第1行曲线表示输入频率f(t)随时间变化;第2行、第3行表示输出电压V1波形、输入电压V0波形.
当t=2s时,\(f(t)=10^2=100Hz\),输出\(V_1(f=100Hz)\),输入\(V_0(f=100Hz)\)
从结果可知,截止频率\(f(2)=100Hz\)时(与前面幅频特性保持一致),输出电压V1 < 输入电压V0=12V
由(24),相位:
理论上,说明在截止频率\(f_C\)处,相位延迟π/4 rad (45°)
如何确认模型是否满足设计要求?
确认截止频率\(f_C\)处是否满足设计要求:
1)增益:-3dB
2)相位:延迟π/4 rad
使用Scope模块自带测量工具进行测量,类似于真实示波器的测量.
需要设置的关键步骤如下图:

步骤:
- 打开测量工具
有2种方式开启测量工具:
1)点击工具栏以下图标(需要matlab r2020b以上版本):

2)勾选菜单 工具> Measurements> Trace Selection, Cursor Measurements

-
选择要测量的曲线,选v0或v1(每次测量一个曲线)
-
调节竖线,位于要测量的点t=2s附近即可,对应频率\(f(t)=10^2Hz=100Hz\)即截止频率\(f_C\)
关键是要测量附近的极值点,获取电压幅值,从而求得增益
-
缩放x轴,缩小要查看的区间
-
读取测量点电压极值,即为电压曲线幅值
如下图,分别读取到输入v0极小值-11.9V,输出v1极小值-8.4V,时间差Δt=1.484ms.
∴增益:\(20*log10(-8.4/-11.9)=-3.0254dB\),满足设计要求-3dB.

接下来确认相位.
v0、v1取得极小值时间差Δt=1.484ms
设计要求(理论值):π/4 rad = π/4 / (2π) = 1/8周
理论相位差对应时间:\(1/8 * 1/f_C = 1/8 * 1/100 s = 1.25ms≈Δt\)
由于测量存在一定误差,所以可以认为满足相位要求
有源滤波器的模型设计
无源滤波器只能衰减不需要的频段,有源滤波器可以放大需要的频段.
设计要求
使用Simscape设计模型
- 滤波器类别:低通滤波器
- 截止频率:\(f_C=100Hz\)
- 增益:6dB
- 电源电压:AC 12V
电路设计
下面组合放大器、无源元件设计有源低通滤波器的模型
放大功能采用反相放大电路模型小节中的反相放大电路. 反向放大电路的放大系数取决于模型中R1、R2的比值:
由(7),
设计要求增益6dB:
其中,x代表放大系数,即\(|V_0/V_1|\)
设R2=200Ω,则R1=100Ω
电容:\(f=\frac{1}{2πRC}\implies C=\frac{1}{2πfR}=\frac{1}{2π*100*200}=8*10^{-6}F\)
模型设计
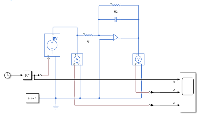
文件名:activeLow.slx
R1:100Ω;R2:200Ω;C:8μF;
停止时间3s(频率100Hz,对应时间点t=2s)
在无源滤波器模型基础上,添加:

仿真模型:

频率\(10Hz\)时,周期0.1s,电压从V1=12V放大到V0=23.8V,
增益:\(20*log10(23.8/11.9)=6.0206 dB\)
相位滞后:实测\(Δt=57.929ms\),约\(Δt/T=57.929ms/0.1s=0.57929\)个周期

在截止频率\(f_C=100Hz\)处,周期0.01s,电压从V1=12V反相放大到V0=-17.0V,
增益:\(-20*log10(17.0/12)=-3.0254 dB\)(负号表示反相),
相位差\(θ\)理论值:
即相位滞后\(1/8\)圆周,即\(0.01*1/8s=1.25ms\)
注意:因为滞后1/8圆周,所以我们考察V1幅值延时约1/8圆周位置
实测值(见下图Δt)为1.251ms,符合要求

参考
[1] 武超. MBD入门: 无刷电机控制代码生成. 科学出版社. 2025.1
[2] 电路基础:电感
[3] 电路基础:电容器

浙公网安备 33010602011771号