开关电源多路输出电源的电路结构设计
几乎市面上所有的嵌入式系统都会用到多路输出电源,包括常见的多路输出线性电源和多路输出开关电源。
比如冰箱系统中,制冰需要25VDC供电,主控MCU需要3.3VDC或5VDC供电,显示背光板需要恒流的30VDC供电;电视机系统中,逻辑电路需要5VDC供电,逆变/调谐电路需要±12VDC供电,音频需要24VDC供电,显示背光板需要恒流的60VDC供电。
有时候,我们在生活中看到电源系统是单路输出的,比如我们的手机充电器只输出5VDC,但事实上我们的手机内部集成了PMIC,它会做到二次分配,将单路的DC电源二次变换成多路输出电源,包括4VDC、3.5VDC、3.1VDC、1.7VDC等。
换言之,当前市场上传统的多路输出电源多采用的是“单路输出反激式电源+多个降压/升压变换器”的方案,这种二次变换的电源通常效率不佳,且成本较高。而如果我们采用单级多路输出,虽然成本和效率方面更占优势,但是在空载功耗或输出精度方面又有所欠缺。所以在传统的多路输出电源设计过程中,工程师们总要根据实际需求来权衡效率、空载功耗和输出精度这三大挑战。

图 | 传统的多输出电源所面临的挑战
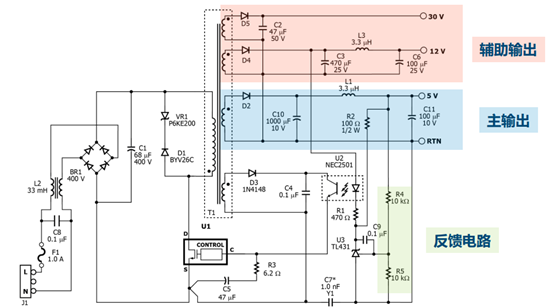
举个例子,如下图所示,传统多路输出反激式开关电源往往仅对主输出进行稳压调节,从图中可以看到主输出是有反馈调节电路的,但是辅助输出是没有的。

图 | 多路输出电源的电路结构
所以,在传统多路输出反激式开关电源方案中,虽然很容易添加辅助输出,但是这些辅助输出是不受控的,一旦不受控就会给输出电压带来一些问题,包括负载的变化、输入电压的变化、其他路输出负载的变化、产线误差和温度的变化、变压器一致性问题等,都会带来该路辅助输出电压的变化,如轻负载时输出电压会急剧增加等。综合以上因素,辅助输出电源通道的电压变化甚至会达到20%以上。

图 | 传统多路输出反激式开关电源输出电压随输出负载变化的跟随情况,来源:Power Integrations
当然,我们也可以给辅助输出也增加“加权反馈”,来改善其稳压精度,但对于轻负载的情况还是会存在电压漂高的问题,通常可以采用增加假负载来调节,不过增加了假负载后,待机功耗又会上来,因此是选择稳压精度还是待机功耗,二者不可兼得。



面对这种情况,PI(Power Integrations)公司今日推出了InnoMux-2™系列单级独立稳压的多路输出离线式电源IC。
InnoMux-2 IC将初级AC-DC和后级DC-DC变换级整合到单个芯片中,可提供多达三个独立稳压输出,主要应用领域包括:白色家电、工业系统、显示器以及其他需要多组供电电压的应用场景,如:电视机、显示器、家电、网络设备、智能家居和楼宇自动化、LED应急照明以及工业电源。

图 | 每个开关周期中的能量根据需要在输出之间进行分配,
PI资深技术培训经理Jason Yan表示:“相较于传统的两级架构,InnoMux-2无需使用单独的DC-DC变换级,所以可以减少元件数目的使用,减小PCB占板尺寸,并将效率提高多达10%。”
此外,InnoMux-2还采用了750V PowiGaN™氮化镓开关管、零电压开关(无需有源钳位)和同步整流技术,这些都有助于效率的进一步提高。
在带载能力方面,InnoMux-2可提供高达90W的输出功率,并且在整个输入电压、负载范围、温度及负载电流跳变的条件下满足优于±3%的调整精度。电源系统的总效率(从交流到稳压的低压直流输出段)可超过90%。

图 | InnoMux-2采用脉冲共享引导能量提供精确的输出控制
同时,InnoMux-2控制器还能管理轻载下的功率输出,无需使用假负载电阻,可将空载功耗降至30mW以下。而欧洲用电产品(EuP)指令规定的待机功耗标准为低于300mW,这就为某些需要执行必要功能的应用场景提供了更多的可用待机功率。
在封装方面,InnoMux-2采用了Power Integrations高效散热的InSOP™24和InSOP™28封装,可通过PCB进行散热,因此无需散热片。
在多路输出方面,InnoMux-2输出选项包括:双路输出和三路输出恒压(CV)型号,或者其中一路输出可专用于提供恒流(CC)驱动,适合为显示器中的LED背光供电或为内置电池提供快速充电。

图 | InnoMux-2方案支持各种输出组合
在供货方面,根据PI提供的消息,InnoMux-2系列已开始供货,其中InnoMux-2 IMX2174F器件基于50,000片的订货量单价为每片1.11美元。

图 | InnoMux-2型号,

浙公网安备 33010602011771号