使用BL0937 IC进行交流电源监控
一个简单的电路来监测交流电源,接线板可以插在任何地方,显示电压,电流和功率。

交流电源监控是当今物联网相关应用中的一个惊人功能,例如智能风扇,开关和板。一些优秀的公司董事会在他们的产品中实施了这项技术,并持续监控供应的输出功率。在本地设备层面监控电源有其自身的优势,就像现在我们有数据,如果电流增加,出现问题,它可以关闭整个系统,可以避免设备燃烧。此外,物联网中的电源监控使用基于ASIC的设计,我自己有一个让我们探索工作。本文由PCBWAY赞助,他们提供从制造pcb到CNC的完整验证原型解决方案。PCBWAY是受欢迎的,因为它的可靠的服务在电子行业的时间。

BL0937和电源监控:
上海百灵BL0937B集成电路是一款适用于智能家电单相插座的大范围单相多功能电能表集成电路,具有低成本、高精度等特点。BL0937B集成了两个高精度Sigma-Delta ADC、电压基准、电源管理等模拟电路模块,以及数字信号处理电路,用于计算有功功率、IRMS、VRMS等。

特点:
•高精度,在2500:1动态范围内误差小于±0.5%
•大信号稳定性高,在信号300mA的情况下,输出频率波动误差小于±0.2% (CF)。
•小信号稳定性高,在信号50mA的情况下,输出频率波动误差小于±0.3% (CF)。
•电流和电压均方根值,电流测量范围(8mA ~ 30A) @ 1mohm
•片上抗蠕变保护
•片上电源检测器
•片上基准电压1.1V(典型)
•片上振荡器作为时钟源
•单次3.3V电源,低功率(典型8mw)
测量电压、电流和功率:
集成电路有一个输入控制引脚,命名为SEL(选择),两个输出引脚(CF和CF1)。
高频CF1用于指示IRMS/VRMS,高频CF用于能源计量。BL0937B可测量单相有功能量、有功功率、电流电压均方根值等参数,充分满足插座、插线板、智能家电等的需求。相关的专利正在申请中。

IP和IN:这些输入是全差分电压输入,最大信号范围为±50 mV。由于内置ESD保护电路,即使电压超过±1.5V也不会严重损坏IC。
VP:电压通道正输入。电压输入为差分电压输入,最大信号范围为±200mv。由于内置ESD保护电路,即使电压超过±1.5V也不会严重损坏IC。
CF:高频脉冲输出,用于有功电源,脉宽固定为38uS;频率与有功功率值成正比。过流指示引脚;如果发生过流,引脚输出6.78KHz脉冲。

CF1:当SEL=0时,输出为电流有效值,脉宽固定为38uS,频率与电流有效值成正比。当SEL=1时,输出为电压均方根值,脉宽固定为38uS,频率与电压均方根值成正比。

BL0937B测量电流通道和电压通道上的两个电压信号,然后计算实际功率信息。然后将实际功率信息转换为频率。频率信息以有源高脉冲的形式输出在CF上。同时计算电流有效值和电压有效值并转换成频率,以有源高脉冲的形式输出到CF1上。
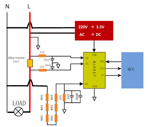
线路图:

典型应用BL0937B典型应用框图如下所示。单3.3V电源。电流信号通过连接到BL0937B的IP和IN引脚的合金电阻进行采样。电压信号通过连接到BL0937B的VP引脚的电阻分频网络进行采样。CF、CF1、SEL直接接入MCU引脚。测量CF/CF1脉冲周期,计算功率、电流有效值和电压有效值。SEL引脚应该使用10K电阻拉高或拉低。如果打开,输出将是不确定的。

我用一些板载保护功能修改了电路,使其可以与任何微控制器一起使用。这里是修改的原理图给出,它是充分测试和工作。中国的能源监测ic没有适当的电路是不能工作的,如果有任何问题,它将永久停止工作。并为使交流部分远离板上微控制器提供隔离。
Arduino代码:

PCB设计:

PCB的设计保持了设备的电源考虑,它是一种插头板,可以在任何地方使用,像分线板一样监控电源。PCB由两个用于输入和输出的螺旋端子,一个负责电压和电流计算的分流电阻组成。根据布局设计规则,一些电容器和电阻组合放置在IC附近。为了从微控制器单元隔离交流部分,使用光耦合器。本设计采用EasyEDA软件进行设计,采用PCBWAY软件进行制作。

测试和工作:

我通过连接外部微控制器和16x2 LCD屏幕测试了电路,接口电路如下所示。这里使用了一个简单的中断程序并与Arduino UNO配对。该电路可以修改为在ESP32和ESP8266上工作,以便在web服务器上获取数据。我们必须调整变量值来校准电路板。根据IC批次和微控制器定时器的不同,这些值可能在您的情况下有所不同。我用60W和100W的电源测试了它,得到了90%的准确功率读数。


浙公网安备 33010602011771号