DCDC高端NMOS如何实现自举?vGS对沟道的控制作用了解吗
一、vGS对iD及沟道的控制作用
① vGS=0 的情况
增强型MOS管的漏极d和源极s之间有两个背靠背的PN结。当栅——源电压vGS=0时,即使加上漏——源电压vDS,而且不论vDS的极性如何,总有一个PN结处于反偏状态,漏——源极间没有导电沟道,所以这时漏极电流iD≈0。
② vGS>0 的情况
若vGS>0,则栅极和衬底之间的SiO2绝缘层中便产生一个电场。电场方向垂直于半导体表面的由栅极指向衬底的电场。这个电场能排斥空穴而吸引电子。
排斥空穴:使栅极附*的P型衬底中的空穴被排斥,剩下不能移动的受主离子(负离子),形成耗尽层。吸引电子:将 P型衬底中的电子(少子)被吸引到衬底表面。
二、DCDC高端NMOS的自举秘诀
NMOS管的主回路电流方向为D极到S极,导通条件为VGS有一定的压差,即VG-VS>VTH;PMOS管的主回路电流方向为S极到G极,导通条件为VSG有一定的压差,即VS-VG>VTH。
故一般把NMOS作为下管,S极接地,只要给G极一定电压即可控制其导通关断;把PMOS作为上管,S极接V IN ,G极给个低电压即可导通。当然NMOS管也可作为上管,但需要增加自举驱动电路。
对于一些拓扑,比如Buck、Boost、Buck-Boost这些用NMOS作为上管的拓扑,就没办法直接用刚才说的只给G极一个电*来驱动。假如此时D极接V IN ,S极的电压不定,NMOS管截止时为低电*,导通时接*高电*V IN ,需要板子上给G极一个更高的电压,但此时板子已无比VIN更高的电*了,那么就可以采用自举驱动电路。

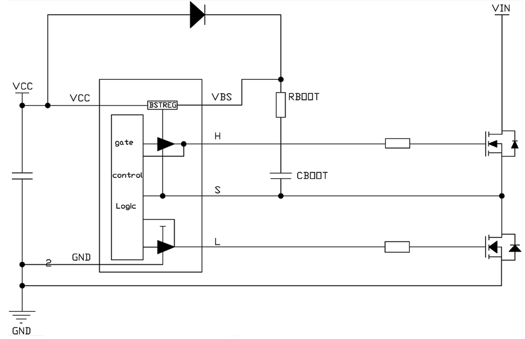
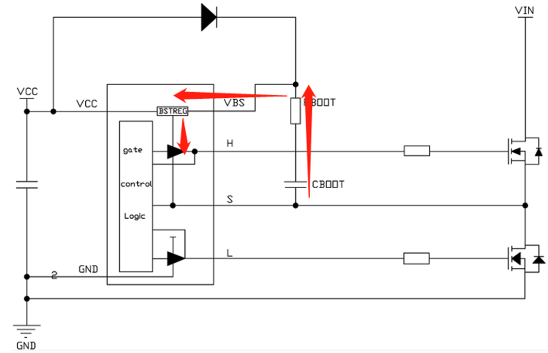
如图为用于驱动上MOS管的电容自举驱动电路。该自举电容通过二极管接到VCC端,下接上MOS管的S极。当驱动电路驱动下MOS管导通时,VCC通过二极管、RBOOT、下MOS管,对CBOOT充电。
充电时间为下MOS管的导通时间,我们定为Toff(上MOS管);当下管关断后,驱动电路导通上MOS管,CBOOT的下端电压变为V IN ,由于电容两端电压不能突变,所以CBOOT上的电压自然就被举了起来。这样驱动电压才能高过输入电压,就能保持上管持续导通,此时VBOOT的电压通过RBOOT和内部电路放电,放电时间为Ton(上MOS管)。

自举电容充电过程如图:
下MOS管导通时开始充电,充电电压对时间的关系如公式一所示:
Vcboot_max = V0 + VCC x [1–exp (-Toff/RC)];
充电电流对时间的关系如公式二所示:
I = CdU/dT = C x △Vcboot/Toff。

接下来看一下其放电过程:上MOS管导通时开始放电,放电电压对时间的关系如公式三所示:
Vcboot_min = exp [ -Ton/ (Rtotal x C) ] x Vcboot_max
放电电流对时间的关系如公式四所示:
I = CdU/dT = C x △Vcboot/Ton
至此我们已经掌握自举驱动电路的“窍门”。

浙公网安备 33010602011771号