DAC0832的扩展方式有哪些?
单片机是一种数字器件,只能处理数字量,在工业生产和日常生活中,常用于电流、电压、温度、湿度和压力等信号的监测或处理。而这些信号都是连续变化的模拟量,被单片机处理之前必须转成数字量,而单片机处理后得到的数字量也要根据需要转换为对应的模拟量。
模拟量到数字量的转换被称为模-数转换,或简称A-D转换(Analog to Digital Convertion),实现A-D转换的电路被称为A-D转换器,简称为ADC(Analog to Digital Converter)。类似地,数字量到模拟量的转换被称为数-模转换,或简称D-A转换(Digital to Analog Convertion),实现D-A转换的电路被称为D-A转换器,简称为DAC(Digital to Analog Converter)。
图5-41为一个典型单片机应用系统的结构框图,其中:①传感器可将温度、湿度和压力等非电信号转换成电信号;②信号调理环节对信号进行放大和滤波等处理;③功率放大环节将D-A转换后的信号进行功率放大,以满足执行机构对驱动能力的要求;④显示器和键盘属于人机交互环节,可向用户反馈系统工作状态信息或接收用户的指令;⑤开关量控制的执行机构(如继电器等)可以被单片机的数字量控制。

图5-41单片机应用系统结构框图
DAC0832内部的8位输入寄存器和8位DAC寄存器可以分别进行锁存,使得DAC0832的使用更加灵活,具有三种扩展方式,即直通方式、单缓冲方式和双缓冲方式。
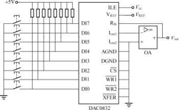
(1)直通方式
直通方式的电路原理图如图5-44所示。该方式下,DAC0832内部的ILE1和ILE2同时为高电平,DAC0832 DI7~DI0引脚上的数据可以直接到达8位D-A转换器的输入端,并被转换。在这种方式下,D-A转换不受单片机的控制,常用于不带单片机等控制器的应用系统。

图5-44 DAC0832直通方式的电路原理图
(2)单缓冲方式
单缓冲方式是指DAC0832内部的8位输入寄存器和8位DAC寄存器中的一个工作于直通方式,另一个工作于受控方式。这里所说的直通方式是指:ILE1或ILE2为高电平,使得对应寄存器的输出数据随着输入数据的变化而变化;而受控方式是指:ILE1或ILE2为低电平,使得对应的寄存器不接收新数据,仅当需要接收新数据时,才使ILE1或ILE2为高电平。
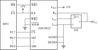
图5-45为DAC0832单缓冲方式单极性输出的原理图,这里所谓的单极性是指其输出电压的极性始终与参考电压的极性相反。
下面以图5-45为例,介绍单缓冲方式的工作原理。
由T形电阻网络DAC的工作原理可知,若假设单片机通过DI7~DI0引脚送给
DAC0832的数字量是D,则Vout=−D×VREF/256。
在图5-45中,由于WR2和XFER均为低电平,所以8位DAC寄存器处于直通方式;而CS和WR1引脚分别与8051单片机的P2.7和WR引脚相连,使得单片机可以通过指令控制8位输入寄存器。
与访问并行I/O接口8255A相同,单片机可以通过指令“MOVX@DPTR,A”和“MOVX@Ri,A”访问和控制DAC0832。由图5-13所示时序图可知,这两条指令执行
时,WR引脚的低电平将与数据总线P0上的数据同时出现,此时只要使地址总线的P2.7引脚为低电平,即可使DAC0832的8位输入寄存器接收数据。因此,图5-45中DAC0832的地址可以是7FFFH,确定地址的方法在简单I/O扩展部分已经提到过,此处不再赘述。另外,因为地址的低8位不影响DAC0832的工作,所以图5-45中没有用于低8位地址锁存的锁存器。

图5-45 DAC0832单缓冲方式的单极性输出电路原理图
(3)双缓冲方式
双缓冲方式是指DAC0832内部的8位输入寄存器和8位DAC寄存器均工作于受控方式。在大部分时间中,ILE1或ILE2为低电平,仅当需要接收新数据时,才被单片机通过指令设置为高电平。如此可以控制多个不同的DAC0832同时完成D-A转换,输出达到同步。
图5-48为DAC0832双缓冲方式单极性输出的原理图,其中,3片DAC0832的8位DAC寄存器均由单片机的P2.7和WR引脚控制,而它们的8位输入寄存器则由单片机的WR引脚和其他不同的引脚控制,即:1号P2.6引脚、2号P2.5引脚和3号P2.4引脚。因此,双缓冲方式下,每个DAC0832都有两个地址,一个是8位DAC寄存器的地址,另一个是8位输入寄存器的地址。在图5-48中,3个DAC0832的8位输入寄存器地址相同,均为7FFFH(只要保证P2.7为0,且P2.6、P2.5和P2.4均不为0即可);它们的8位DAC寄存器地址各不相同,分别为1号0BFFFH(只有P2.6为0)、2号0DFFFH(只有P2.5为0)和3号0EFFFH(只有P2.4为0)。

浙公网安备 33010602011771号