DAC0832的功能结构是什么?
单片机是一种数字器件,只能处理数字量,在工业生产和日常生活中,常用于电流、电压、温度、湿度和压力等信号的监测或处理。而这些信号都是连续变化的模拟量,被单片机处理之前必须转成数字量,而单片机处理后得到的数字量也要根据需要转换为对应的模拟量。
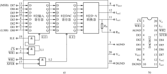
DAC0832是一种8位的D-A转换芯片,内部采用R-2R T形电阻网络,输出为正比于数字量的电流。DAC0832的引脚和功能结构如图5-43所示。

图5-43 DAC0832的功能结构和引脚
a)功能结构图b)引脚图
DAC0832内部由8位输入寄存器、8位DAC寄存器和8位D-A转换器组成,如图5-43a所示。
8位输入寄存器的作用是通过DI7~DI0引脚接收单片机送来的数字量,DI7~DI0引脚需与单片机的数据总线相连。当ILE1为高电平时,8位输入寄存器的输出端(Q端)随着输入端(D端)变化,即允许数字量输入;当ILE1由高电平变为低电平时,8位输入寄存器将输入数据锁存,其输出不再随输入变化。为使ILE1是高电平,ILE、CS和WR1必须分别为高电平、低电平和低电平。
8位DAC寄存器具有对数字量的缓冲和锁存功能。当ILE2为高电平时,8位DAC寄存器的输出随输入变化,可以接收来自8位输入寄存器的数据;当ILE2由高电平变为低电平
时,8位DAC寄存器将输入数据锁存,其输出不再变化。当WR2和XFER均为低电平时,ILE2是高电平,否则ILE2为低电平。
8位D-A转换器由R-2R T形D-A电阻网络构成,用于D-A转换,可将8位DAC寄存器输出端的数字量转换成与之成比例的电流信号。
可见,8位输入寄存器和8位DAC寄存器构成了两级锁存和缓冲器,这使得DAC0832的使用更加灵活、方便。另外,需要特别注意的是,DAC0832内部有反馈电阻Rfb,但是没有运算放大器,因此DAC0832工作时必须外接运算放大器。
2.DAC0832的引脚
DAC0832的20个引脚(如图5-43b所示)根据功能可以分成数据输入引脚、电源引脚和控制信号引脚,其作用分别如下:
(1)数据输入引脚
8位数据输入引脚DI7~DI0,扩展时与单片机的数据线相连,其中DI7是最高位(MSB),DI0是最低位(LSB)。
(2)电源引脚
Vcc是电源引脚,其电压范围为+5~+15V。AGND和DGND分别是模拟地和数字地的引脚,这两个连在一起,并接地。
(3)控制信号引脚
1)CS是片选信号,低电平有效。当该引脚为低电平时,DAC0832被选中,可以工作,否则不能工作。
2)8位输入寄存器相关引脚,包括高电平有效的ILE和低电平有效的WR1。只有CS、
WR1和ILE分别为0、0和1时,才能使ILE1为1,否则ILE1为0。当ILE1为1时,8位输入寄存器能接收DI7~DI0引脚的数据。一旦ILE1由1变为0,8位输入寄存器就将其输入端的数据锁存于输出端,不再接收新的数据。
3)8位DAC寄存器控制引脚,包括:低电平有效的WR2和XFER。只有WR2和XFER均为0时,才能使ILE2为1,否则ILE2为0。当ILE2为1时,8位DAC寄存器能接收8位输入寄存器送来的数据,该数据才能到达8位D-A转换器并被转换成模拟量。一旦ILE2由1变为0,8位DAC寄存器就将其输入端的数据锁存于输出端,而8位D-A转换器将一直转换这个被锁存的数字量。另外,DAC0832的转换时间约为1μs。为保证转换正常完成,当Vcc为+5V时,WR2和XFER引脚的负脉冲持续时间应大于375ns;而当Vcc提高到+15V时,该时间应当大于320ns。
4)D-A转换器相关引脚,包括:VREF是DAC0832内部R-2R T形电阻网络的参考电压输入引脚,电压范围为-10~+10V;Rfb引脚与DAC0832内部的反馈电阻Rfb相连,该引脚需要与DAC0832外接运算放大器的输出引脚相连;Iout1和Iout2是DAC0832内部R-2R T形电阻网络的电流输出引脚,应当分别连接到DAC0832外接运算放大器的反相输入端和同相输入端。另外,两个电流输出引脚的电流之和Iout1+Iout2=常数,当
DAC0832转换的数字量为255(0FFH=11111111B)时,Iout1达到最大;当DAC0832转换的数字量为0(00H=0B)时,Iout1达到最小。

浙公网安备 33010602011771号