如何利用TDA0161接近开关芯片制作一个金属探测器?
金属探测器是一种非常常见的设备,可用于检查购物中心、酒店、电影院等内的人员是否携带任何金属或非法物品,例如管制刀具等。金属检测器有多种类型,例如手持式金属检测器,穿行金属检测器和地面搜索金属检测器。单片机开发工程师表示,金属探测器很容易制作,主要使用到一颗接近传感器芯片。
在这个方案中,单片机工程师设计了一个简单的DIY型金属探测器电路,该电路使用非常简单的组件,单片机入门学习者可以尝试做一下。
在该方案中,使用的是一颗意法半导体的TDA0161接近传感器芯片,目前这款IC已经过时,所以仅做测试使用。如果找不到TDA0161,请尝试查找其他类似IC。
所需组件
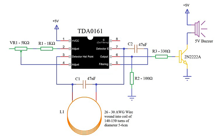
(1)1 x TDA0161接近传感器芯片IC;
(2)2 x 47nF电容器(陶瓷电容器代码473);
(3)1 x 1KΩ电阻(1/4W);
(4)1 x 330Ω电阻(1/4W);
(5)1 x 100Ω电阻(1/4W);
(6)1 x 5KΩ电位器;
(7)1 x 2N2222A(NPN三极管);
(8)1 x 5V蜂鸣器;
(9)线圈(取26–30AWG的铜线,并缠绕成直径5–6cm的线圈,并绕140–150匝)。
其他附加组件(用于LED)
(1)1 x 220Ω电阻(1/4瓦);
(2)1 x 5mmLED。
有关TDA0161这颗IC的说明
TDA0161接近传感器芯片IC:TDA0161是STMicroelectronics制造的接近传感器芯片IC。它可以通过检测高频涡流损耗的细微变化来检测金属物体。
TDA0161IC可借助外部调谐电路充当振荡器,电源电流的变化将决定输出信号,即当金属物体靠近时电流高,而当没有金属物体时电流低。
TDA0161具有8个引脚,并采用双列直插式封装(DIP)。下图显示了TDA0161IC的引脚图。
线圈(电感器):此方案采用了30AWG铜线,然后使用5.8厘米直径参考将其缠绕成线圈,线圈包括140–150匝。
金属探测器电路说明

当L1和C1的LC电路从附近的任何金属获得任何谐振频率时,将产生电场,这将导致在线圈中感应出电流并改变通过线圈的信号流。
可变电阻器用于将接近传感器的值更改为与LC电路相等,最好在线圈不靠近金属时检查该值。当检测到金属时,LC电路将改变信号。更改后的信号被提供给接近传感器芯片(TDA0161),该检测器将检测到信号的变化并做出相应的反应。当没有检测到金属时,接近传感器的输出为1mA;当线圈靠近金属时,接近传感器的输出为10mA。
当输出引脚为高电平时,电阻器R3将为晶体管Q1提供正电压。Q1将打开,LED发光,并且蜂鸣器发出蜂鸣声。电阻r2用于限制电流。
金属探测器的框图

金属探测器电路由三个主要部分组成:LC电路,接近传感器,输出LED和蜂鸣器。并联连接的线圈和电容器C1将构成LC电路。
如果检测到任何金属,接近传感器(TDA0161)就会被此LC密码触发。然后,接近传感器将打开LED并使用蜂鸣器发出警报。
LC电路:LC电路具有并联的电感器和电容器。当附近存在相同频率的材料时,该电路会发出谐振。LC电路交替对电容器和电感器充电。当电容器充满电时,会对电感器施加电荷。
电感器开始充电,当电容器两端的电荷为零时,它将以相反的极性从电感器吸取电荷。然后减少电感器电荷,并再次重复该过程。请注意,电感器是磁场存储设备,电容器是电场存储设备。
接近传感器:接近传感器可以在没有任何物理干扰的情况下检测物体。接近传感器的工作原理与红外传感器相同,接近也释放信号,除非并且直到反射回来的信号没有变化,否则它不会提供输出。
如果信号发生变化,它将检测并给出相应的输出。有不同的接近传感器,例如要检测塑料材料,我们可以使用电容式接近度,对于金属,我们应该使用电感式。
该金属探测器方案运行原理
由L1(线圈)和C1组成的LC电路是电路的主要金属检测器部分。借助该LC电路(也称为振荡电路或调谐电路),TDA0161IC充当振荡器并以特定频率振荡。
当LC电路从附近的任何金属中检测到任何谐振频率时,都会产生电场,这将导致在线圈中感应出电流并改变通过线圈的信号流。
可变电阻器用于将接近传感器的值更改为与LC电路相等,最好在线圈不靠近任何金属物体时检查该值。当检测到金属时,LC电路将改变信号。
更改后的信号被提供给接近传感器芯片(TDA0161),该检测器将检测到信号的变化并做出相应的反应。当未检测到金属时,接近传感器的输出将小于1mA,而当线圈靠近金属时,其输出将约为10mA(通常大于8mA)。
当输出引脚为高电平时,电阻器R3将为晶体管Q1提供正电压。Q1将打开并且LED将发光(电路中未显示),并且蜂鸣器将被激活。
(1)该方案的好处
基于TDA0161的接近传感器芯片IC金属检测器电路是一种非常简单易用的金属检测器,可用于检测家庭,办公室和花园中的小金属。不需要任何单片机,因为接近传感器将足以实施该方案。
(2)该方案的缺点
这种金属探测器电路的主要缺点是探测范围。金属物体必须与探测器保持10mm的距离。

浙公网安备 33010602011771号