8 位 PWM + 8 位 Dpot = 16 位混合 DAC
脉冲宽度调制 (PWM) 是数模转换的绝佳基础。它的优点包括简单性和(理论上)完美的差分和积分线性。不幸的是,PWM 需要波纹滤波,这往往会使其速度变慢,尤其是在需要高分辨率(8 位以上)的情况下。
优点
数字信号传输:PWM将模拟信号转换为脉冲信号,在处理器到被控对象之间的所有信号都是数字形式的,从而无需再进行数模转换,这大大简化了信号处理的复杂性。
噪声抗干扰能力强:PWM信号对噪声的抗干扰能力较强,只有当噪声强到足以改变数字信号的逻辑状态时(如将逻辑1变为逻辑0),才会对信号产生影响。这一特性使得PWM在通信等信号传输行业得到广泛应用。
简单性和线性度:PWM技术具有相对简单的实现方式,同时,在理论上,PWM能够提供完美的差分和积分线性,这对于某些应用来说是非常重要的。
缺点
波纹滤波需求:PWM信号在转换回模拟信号时,需要经过波纹滤波。这一步骤不仅增加了系统的复杂性,还可能降低系统的响应速度,尤其是在需要高分辨率(8位以上)的情况下,滤波器的设计和实现变得更为复杂,进一步影响了系统的速度。
谐波和电磁干扰:PWM信号在高频开关过程中会产生谐波,这些谐波可能对电网或其他电子设备造成干扰,引发电磁兼容性(EMC)问题,影响系统的稳定性和可靠性。同时,高频开关的瞬变过程还会产生电磁辐射,对周围的电子设备造成电磁干扰(EMI),这可能影响其他设备的正常运行,甚至对通信造成干扰。
开关损耗:在高频开关过程中,开关器件在导通和关断过程中需要消耗一定的能量,这些损耗会降低系统的整体效率,并可能增加散热需求。
噪声问题:PWM信号在某些应用中可能导致机械噪声和电磁噪声。机械噪声主要源于PWM信号的快速变化引起的电机振动和噪音;而电磁噪声则可能通过传导或辐射的方式影响其他设备。
设计调试难度:对于复杂的控制系统,PWM技术的实现可能比较复杂。需要仔细设计PWM信号的频率、占空比等参数,以确保系统的稳定性和性能。同时,由于PWM信号的高频特性和复杂性,调试过程中可能遇到一些难题,例如需要精确的测量和分析工具来检测PWM信号的波形和特性。
成本问题:实现高精度、高性能的PWM控制需要高质量的开关器件和精确的控制电路,这可能会增加硬件成本。同时,由于PWM技术的复杂性和调试难度,开发过程中可能需要投入更多的时间和资源,从而增加开发成本。
适用范围限制:在低频应用中,PWM信号可能无法达到理想的控制效果,因为低频PWM信号的分辨率较低,难以实现精确的控制。此外,对于某些特定类型的负载(如感性负载),PWM信号的控制效果可能受到限制,因为感性负载在开关过程中会产生反电动势,影响PWM信号的控制效果。
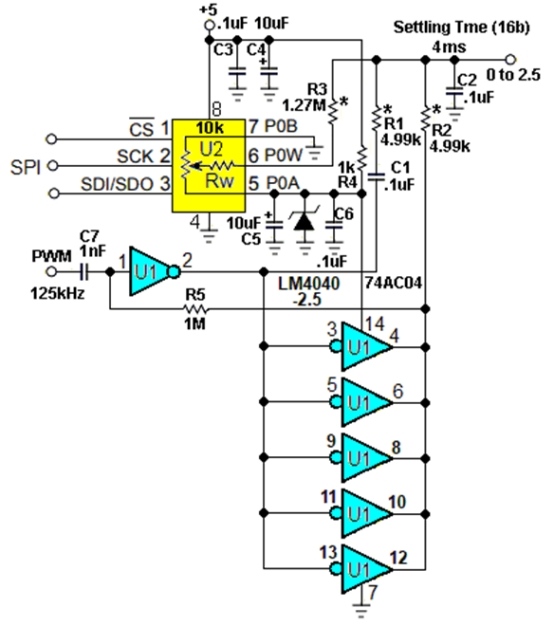
图 1提供了一种解决 PWM 迟钝问题的方案,即使用它来实现高分辨率(16 位)DAC 的最高 8 位,而另一种技术(数字电位器)提供低 8 位。然后,两个输出在一个简单的 256:1 比例电阻分压器中被动相加。这样做的好处是稳定速度提高了 256 倍(与使用 PWM 进行完整的 16 位计数相比),同时还具有 16 位分辨率、单调性、线性度(INL 和 DNL)和微伏零点稳定性。该电路仅靠从单个 5V 电源轨吸取的几 mA 电流运行,同时还集成了相当不错的电压基准。而且它很便宜。

图 1 PWM 最高有效字节 (msbyte) 与 Dpot 最低有效字节 (lsbyte) 结合,提供 16 位分辨率、单调性和线性。
输入的 3 至 5v 逻辑、8 位分辨率 PWM 经 R5C7 和高速 AC 逆变器 U1 反转和电平转换,成为精确的 0 至 2.50v 方波,这得益于 LM4040 电压基准和 CMOS 逻辑用作精密模拟开关时的固有特性。波形未反转,并由 U1 的其他五个元件缓冲,成为低阻抗 (~5 Ω) 高质量 0 至 100% 占空比 PWM 输出。U1 的出色过渡对称性(Tphl 和 TPlh 传播时间相差不到 100 ps)有助于提高准确性和线性度,而通过 R5 的正反馈会产生锁存动作,可适应静态 0% (0v) 和 100% (2.5v) 占空比状态。
有源低通模拟纹波减法滤波通过R1C1 + R2C2 网络进行,如“使用模拟减法消除 PWM DAC 纹波”中所述。如果我们假设256/32 MHz = 8 µs PWM 周期,则所示的4.99 kΩ x 0.1 µF = 499 µs RC 时间常数适用于 16 位 (96 dB) 纹波衰减。电容当然需要根据不同的 PWM 时钟频率进行比例调整。
同时,1k Dpot U2 提供 SPI 控制、8 位分辨率、0 至 2.5v lsbyte 贡献,该贡献通过 R2R3 分压器以 256:1 的比例与 U1 的 PWM 输出相加。R2:R3 比率应准确且稳定,优于 0.5%。R3 远高于电位器提供的 2.5k(最大)可变阻抗,因此其对非线性的贡献保持小于 +/-½ lsb。

浙公网安备 33010602011771号