看门狗的工作原理 看门狗的类型
看门狗(Watchdog)是一种用于监控系统运行状况的技术,主要功能是在系统出现异常时进行重启,防止系统崩溃。12看门狗的基本功能,看门狗本质上是一个定时器电路,它定期检查系统的运行状态。如果系统正常运行,用户需要在特定时间间隔内“喂狗”(重置定时器),以防止系统重启。如果系统出现异常,导致“喂狗”操作未能按时执行,看门狗定时器将达到其设定时间限制,从而触发系统重启,恢复系统的正常运行。
看门狗的类型
独立看门狗:这是一种基本的看门狗定时器,通常是一个递减计数器。当计数器减到0时,会产生复位信号。用户可以在计数器减到0之前通过“喂狗”操作来重置计数器,从而避免系统重启。
窗口看门狗:这是一种高级看门狗定时器,通过设置一个时间窗口来监控系统的运行状态。与独立看门狗不同,窗口看门狗通过限制“喂狗”的时间窗口,可以更精确地检测系统的异常运行情况,避免系统过早或过晚重置。
看门狗的工作原理
看门狗主要由寄存器、计数器和狗叫模块构成。通过寄存器对看门狗进行基本设置,计数器计算狗叫时间,狗叫模块决定看门狗超时后发出的中断或复位方式。系统上电后,根据不同的工作模式可以选择使能看门狗的时机。如果看门狗被使能,计数器开始计数。如果在设定的时间内没有及时喂狗,则会发生看门狗超时,系统将进入中断处理程序或强制复位。
看门狗的应用场景
看门狗广泛应用于各种嵌入式系统中,如单片机、微型计算机系统等。它能够有效防止系统因电磁干扰或其他异常情况导致的死循环或程序错误,确保系统的稳定性和可靠性。
随着汽车电子对功能安全等级的要求提高,越来越多的汽车电子系统也用上了看门狗(Watchdog)功能来提高电源的安全性和可靠性,以满足功能安全的要求。本文将介绍带看门狗电源的分类、系统框图、工作原理以及典型应用。
通常,我们将带有看门狗的电源分为三类:
■ 基本型看门狗电源
■ 窗口型看门狗电源
■ 问答型看门狗电源
1. 基本型看门狗电源
1.1系统框图

图1:线性稳压器L4995的系统框图。
以意法半导体(ST)的线性稳压器L4995为例,从其系统框图(图1)中可以看到,基本型看门狗电路基本有以下三种功能引脚:
■ 基本功能引脚
– Vin(电池输入)
– Vo(稳压器电压输出)
– GND
■ 用3个引脚来实现看门狗的功能(Wi、Vcw、Res)
– Wi(WD PWM输入)
– Vcw(WD电容器引脚)
– Res(复位)
■ 保护功能(没有列出所有的保护功能)
– 负载电流限流
– 温度关断
1.2 工作原理

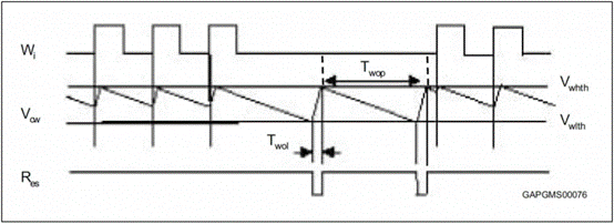
图2:L4995工作原理。
连接的微控制器由看门狗输入Wi监控。如果脉冲丢失,复位输出引脚设置为低(图2)。利用外部电容器Ctw,可以在较宽的范围内设置脉冲序列时间。看门狗电路用恒流Icwd向电容器Ctw放电。如果达到较低的阈值Vwlth,将看门狗重置。
每个Wi正边沿将电流源从放电切换到充电。当达到较低的阈值时也会发生同样的情况。当电压达到上限时,电流从充电切换到放电,其结果是一个锯齿波。Vcw为看门狗定时器电容器Ctw处的电压。
2. 窗口型看门狗
2.1系统框图

图3:低压差稳压器TLE7273-2系统框图。
英飞凌(Infineon)的低压差稳压器TLE7273-2中所内置的看门狗即为窗口型看门狗,其系统框图如图3所示。
2.2 工作原理

图4:TPS7A63xx-Q1内置看门狗的窗口持续时间。
以TI低压差稳压器TPS7A63xx-Q1为例,如图4所示,每个看门狗窗口由一个打开的窗口和一个关闭的窗口组成,每个窗口的宽度约为看门狗窗口的50%。但有一个例外:看门狗初始化后第一个打开的窗口是看门狗窗口持续时间的8倍。除看门狗初始化后打开的窗口外,所有打开的窗口都是看门狗窗口宽度的一半。初始化时,看门狗只能在打开的窗口中接收服务(通过软件、外部微控制器等)。在关闭的窗口中维护的看门狗,或在打开的窗口中不维护的看门狗,会造成看门狗的报错。
3. 问答型看门狗
3.1系统框图
用德州仪器(TI)的TPS65381(用于安全关键型应用中的微处理器的多轨电源)的系统框图(图5)来示意带有问答型看门狗的结构。

图5:TPS65381系统框图。
3.2 工作原理
下面用DRV3205-Q1(TI的一款用于汽车安全应用的具有3个电流感应放大器的三相电机前置驱动器IC)的问答型看门狗来解释一下具体的工作原理(图6)。

图6:看门狗定时器简化流程图。
问答型看门狗通过SPI发送特定的消息序列定期进行操作。根据单片机的请求,DRV3205-Q1向SPI上的MCU,锁定在WDT_ANSWER令牌U值寄存器中。单片机执行一系列固定的对令牌值进行算术运算,并将生成的令牌值返回给MCU通过写入WDT_ANSWER应答寄存器的SPI。DRV3205-Q1设备验证MCU是否返回令牌值在指定的时间窗口内产生(应答),并且令牌值响应(答案)正确。
● 当MCU在正确的时间窗口内执行与看门狗相关的SPI通信时,并返回正确计算的响应(答案),看门狗认为这是好事件。
● 当MCU在正确的定时窗口外执行与看门狗相关的SPI通信时,或返回错误计算的令牌响应(答案),或返回错误的正确答案顺序,看门狗认为这是坏事件。
● 当MCU在看门狗超时期间暂停看门狗相关的SPI通信时窗口,看门狗将此视为无响应事件。
● 内部计数器存储wd_fail_cnt寄存器中的错误响应数,该寄存器触发。
● 如果wd_fail_cnt达到预先定义的限制,则失败。通过在wd_fail_max中指定限制注册后,可以为坏事件的数量设置一个缓冲区。
问答型看门狗目前用在对应功能安全等级ASIL-C/D的汽车系统中,例如EPS。但这个电路的缺点就是增加了控制软件的复杂度,同时也增加了硬件的成本,需要依据具体的系统要求来选用。
综上所述,汽车中带有看门狗功能的电源依据不同的应用场合可以合适地选用。需要在成本、复杂性、可靠性和功能安全等方面进行综合权衡后得出一个折衷的选择。软件看门狗技术的原理和这差不多,只不过是用软件的方法实现,我们还是以51系列来讲,我们知道在51单片机中有两个定时器,我们就可以用这两个定时器来对主程序的运行进行监控。我们可以对T0设定一定的定时时间,当产生定时中断的时候对一个变量进行赋值,而这个变量在主程序运行的开始已经有了一个初值,在这里我们要设定的定时值要小于主程序的运行时间,这样在主程序的尾部对变量的值进行判断,如果值发生了预期的变化,就说明T0中断正常,如果没有发生变化则使程序复位。对于T1我们用来监控主程序的运行,我们给T1设定一定的定时时间,在主程序中对其进行复位,如果不能在一定的时间里对其进行复位,T1 的定时中断就会使单片机复位。在这里T1的定时时间要设的大于主程序的运行时间,给主程序留有一定的的余量。而T1的中断正常与否我们再由T0定时中断子程序来监视。这样就构成了一个循环,T0监视T1,T1监视主程序,主程序又来监视T0,从而保证系统的稳定运行。

浙公网安备 33010602011771号