DE23-Lite开发板提供了一个UART接口((下图的Type C接口)用户能够通过主机与Agilex 3 FPGA进行串口通信。

该接口通过DE23-Lite板载的USB Blaster III电路中的FT2232H芯片实现。将USB线连接到DE23-Lite板的Type-C接口和主机之间,即可启用USB Blaster III和FPGA UART功能,此时无需串行驱动程序,但用户在使用UART功能前需要确保已安装USB Blaster III驱动程序。

连接USB线后,通常在PC设备管理器中会显示USB Blaster III和一个COM端口号。

UART的功能是发送数据时,将并行的数据转换成串行数据进行传输,在接收数据时将接收到的串行数据转换成并行数据。
设计
实验任务:上位机发送数据给开发板串口,串口接收数据后又通过串口发送给上位机。

要求:数据位为8位, 停止位1位,无校验位,波特率115200bps

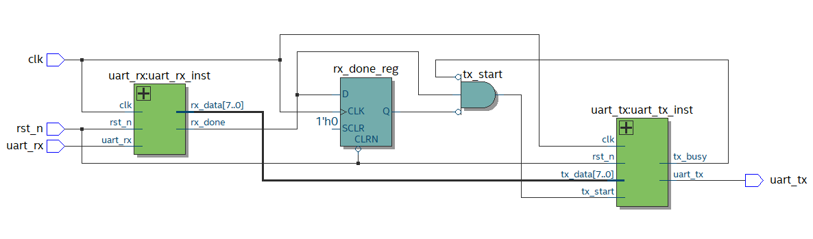
DE23-Lite的串口回环设计主要是2个模块:串口发送模块和串口接收模块。


系统时钟是50MHz,波特率是115200bps,那么串口发送和接收时,数据的每个位将占用50000000/115200 ≈ 434个时钟周期。
在串口接收模块设置一个4状态的状态机:
空闲状态:在空闲状态下,检测起始位(低电平)。一旦检测到起始位,进入START状态,并设置计数器在半位时间后采样,这样可以确保在位的中心点采样,提高抗噪能力。
起始位检测状态:等待半个位周期后,再次检查线路状态。如果仍然是低电平,确认是有效的起始位,进入DATA状态;否则认为是噪声干扰,返回IDLE状态。
数据位接收状态:在每个位周期的中心点采样数据位,并存入移位寄存器。接收完8位数据后,进入STOP状态。
停止位处理状态:等待一个完整的位周期(停止位),然后将接收到的数据输出,并产生一个时钟周期的接收完成信号。

工程代码:
module uart_rx( input clk, input rst_n, input uart_rx, output reg [7:0] rx_data, output reg rx_done ); parameter CLK_FREQ = 50000000; parameter BAUD_RATE = 115200; // 波特率计数器 localparam BAUD_CNT_MAX = CLK_FREQ / BAUD_RATE; localparam HALF_BAUD_CNT = BAUD_CNT_MAX / 2; reg [15:0] baud_cnt; // 状态定义 localparam IDLE = 2'd0; localparam START = 2'd1; localparam DATA = 2'd2; localparam STOP = 2'd3; reg [1:0] state; reg [2:0] bit_cnt; reg [7:0] rx_reg; reg uart_rx_sync1, uart_rx_sync2; // 同步输入信号 always @(posedge clk or negedge rst_n) begin if (!rst_n) begin uart_rx_sync1 <= 1'b1; uart_rx_sync2 <= 1'b1; end else begin uart_rx_sync1 <= uart_rx; uart_rx_sync2 <= uart_rx_sync1; end end // 状态机 always @(posedge clk or negedge rst_n) begin if (!rst_n) begin state <= IDLE; rx_data <= 8'd0; rx_done <= 1'b0; baud_cnt <= 0; bit_cnt <= 0; rx_reg <= 0; end else begin rx_done <= 1'b0; case (state) IDLE: begin if (uart_rx_sync2 == 1'b0) begin // 检测起始位 state <= START; baud_cnt <= HALF_BAUD_CNT - 1; // 半位时间后采样 end end START: begin if (baud_cnt == 0) begin if (uart_rx_sync2 == 1'b0) begin // 确认起始位 state <= DATA; baud_cnt <= BAUD_CNT_MAX - 1; //bit_cnt <= 0; end else begin state <= IDLE; // 假起始位 end end else begin baud_cnt <= baud_cnt - 1; end end DATA: begin if (baud_cnt == 0) begin rx_reg[bit_cnt] <= uart_rx_sync2; if (bit_cnt == 3'd7) begin state <= STOP; end else begin bit_cnt <= bit_cnt + 1; end baud_cnt <= BAUD_CNT_MAX - 1; end else begin baud_cnt <= baud_cnt - 1; end end STOP: begin if (baud_cnt == 0) begin rx_data <= rx_reg; rx_done <= 1'b1; state <= IDLE; end else begin baud_cnt <= baud_cnt - 1; end end endcase end end endmodule
串口发送模块同样设置了一个4状态的状态机:
空闲状态:空闲状态保持高电平。
起始位发送状态:发送起始位,低电平。
数据发送状态:数据位从最低位(LSB)开始发送,这是UART的标准格式。
停止位发送状态:发送停止位,高电平。

串口发送模块的工程代码:
module uart_tx( input clk, input rst_n, input tx_start, input [7:0] tx_data, output reg uart_tx, output tx_busy ); parameter CLK_FREQ = 50000000; parameter BAUD_RATE = 115200; // 波特率计数器 localparam BAUD_CNT_MAX = CLK_FREQ / BAUD_RATE; reg [15:0] baud_cnt; wire baud_tick = (baud_cnt == 0); // 状态定义 localparam IDLE = 2'd0; localparam START = 2'd1; localparam DATA = 2'd2; localparam STOP = 2'd3; reg [1:0] state; reg [2:0] bit_cnt; reg [7:0] tx_reg; // 波特率计数器 always @(posedge clk or negedge rst_n) begin if (!rst_n) begin baud_cnt <= 0; end else if (state != IDLE) begin if (baud_cnt == 0) begin baud_cnt <= BAUD_CNT_MAX - 1; end else begin baud_cnt <= baud_cnt - 1; end end else begin baud_cnt <= 0; end end // 状态机 always @(posedge clk or negedge rst_n) begin if (!rst_n) begin state <= IDLE; uart_tx <= 1'b1; bit_cnt <= 0; tx_reg <= 0; end else begin case (state) IDLE: begin uart_tx <= 1'b1; if (tx_start) begin state <= START; tx_reg <= tx_data; end end START: begin if (baud_tick) begin uart_tx <= 1'b0; state <= DATA; bit_cnt <= 0; end end DATA: begin if (baud_tick) begin uart_tx <= tx_reg[bit_cnt]; if (bit_cnt == 3'd7) begin state <= STOP; end else begin bit_cnt <= bit_cnt + 1; end end end STOP: begin if (baud_tick) begin uart_tx <= 1'b1; state <= IDLE; end end endcase end end assign tx_busy = (state != IDLE); endmodule
top文件代码:
-
只有在检测到接收完成信号的上升沿时才启动发送
-
只有在发送器不忙时才启动新的发送
-
实现了接收数据到发送数据的无缝衔接
module tsp_uart_loop( input clk, input rst_n, input uart_rx, output uart_tx ); wire [7:0] rx_data; wire rx_done; wire rx_done_rise,tx_start; wire tx_busy; // UART接收模块 uart_rx #( .CLK_FREQ(50000000), .BAUD_RATE(115200) ) uart_rx_inst ( .clk(clk), .rst_n(rst_n), .uart_rx(uart_rx), .rx_data(rx_data), .rx_done(rx_done) ); // UART发送模块 uart_tx #( .CLK_FREQ(50000000), .BAUD_RATE(115200) ) uart_tx_inst ( .clk(clk), .rst_n(rst_n), .tx_start(tx_start), .tx_data(rx_data), .uart_tx(uart_tx), .tx_busy(tx_busy) ); // 回环控制逻辑 reg rx_done_reg; always @(posedge clk or negedge rst_n) begin if (!rst_n) begin rx_done_reg <= 1'b0; end else begin rx_done_reg <= rx_done; end end // 检测接收完成的上升沿 assign rx_done_rise = rx_done && !rx_done_reg; // 发送启动信号 assign tx_start = rx_done_rise && !tx_busy; endmodule
仿真代码:
`timescale 1ns/1ps module uart_loopback_tb; // 输入 reg clk; reg rst_n; reg uart_rx; // 输出 wire uart_tx; // 测试参数 parameter CLK_PERIOD = 20; // 50MHz时钟周期 parameter BIT_PERIOD = 8680; // 115200波特率的位周期(1/115200 ≈ 8.68μs) // 实例化顶层模块 tsp_uart_loop uut ( .clk(clk), .rst_n(rst_n), .uart_rx(uart_rx), .uart_tx(uart_tx) ); // 时钟生成 always begin clk = 0; #(CLK_PERIOD/2); clk = 1; #(CLK_PERIOD/2); end // 测试任务:发送一个字节 task send_byte; input [7:0] data; integer i; begin // 发送起始位 uart_rx = 0; #(BIT_PERIOD); // 发送8个数据位 for (i = 0; i < 8; i = i + 1) begin uart_rx = data[i]; #(BIT_PERIOD); end // 发送停止位 uart_rx = 1; #(BIT_PERIOD); end endtask // 主测试程序 initial begin // 初始化 rst_n = 0; uart_rx = 1; // 复位 #100; rst_n = 1; #100; // 测试1:发送字节 8'h55 send_byte(8'h55); // 测试2:发送字节 8'hAA send_byte(8'hAA); // 测试3:发送字节 8'hF0 send_byte(8'hF0); // 测试4:发送字节 8'h0F send_byte(8'h0F); // 结束仿真 #10000; $stop; end endmodule
modelsim仿真波形:

可以看到:
第一个波特位时间内,rx先发送低电平起始位,然后发送8bit数据01010101(低位在前,8'h55),最后发送高电平停止位;tx则一直是高电平。
第二个波特位时间内,rx先发送低电平起始位,然后rx发送第二个测试数据10101010(低位在前,8'hAA),最后发送高电平停止位;tx则接收到8bit数据01010101。
第三个波特位时间内,rx先发送低电平起始位,然后rx接收第二个测试数据11110000(低位在前,8'hF0),最后发送高电平停止位;tx则接收到8bit数据10101010。
第四个波特位时间内,rx先发送低电平起始位,然后rx接收第二个测试数据00001111(低位在前,8'h0F),最后发送高电平停止位;tx则接收到8bit数据11110000。
第五个波特位时间内,rx保持高电平;tx则接收到8bit数据00001111。
Quartus选择:25.1,参考文章 最新版Quartus Prime Pro 25.1 的安装和使用演示(含Questa仿真)
引脚分配:

下板测试:


浙公网安备 33010602011771号