比较器设计
1位比较器设计
比较器的原理:
大于Great:Li1 = Xi & (~ Yi)
小于 Less:Li2 = ~ Xi & Yi
等于 equal:~ (Xi ^ Yi)
Lij第一个表示位数,第二个下标表示大小关系,1大,2小,3相等,当然,当只有一个下标的时候表示大小关系
我手绘的正确的电路图:

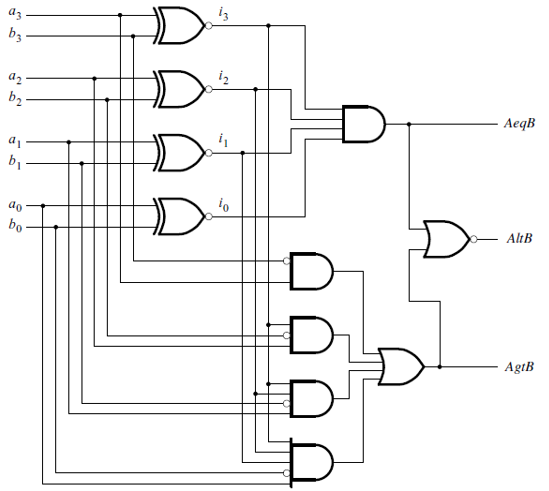
当然这里还有种化简办法,就是对于三个比较结果,如果已知其中两个,可以用或非门求第三个,即 L2 = ~ (L1 + L3) (位置可以互换)
eg:下面这种简化方式

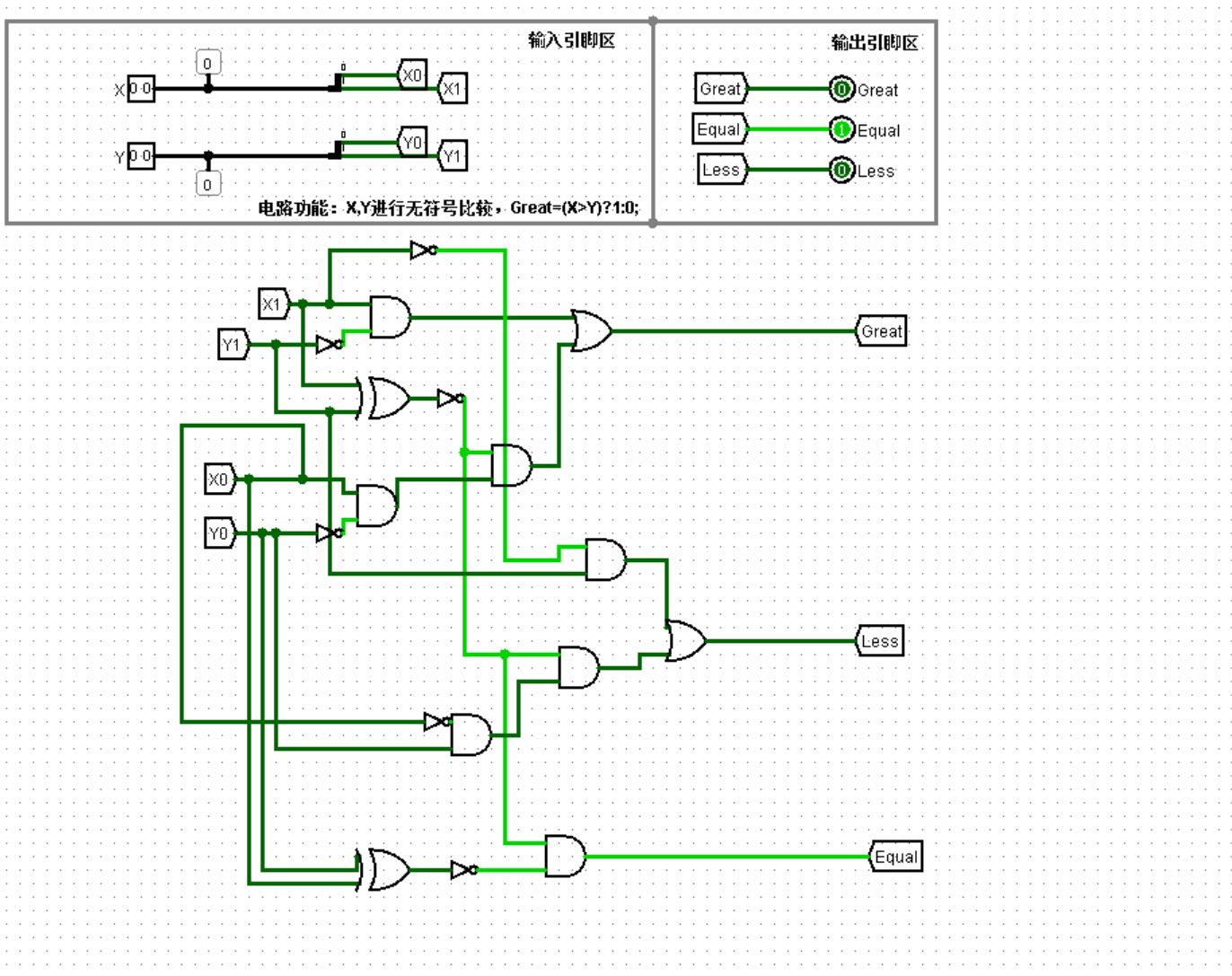
2位比较器设计
原理:其实跟一位比较类似,只是位数变了
大于Great普通表达式:
L1 = X1 > Y1 + ~ (X1 ^ Y1) & X0 > Y0
写成逻辑逻辑表达式就是
L1 = X1 & ~ Y1 + ~ (X1 ^ Y1) & X0 &  ~ Y0
小于Less普通表达式:
L1 = X1 < Y1 + ~ (X1 ^ Y1) & X0 < Y0
写成逻辑表达式就是:
L1 = ~ X1 &  Y1 + ~ (X1 ^ Y1) & ~ X0 &  Y0
等于equal 普通表达式是:
X1 == Y1 && X0 == Y0
写成逻辑表达式就是:
~ (X1 ^ Y1) && ~ (X0 ^ Y0)
我自己手搓的电路图如下:

实际上电路图可以简化为

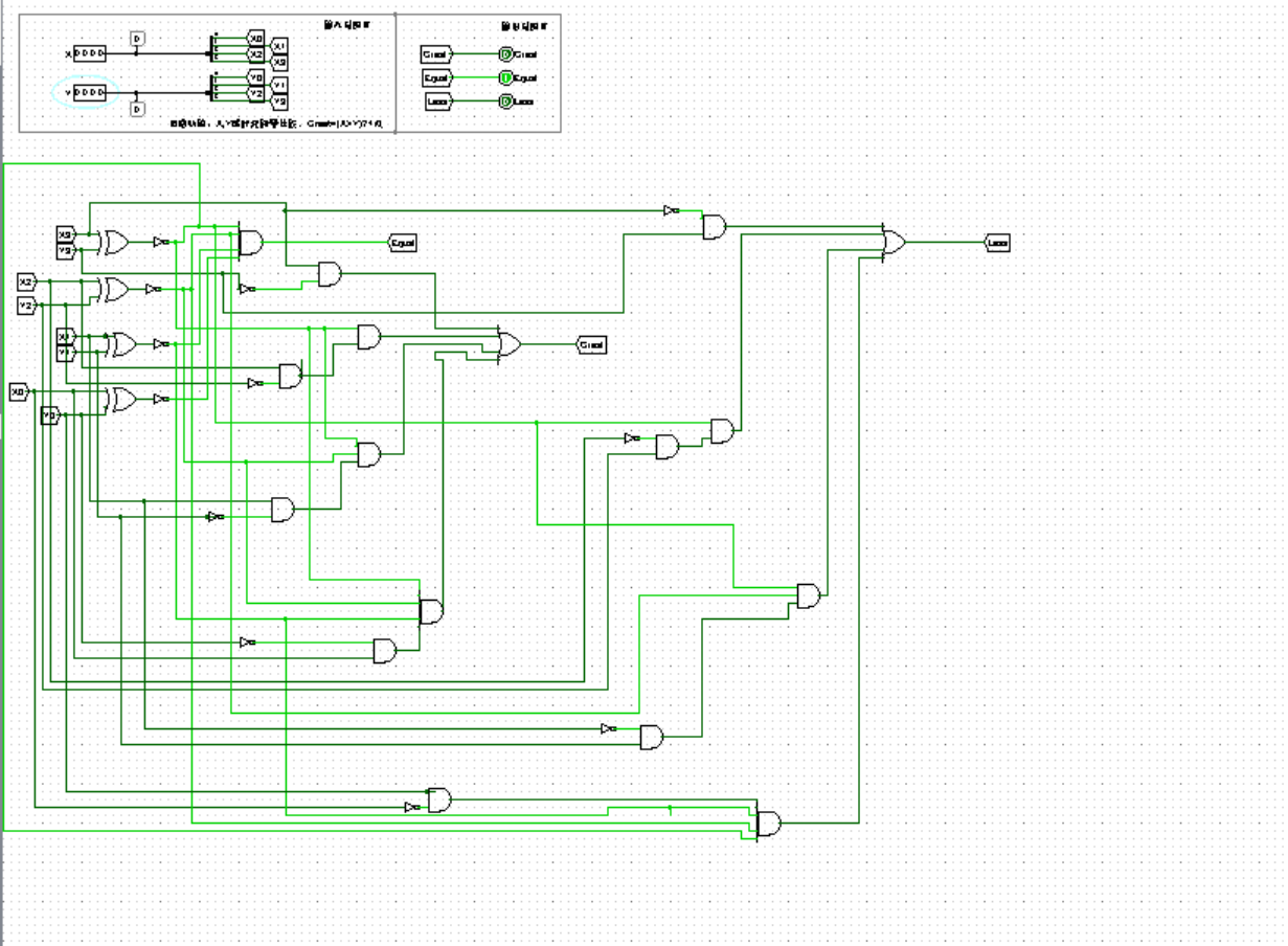
4位无符号比较器设计
同理:跟上面2位比较器设计原理一样,从最高位开始比,以此类推
表在草稿纸上列了,不会的话可以参考上面的2位比较器设计的列法!
笑死了,干这个玩意干了20min,纯手搭

简化版电路:

本文来自博客园,作者:Alaso_shuang,转载请注明原文链接:https://www.cnblogs.com/Alaso687/p/18981167

                
            
        
浙公网安备 33010602011771号