译码器设计
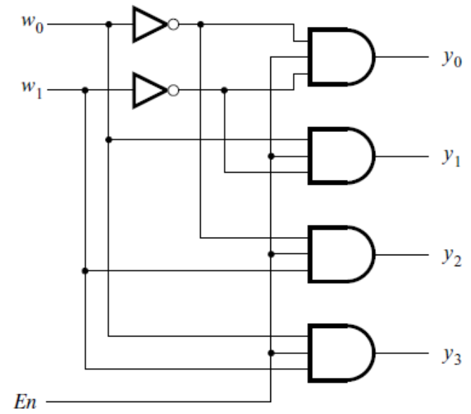
2-4译码器设计
简要介绍:译码器(Decoder)能将二进制代码的特定含义翻译出来,是一类多输入多输出组合逻辑器件,其可以分为:变量译码和显示译码两类。
原理图是这样的:

自己搭图是这样的:

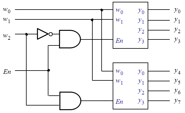
3-8译码器设计
直接用2-4译码器搭就行
原理图是这个样子的:

自己手搭出来是这样的:

低电平译码器LS138设计
注意:
1.G1是 使能端 1 有效,nG2a是使能端 0 有效,nG2b 是 使能端 0有效,三者中有两者需要用非门接起来,然后三者再进行与
2.LS138 是低电平有效,也就是说,当某个输出被“选中”时,它对应的引脚会输出 低电平(0V),而其余未选中的输出保持 高电平(逻辑1)
其实我有个这样的疑问:既然你的LS138是低电平输出,那为什么一开始的A2,A1,A0不直接用高电平1去输入呢?
问了问AI,大概总结一下就是:A2/A1/A0是地址线,他的高低电平主要负责告诉芯片选哪一路,跟后面引脚输出高电平还是低电平没有直接的关系!
手动搭电路:

本文来自博客园,作者:Alaso_shuang,转载请注明原文链接:https://www.cnblogs.com/Alaso687/p/18980973

                
            
        
浙公网安备 33010602011771号