多路选择器的设计
2选1选择器设计
真值表是这样:
| s | f |
|---|---|
| 0 | d0 |
| 1 | d1 |
原理图如下:

自己搭的电路,我当时一直不知道使能端可以放在哪里,一直在与门三输入那里徘徊,后来我想到你enable = 1的时候输入端输入什么值都不变,于是我直接想到在最后结果那里装上enable即可!也就是直接在或门加一个输入口,让enable加入进去!

4选1选择器设计
真值表是这样的:
| s1 | s0 | f |
|---|---|---|
| 0 | 0 | d0 |
| 0 | 1 | d1 |
| 1 | 0 | d2 |
| 1 | 1 | d3 |
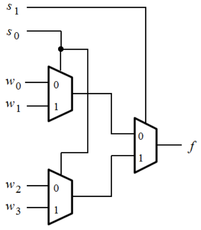
原理图是这样的:

设计出来的图是这样的

刚开始的时候按照原理图进行设计,select和MUX2-1端口连接总有橙色警告,明示上面的位宽对应不上,于是我用splitter给他改成了两路信号的,后面就如鱼得水拼接了
8选1选择器设计
跟上述四选一一个道理,既然能用3个二选一拼出一个四选一,那么就可以用2个4选1 + 一个2选1拼出一个8选1(为什么要用一个二选一呢?)因为你两个四选一输出的还是4选1的内容,无法组合成8选1的内容,所以再加一个2选1的

本文来自博客园,作者:Alaso_shuang,转载请注明原文链接:https://www.cnblogs.com/Alaso687/p/18980769

浙公网安备 33010602011771号