会员
众包
新闻
博问
闪存
赞助商
HarmonyOS
Chat2DB
所有博客
当前博客
我的博客
我的园子
账号设置
会员中心
简洁模式
...
退出登录
注册
登录
zhendeblog
博客园
首页
新随笔
联系
订阅
管理
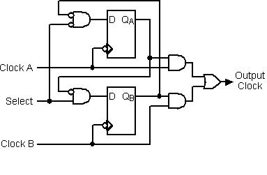
多时钟切换电路
posted @
2023-07-12 20:49
不好说话甄
阅读(
29
) 评论(
0
)
收藏
举报
刷新页面
返回顶部
公告