该电源保护电路主要目的是预防MCU或FPGA等可编程器件程序失效,导致外部大功率的电机等器件损毁。特别是电压敏感型热敏打印头损毁。当MCU停止工作之后,硬件自动断开电源输出
一、工作原理
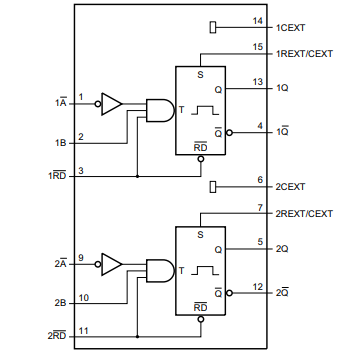
MCU正常工作时产生一个持续的(或模拟PWM等)脉冲信号,驱动74HC123输出高电平脉冲,脉冲驱动负载电源模块,模块为打印头或者步进电机等供电电源。一旦MCU异常或者程序崩溃,将不能发出持续的脉冲给到74HC123输入,根据硬件设定的时间延时之后切断电源,功能类似于硬件中“看门狗”。
74HC123D真值表:


二、硬件原理图

2.1控制信号
MCU/FPG输入控制信号一共有两个,其中之一CPLD_CLK为脉冲触发输入,要求脉冲间隔时间应该小于RC=0.45*Rk*Cn,否则会导致无法正常打开电源输出功能。PP_VH_CLR为电源输出使能控制,高电平允许输出,低电平禁止。
2.2状态输出
PH_BEO_PROTECT为数字信号输出,用于指示电源输出状态,同时也可用于控制其他保护装置。
2.3泄流电路
为了实现较快的电源断开,以及预防被关短电源上的电荷累积,此电源断开的同时会打开电流释放路径使其保持泄流状态。
浙公网安备 33010602011771号