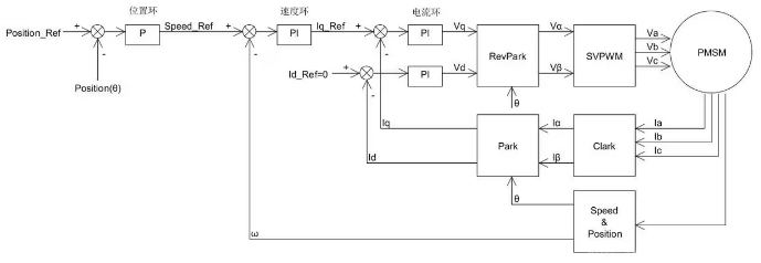
电控-电流环-速度环-位置环简要解析
电控-电流环-速度环-位置环概念简要解析
1.电流闭环:
在FOC控制中,电流环是最内环的控制。
通过ADC采样检测驱动器给电机的各相的输出电流,然后将这个电流负反馈给电流的设定进行PID调节,使得输出电流尽量接近或等于设定电流。
电流环的主要作用是控制电机的转矩,因此在转矩模式下,驱动器的运算量最小,动态响应最快。
2.速度闭环:
速度环是FOC控制中的中间环。
它通过检测电机编码器的信号来进行负反馈PID调节,其环内PID输出直接就是电流环的设定。
因此,速度环控制时实际上已经包含了速度环和电流环。
换句话说,任何模式下都必须使用电流环,电流环是控制的根本。
3.位置闭环:
位置环是FOC控制中的最外环。
位置环是通过接收编码器或传感器等反馈设备的信号来实时监测电机的实际位置,并与目标位置进行比较,从而生成位置误差信号。
然后,位置环将这个误差信号作为输入,通过调整速度环和电流环的输出来控制电机的运动,使电机能够准确地跟随目标位置。

三环最终可以实现的效果:
在达到目标位置的条件下
可以控制达到目标位置的速度(限制速度环的pi)
同时通过电流环的pi,来限制达到目标位置的转矩。
浙公网安备 33010602011771号