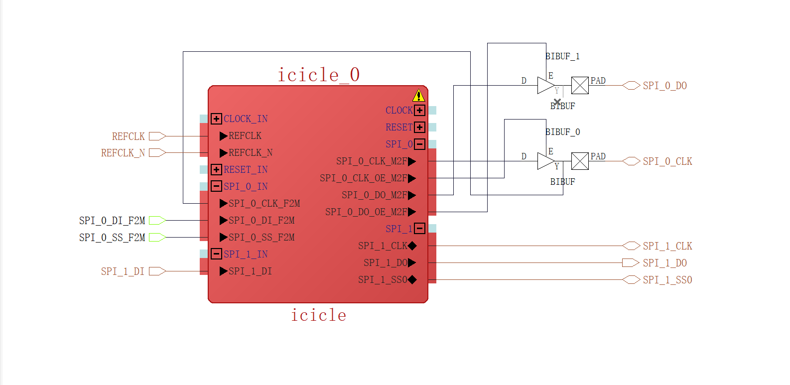
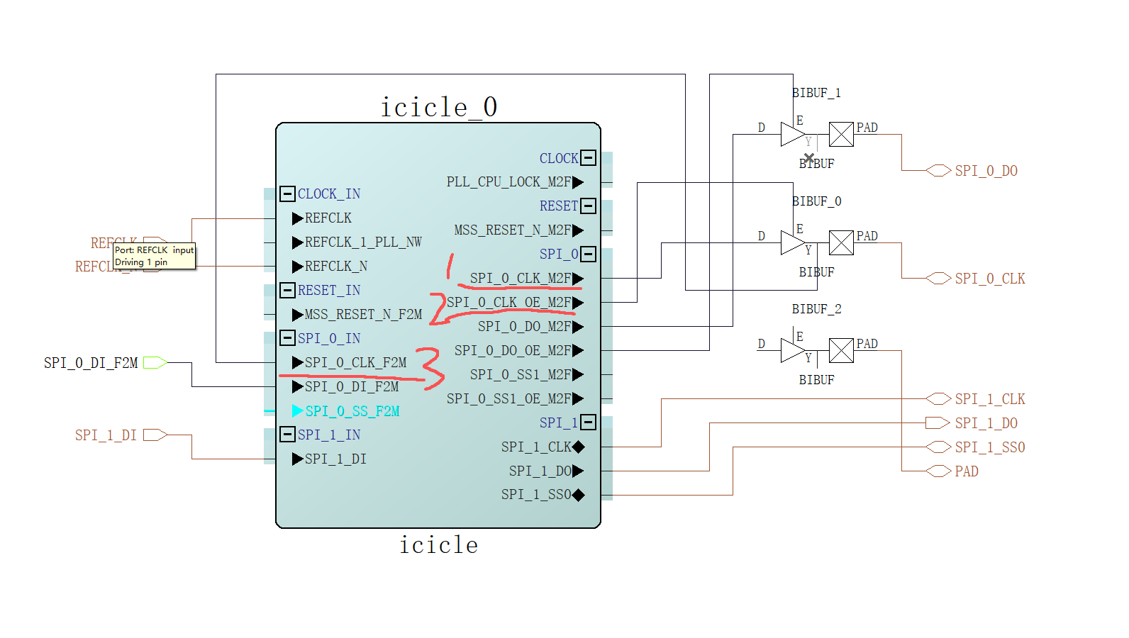
PolarFire® SoC libero SPI 使用 Fabric I/O 输入输出 使能 三个脚 合成 一个脚
1、首先 MSS 配置, 选择 Fabric I/O , 点击 左上角 黄色按钮, Generate 生成 配置文件

2、 提示
INFO: Successfully generated MSS component to 'C:/Users/zydz/Desktop/polarfire_code/mss/icicle.cxz'
3、 libero import MSS , 选择 刚刚 生成 的 .cxz 文件
如果之前 已经 import, 再次 import, 会显示 红色, 右键 update 即可

4、SPI 不是4个 引脚吗 , 但是这里 多了很多 引脚 , 比如 SPI CLK 就有三个引脚 , 分别是 输入 输出 和控制 , 需要 和 BIBUF 配合 , 可以实现 输入还是输出,

配置完成:

浙公网安备 33010602011771号