[LabVIEW随笔-11] -基础知识3
1、列表框
1.1 创建列表框
列表框同简单控件一样,有“新式”、“系统”和“古典”三种不同风格。列表框控件位于“列表与表格”控件选板中

列表框的外观与一般的字符串控件比较相似,列表框控件内含的数据类型是 132,它本质是数值型控件。
1.2 相关属性与调用方法

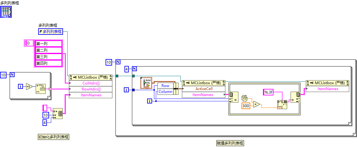
2、多列列表框

1、设置列首,使用列首与行首字符串(行首需要在显示项上勾选行首)
2、多列列表框赋值

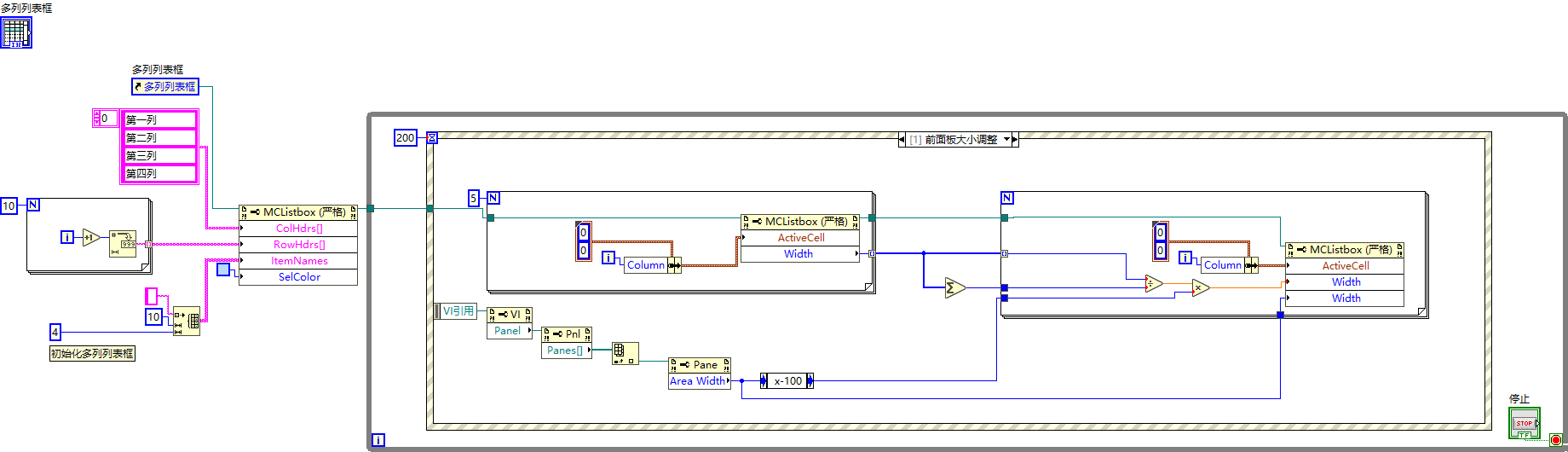
3、设置选中颜色与活动单元格颜色

4、将多列列表框适应前面板大小变化

浙公网安备 33010602011771号