空调控制器
概述
汽车行业的高速发展,带动了汽车空调市场需求持续大幅增长。随着消费升级及节能减排政策缩紧,促使汽车空调技术不断改进和完善,汽车空调已不再是单纯的用于制冷制暖,而是涉及到多区域自动温度调节,整车系统节能环保、车内空气质量改善等。同时随着新能源车的发展,会影响到电量的分配和续航里程。新的汽车市场发展形势下,需要功能强大的智能化空调控制器。

产品特点
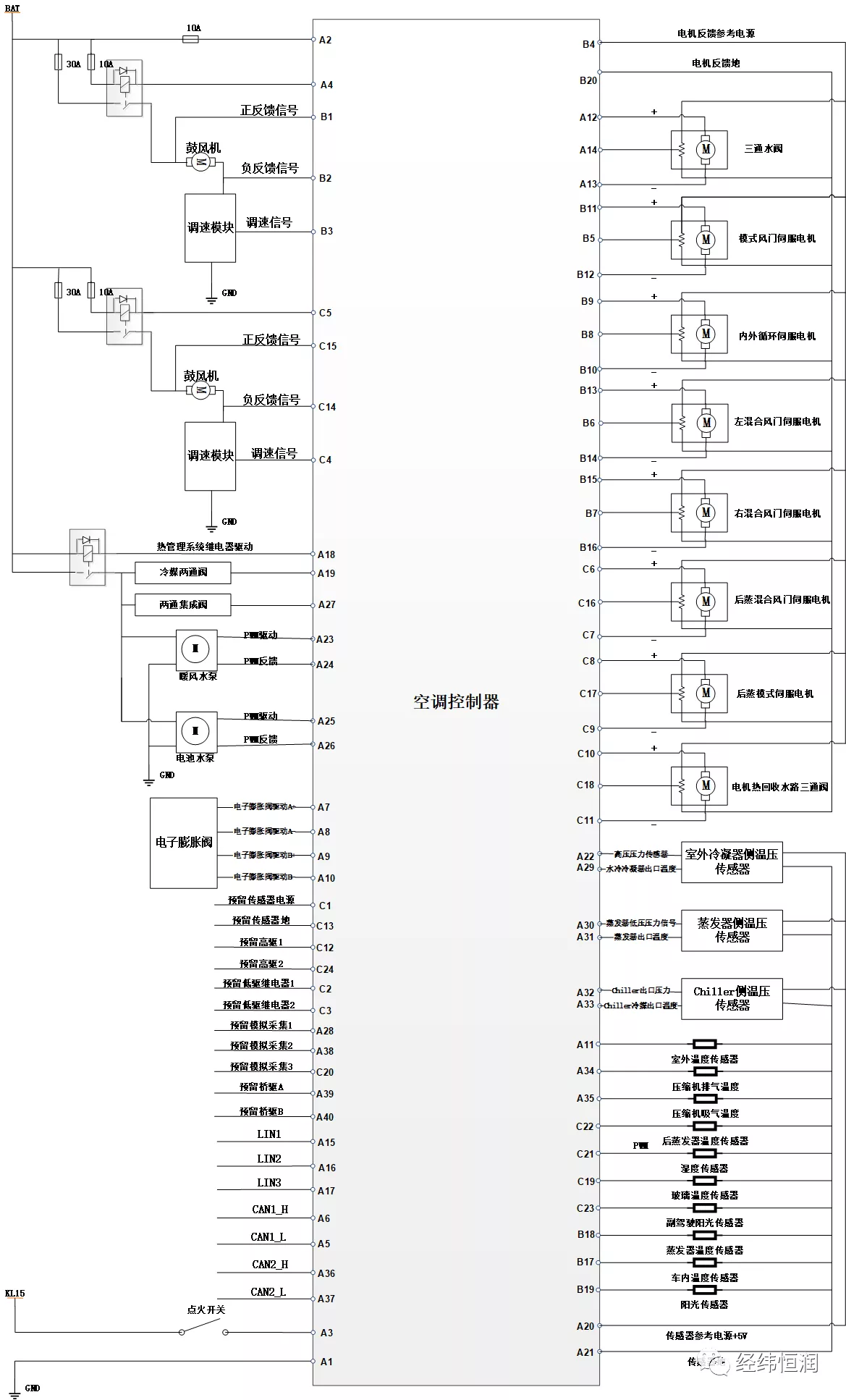
- 双温区自动空调、热泵空调、电池热管理
- 桥驱电机控制(风门、模式、内外循环、三通水阀)
- 步进电机控制(电子膨胀阀)
- 鼓风机调速、水泵调速、电磁阀、继电器
- CAN 通讯
- LIN 通讯
- 传感器供电和采集
- 产品尺寸(146mm*120mm*28mm)
产品框图 & 网络架构



浙公网安备 33010602011771号