搬家第25天-UNITY施耐德M580读取年份、月份、日期、时间信息
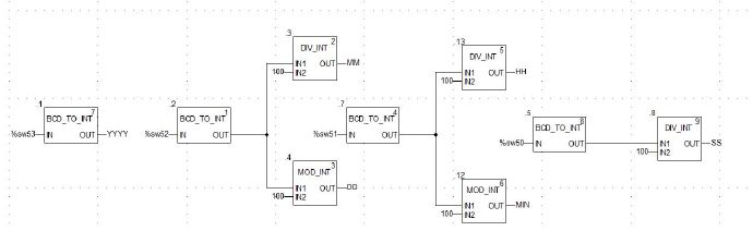
最近有个项目用到了M580,后面的工作需要读取系统日期时间信息,查看帮助后发现这些信息存放在%SW50到%SW53四个系统字里面。%SW50是SS00,%SW51是HHMM,%SW52是MMDD,%SW53是YYYY,在unity程序中使用FBD这样写程序

%SW49可以读取星期几的数据,1是星期1,2是星期2,以此类推。
最近有个项目用到了M580,后面的工作需要读取系统日期时间信息,查看帮助后发现这些信息存放在%SW50到%SW53四个系统字里面。%SW50是SS00,%SW51是HHMM,%SW52是MMDD,%SW53是YYYY,在unity程序中使用FBD这样写程序

%SW49可以读取星期几的数据,1是星期1,2是星期2,以此类推。