摘要:
一、请根据数据库设计的四个步骤【步骤:1.数据库需求分析2.概念结构设计3.逻辑结构设计4.物理结构设计】结合本小组系统题目,描述应该怎样设计一个完整的数据库 数据库需求分析 目标:明确系统数据存储需求 用户数据:账号信息、身体测量数据(身高/三围)、试衣历史 服装数据:基础属性(类型/尺寸/材质) 阅读全文
posted @ 2025-05-08 19:12
elzatt
阅读(45)
评论(0)
推荐(0)
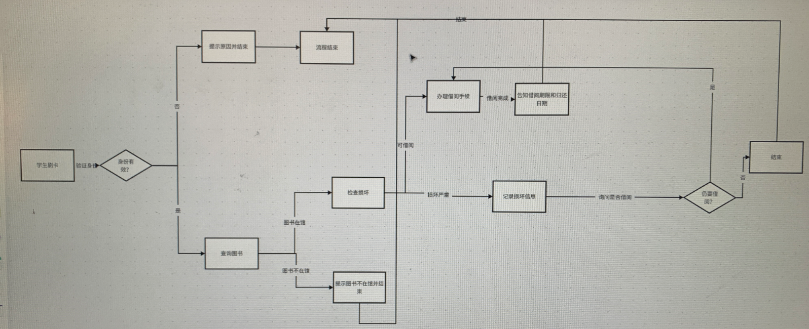
摘要:
 阅读全文
posted @ 2025-05-08 19:00
elzatt
阅读(7)
评论(0)
推荐(0)

浙公网安备 33010602011771号