第四章习题

假设忽略与非门的延迟,就有上图
最后是一段震荡,因为\(Q\)和\(\overline{Q}\)一直在变过来变过去
5.
D锁存器:

D触发器:

上面两张图中,\(\overline{Q}\)都是\(Q\)翻转一下,就不画了
6.

9.
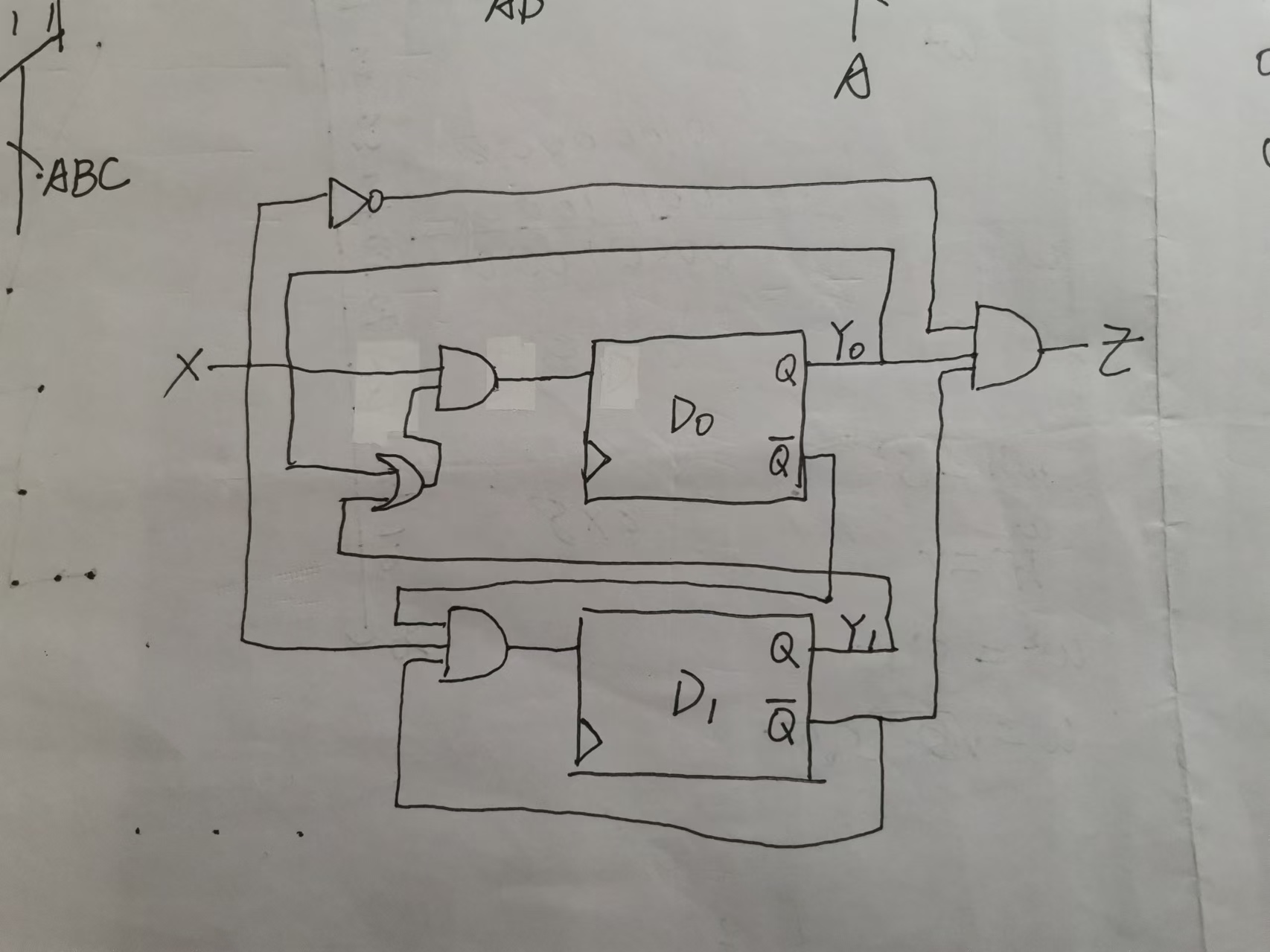
首先画出有限状态机

可以知道一共有三个状态,于是使用二位编码,设为\(Y_0\)和\(Y_1\),将\(S_0,S_1\)和\(S_2\)分别编码为\(00,01\)和\(10\),于是可以画出下面的真值表

根据真值表依次画出\(Y_0^{*},Y_1^{*}\)和\(Z\)的卡诺图如下

于是可以得到逻辑表达式为:\(Y_0^{*}=X\cdot(Y_1+Y_0),Y_1^{*}=X\cdot\overline{Y_0}\cdot\overline{Y_1}\)和\(Z=\overline{X}\cdot Y_0\)
经过分析,无论是否满足自启动,当处于无用状态\(11\)的时候,若\(X=0\),那么\(Z=1\),这显然是错误的,所以重新令\(Z=\overline{X}\cdot Y_0\cdot\overline{Y_1}\)
于是可以设计出电路图如下

11.
由于是并行的,所以课上讲的公式适用,可知
\[ t_{ff
pd} = T_{tq}, \, t_{nspd} = T_{and}, \, t_{setup} = T_{setup}
\]
于是由

可得最大工作频率为\(\frac{1} {T_{tq} + T_{and} + T_{setup}}\)
12.
直接画出图

可以看到形成了基环树森林,用红色框框起来的是树的根节点

浙公网安备 33010602011771号