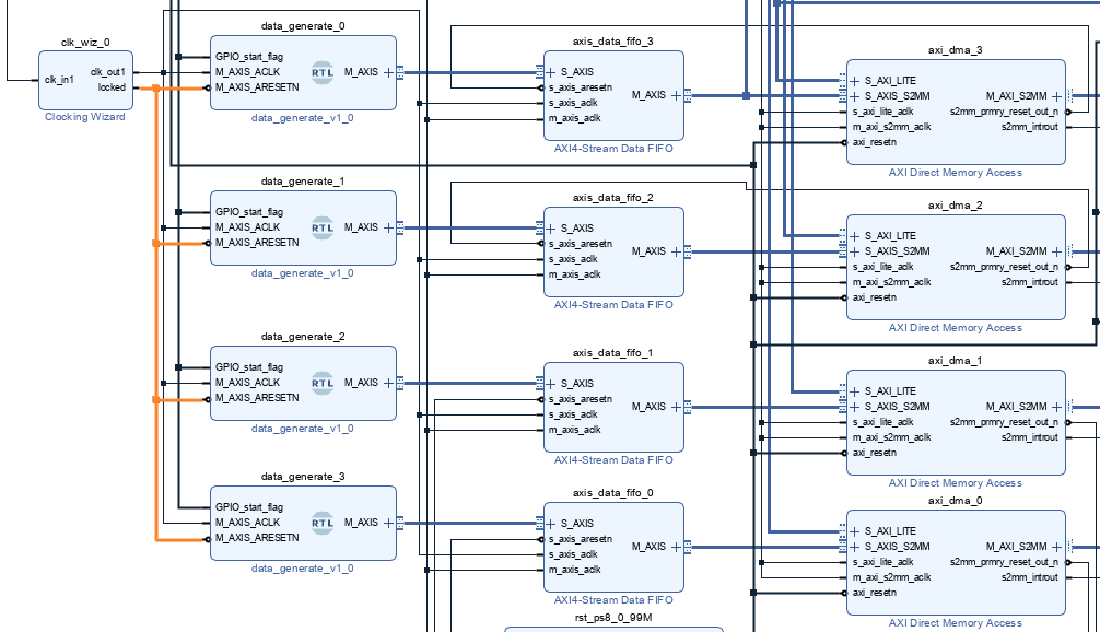
使用多路DMA进行数据传输
DMA的设置

FIFO的设置,第二页默认

这里特别注意,fifo的复位一定要来自DMA的复位out,这个示例里使用全局复位影响不大,但其他有些情况下会带来问题

DMA读时钟100MHz

FIFO写时钟250MHz,模拟高速ADC数据产生

同样的的情况,模拟四路数据传输,模拟多通道情况。MMCM IP核的locked作为generate rtl数据产生模块的复位信号

MMCM设置,输入100Mhz,输出250MHz。未展示部分默认



使用xlconcat和intc形成多级中断

使用AXI GPIO产生开始信号,data_generate模块里对开始信号做处理,以便形成完整的数据传输


点击查看代码
reg GPIO_start_flag_delay;
wire start_flag;
assign start_flag = ((GPIO_start_flag)&&(!GPIO_start_flag_delay));
always @(posedge M_AXIS_ACLK) begin
if (!M_AXIS_ARESETN) begin
GPIO_start_flag_delay <= 1'd0;
end else begin
GPIO_start_flag_delay <= GPIO_start_flag;
end
end
reg wr_en;
always @(posedge M_AXIS_ACLK) begin
if (!M_AXIS_ARESETN) begin
wr_en <= 1'd0;
end else if (start_flag) begin
wr_en <= 1'd1;
end else if (tx_done) begin
wr_en <= 1'd0;
end
end
//tvalid generation
//axis_tvalid is asserted when the control state machine's state is SEND_STREAM and
//number of output streaming data is less than the NUMBER_OF_OUTPUT_WORDS.
assign axis_tvalid = ((wr_en)&&(mst_exec_state == SEND_STREAM) && (read_pointer < NUMBER_OF_OUTPUT_WORDS));
// AXI tlast generation
// axis_tlast is asserted number of output streaming data is NUMBER_OF_OUTPUT_WORDS-1
// (0 to NUMBER_OF_OUTPUT_WORDS-1)
assign axis_tlast = ((read_pointer == NUMBER_OF_OUTPUT_WORDS-1)&&(tx_en));
0号ila用来观察PS对dma的axi-lite通信

1号ila用来观察DMA对fifo的读取情况

2号ila用来观察DMA对数据的传输情况

最后是地址分配

综合,实现,生成bit流,导出硬件文件,进入vitis
创建工程后,进入bsp,如下所示,dma驱动 intc驱动,gpio驱动都在

编写代码后(代码在最后面),进入调试界面,下面是某一次dma接收之后的情况,18007FF0这个地址这行是上一次接收的末尾,红色这次接收的开始,正好是1-0x1000,共计4096个数,main函数里运行了三次传输,均为正确,第四次是错误传输的示例,表明开始信号是上升沿

DMA传输错误情况下不会产生DMA中断

下面是PL端ila的信号,感兴趣的可以自己设置触发条件查看通信情况,这里不再细说,毕竟功能上已经实现了。



最后是vitis的代码
点击查看代码
globals.h
#ifndef GLOBALS_H
#define GLOBALS_H
#include "xparameters.h"
#include "xil_printf.h"
#include "xil_cache.h"
#include "xaxidma.h"
#include "xgpio.h"
#include "xscugic.h"
#include "xintc.h"
#include "xil_io.h"
#define DDR_BASE_ADDR XPAR_PSU_DDR_0_S_AXI_BASEADDR //0x00000000 DDR基地址
#define AXI_DMA_0_ADDR DDR_BASE_ADDR //0x0000_0000-0x07FF_FFFF
#define AXI_DMA_1_ADDR (DDR_BASE_ADDR + 0x08000000) //0x0800_0000-0x0FFF_FFFF
#define AXI_DMA_2_ADDR (DDR_BASE_ADDR + 0x10000000) //0x1000_0000-0x17FF_FFFF
#define AXI_DMA_3_ADDR (DDR_BASE_ADDR + 0x18000000) //0x1800_0000-0x1FFF_FFFF
#define ONE_PKT_LENGTH 0x8000 //单次接收包长度
#define NUMBER_RECEIVE 0x1000 //总接收次数
typedef struct {
u8 DMA_ID;
XAxiDma *dma_inst;
u8 *base_addr;
u8 *current_addr;
u16 transfer_count;
u32 len;
volatile int transfer_end_flag;
unsigned int rx_intr_ID;
} DmaChannel;
DmaChannel dma_channels[4];
typedef struct {
XIntc *intc; // INTC控制器实例
DmaChannel *dma_channels; // DMA实例
} IntrContext;
IntrContext intrcontext[4];
// 全局变量
XAxiDma axi_dma_0; //AXI_DMA_0 实例
XAxiDma axi_dma_1; //AXI_DMA_1 实例
XAxiDma axi_dma_2; //AXI_DMA_2 实例
XAxiDma axi_dma_3; //AXI_DMA_3 实例
XGpio Gpio;
XScuGic intc; // 中断控制器
XIntc InterruptController; //* Instance of the Interrupt Controller */
int status;
// 状态标志
volatile int dma_transfer_start_flag; // DMA传输启动标志
#endif // GLOBALS_H
点击查看代码
my_init.h
#ifndef MY_INIT_H
#define MY_INIT_H
#include "globals.h"
#define DMA_0_DEV_ID XPAR_AXIDMA_0_DEVICE_ID //AXI_DMA_0-4的器件 ID
#define DMA_1_DEV_ID XPAR_AXIDMA_1_DEVICE_ID
#define DMA_2_DEV_ID XPAR_AXIDMA_2_DEVICE_ID
#define DMA_3_DEV_ID XPAR_AXIDMA_3_DEVICE_ID
#define GPIO_EXAMPLE_DEVICE_ID XPAR_GPIO_0_DEVICE_ID
#define DMA_0_RX_INTR_ID XPAR_INTC_0_AXIDMA_0_VEC_ID
#define DMA_1_RX_INTR_ID XPAR_INTC_0_AXIDMA_1_VEC_ID
#define DMA_2_RX_INTR_ID XPAR_INTC_0_AXIDMA_2_VEC_ID
#define DMA_3_RX_INTR_ID XPAR_INTC_0_AXIDMA_3_VEC_ID
/************************** Function Prototypes ******************************/
int dma_init_for_four_adc_dma(XAxiDma *axi_dma_0, XAxiDma *axi_dma_1, XAxiDma *axi_dma_2, XAxiDma *axi_dma_3,
DmaChannel *dma_channels_0, DmaChannel *dma_channels_1, DmaChannel *dma_channels_2, DmaChannel *dma_channels_3);
int GPIO_init(XGpio *Gpio);
#endif // MY_INIT_H
点击查看代码
my_init.c
#include "my_init.h"
int dma_init_for_four_adc_dma(XAxiDma *axi_dma_0, XAxiDma *axi_dma_1, XAxiDma *axi_dma_2, XAxiDma *axi_dma_3,
DmaChannel *dma_channels_0, DmaChannel *dma_channels_1, DmaChannel *dma_channels_2, DmaChannel *dma_channels_3);
static int dma_init(XAxiDma *axi_dma, u32 DMA_DEV_ID) ;
int dma_init_for_four_adc_dma(XAxiDma *axi_dma_0, XAxiDma *axi_dma_1, XAxiDma *axi_dma_2, XAxiDma *axi_dma_3,
DmaChannel *dma_channels_0, DmaChannel *dma_channels_1, DmaChannel *dma_channels_2, DmaChannel *dma_channels_3){
// DMA初始化
dma_init(axi_dma_0, DMA_0_DEV_ID);
dma_init(axi_dma_1, DMA_1_DEV_ID);
dma_init(axi_dma_2, DMA_2_DEV_ID);
dma_init(axi_dma_3, DMA_3_DEV_ID);
*dma_channels_0 = (DmaChannel){0, axi_dma_0, (u8 *)AXI_DMA_0_ADDR, (u8 *)AXI_DMA_0_ADDR, 0, ONE_PKT_LENGTH, 0, DMA_0_RX_INTR_ID};
*dma_channels_1 = (DmaChannel){1, axi_dma_1, (u8 *)AXI_DMA_1_ADDR, (u8 *)AXI_DMA_1_ADDR, 0, ONE_PKT_LENGTH, 0, DMA_1_RX_INTR_ID};
*dma_channels_2 = (DmaChannel){2, axi_dma_2, (u8 *)AXI_DMA_2_ADDR, (u8 *)AXI_DMA_2_ADDR, 0, ONE_PKT_LENGTH, 0, DMA_2_RX_INTR_ID};
*dma_channels_3 = (DmaChannel){3, axi_dma_3, (u8 *)AXI_DMA_3_ADDR, (u8 *)AXI_DMA_3_ADDR, 0, ONE_PKT_LENGTH, 0, DMA_3_RX_INTR_ID};
return XST_SUCCESS;
}
static int dma_init(XAxiDma *axi_dma, u32 DMA_DEV_ID) {
static XAxiDma_Config *config;
config = XAxiDma_LookupConfig(DMA_DEV_ID);
if (!config) {
xil_printf("No config found for %d\r\n", DMA_DEV_ID);
return XST_FAILURE;
}
status = XAxiDma_CfgInitialize(axi_dma, config);
if (status != XST_SUCCESS) {
xil_printf("Initialization failed %d\r\n", status);
return XST_FAILURE;
}
if (XAxiDma_HasSg(axi_dma)) {
xil_printf("Device configured as SG mode\r\n");
return XST_FAILURE;
}
return XST_SUCCESS;
}
int GPIO_init(XGpio *Gpio){
/* Initialize the GPIO driver */
int Status;
Status = XGpio_Initialize(Gpio, GPIO_EXAMPLE_DEVICE_ID);
if (Status != XST_SUCCESS) {
xil_printf("Gpio Initialization Failed\r\n");
return XST_FAILURE;
}
XGpio_SetDataDirection(Gpio, 1, 0);
return XST_SUCCESS;
}
点击查看代码
my_intr.h
#ifndef MY_INTR_H
#define MY_INTR_H
#include "globals.h"
#define INTC_DEVICE_ID XPAR_SCUGIC_SINGLE_DEVICE_ID //SCUGIC的器件 ID
#define INTC_Controller_DEVICE_ID XPAR_INTC_0_DEVICE_ID //INTC Controller的设备ID
#define INTC_Controller_INTR_ID XPAR_FABRIC_INTC_0_VEC_ID
#define RESET_TIMEOUT_COUNTER 10000 //复位时间
#define INTR_PRIORITY 0xA0
#define TRIGGER_TYPE 0x3
/************************** Function Prototypes ******************************/
int my_setup_XScuGic_init(XScuGic *xscugic_inst);
int my_Interrupt_Controller_init(XIntc *Interrupt_Controller, IntrContext *intrcontext_0, IntrContext *intrcontext_1, IntrContext *intrcontext_2, IntrContext *intrcontext_3,
DmaChannel *dma_channels_0, DmaChannel *dma_channels_1, DmaChannel *dma_channels_2, DmaChannel *dma_channels_3);
int my_Exception_start(void);
int setup_interrupts(XScuGic *intc, XIntc *InterruptController);
int platform_enable_interrupts(XScuGic *intc, XIntc *InterruptController, DmaChannel *dma_channels_0, DmaChannel *dma_channels_1, DmaChannel *dma_channels_2, DmaChannel *dma_channels_3);
int platform_disable_interrupts(XIntc *InterruptController, DmaChannel *dma_channels_0, DmaChannel *dma_channels_1, DmaChannel *dma_channels_2, DmaChannel *dma_channels_3);
#endif // MY_INTR_H
点击查看代码
my_intr.c
#include "my_intr.h"
int my_setup_XScuGic_init(XScuGic *xscugic_inst);
int my_Interrupt_Controller_init(XIntc *Interrupt_Controller, IntrContext *intrcontext_0, IntrContext *intrcontext_1, IntrContext *intrcontext_2, IntrContext *intrcontext_3,
DmaChannel *dma_channels_0, DmaChannel *dma_channels_1, DmaChannel *dma_channels_2, DmaChannel *dma_channels_3);
int my_Exception_start(void);
int setup_interrupts(XScuGic *intc, XIntc *InterruptController);
static void dma_rx_intr_handler(void *callback);
static void handle_dma_error(XAxiDma *axi_dma);
int platform_enable_interrupts(XScuGic *intc, XIntc *InterruptController, DmaChannel *dma_channels_0, DmaChannel *dma_channels_1, DmaChannel *dma_channels_2, DmaChannel *dma_channels_3);
int platform_disable_interrupts(XIntc *InterruptController, DmaChannel *dma_channels_0, DmaChannel *dma_channels_1, DmaChannel *dma_channels_2, DmaChannel *dma_channels_3);
int my_setup_XScuGic_init(XScuGic *xscugic_inst){
static XScuGic_Config *IntcConfig;
IntcConfig = XScuGic_LookupConfig(INTC_DEVICE_ID);
status = XScuGic_CfgInitialize(xscugic_inst, IntcConfig, IntcConfig -> CpuBaseAddress);
if (status != XST_SUCCESS) {
xil_printf("XScuGic_init failed %d\r\n", status);
return XST_FAILURE;
}
return XST_SUCCESS;
}
int my_Interrupt_Controller_init(XIntc *Interrupt_Controller, IntrContext *intrcontext_0, IntrContext *intrcontext_1, IntrContext *intrcontext_2, IntrContext *intrcontext_3,
DmaChannel *dma_channels_0, DmaChannel *dma_channels_1, DmaChannel *dma_channels_2, DmaChannel *dma_channels_3){
status = XIntc_Initialize(Interrupt_Controller, INTC_Controller_DEVICE_ID);
*intrcontext_0 = (IntrContext){Interrupt_Controller, dma_channels_0};
*intrcontext_1 = (IntrContext){Interrupt_Controller, dma_channels_1};
*intrcontext_2 = (IntrContext){Interrupt_Controller, dma_channels_2};
*intrcontext_3 = (IntrContext){Interrupt_Controller, dma_channels_3};
if (status != XST_SUCCESS) {
return XST_FAILURE;
}
return XST_SUCCESS;
}
int my_Exception_start(void){
Xil_ExceptionInit();
Xil_ExceptionRegisterHandler(XIL_EXCEPTION_ID_INT, (Xil_ExceptionHandler)XScuGic_InterruptHandler, &intc);
Xil_ExceptionEnable();
return XST_SUCCESS;
}
// 建立中断系统
int setup_interrupts(XScuGic *intc, XIntc *InterruptController) {
status = XScuGic_Connect(intc,INTC_Controller_INTR_ID, (Xil_ExceptionHandler)XIntc_InterruptHandler, InterruptController);
if (status != XST_SUCCESS) {
xil_printf("Failed to connect GIC_InterruptHandler\r\n");
return XST_FAILURE;
}
//设置INTC中断控制器的优先级
XScuGic_SetPriorityTriggerType(intc,INTC_Controller_INTR_ID,0xA0,0x03);
// 注册中断服务程序(示例:4个DMA中断)
status = XIntc_Connect(InterruptController, dma_channels[0].rx_intr_ID, (XInterruptHandler)dma_rx_intr_handler, &intrcontext[0]);
if (status != XST_SUCCESS) {
xil_printf("Failed to connect dma_0_rx_intr_handler\r\n");
return XST_FAILURE;
}
status = XIntc_Connect(InterruptController, dma_channels[1].rx_intr_ID, (XInterruptHandler)dma_rx_intr_handler, &intrcontext[1]);
if (status != XST_SUCCESS) {
xil_printf("Failed to connect dma_1_rx_intr_handler\r\n");
return XST_FAILURE;
}
status = XIntc_Connect(InterruptController, dma_channels[2].rx_intr_ID, (XInterruptHandler)dma_rx_intr_handler, &intrcontext[2]);
if (status != XST_SUCCESS) {
xil_printf("Failed to connect dma_2_rx_intr_handler\r\n");
return XST_FAILURE;
}
status = XIntc_Connect(InterruptController, dma_channels[3].rx_intr_ID, (XInterruptHandler)dma_rx_intr_handler, &intrcontext[3]);
if (status != XST_SUCCESS) {
xil_printf("Failed to connect dma_3_rx_intr_handler\r\n");
return XST_FAILURE;
}
return XST_SUCCESS;
}
// 中断处理函数
static void dma_rx_intr_handler(void *callback) {
IntrContext *ctx = (IntrContext *)callback;
XIntc *intc = ctx->intc;
DmaChannel *dma_channels = ctx->dma_channels;
XAxiDma *axi_dma = dma_channels->dma_inst;
u32 irq_status = XAxiDma_IntrGetIrq(axi_dma, XAXIDMA_DEVICE_TO_DMA);
XAxiDma_IntrAckIrq(axi_dma, irq_status, XAXIDMA_DEVICE_TO_DMA);
//xil_printf("irq_status_0 is: 0x%08X\n", irq_status);
if (!(irq_status & XAXIDMA_IRQ_ALL_MASK)) {
return;
}
if (irq_status & XAXIDMA_IRQ_ERROR_MASK) {
handle_dma_error(axi_dma);
}
if (irq_status & XAXIDMA_IRQ_IOC_MASK) {
dma_channels->transfer_count++;
dma_channels->current_addr += dma_channels->len;
xil_printf("dma_0_rx_done_cnt is: %d\n", dma_channels->transfer_count);
dma_channels->transfer_end_flag = 1;
}
XIntc_Acknowledge(intc, dma_channels->rx_intr_ID);
}
static void handle_dma_error(XAxiDma *axi_dma) {
XAxiDma_Reset(axi_dma);
int timeout = RESET_TIMEOUT_COUNTER;
while (timeout) {
if(XAxiDma_ResetIsDone(axi_dma)) {
break;
}
timeout -= 1;
}
if (!timeout) {
}
}
int platform_enable_interrupts(XScuGic *intc, XIntc *InterruptController,
DmaChannel *dma_channels_0, DmaChannel *dma_channels_1, DmaChannel *dma_channels_2, DmaChannel *dma_channels_3){
/* Start the interrupt controller */
status = XIntc_Start(InterruptController, XIN_REAL_MODE);
if (status != XST_SUCCESS) {
xil_printf("Failed to start intc\r\n");
return XST_FAILURE;
}
XScuGic_Enable(intc, INTC_Controller_INTR_ID); //使能 GIC 中的 INTC 中断
XIntc_Enable(InterruptController, dma_channels_0->rx_intr_ID);
XIntc_Enable(InterruptController, dma_channels_1->rx_intr_ID);
XIntc_Enable(InterruptController, dma_channels_2->rx_intr_ID);
XIntc_Enable(InterruptController, dma_channels_3->rx_intr_ID);
XAxiDma_IntrDisable(dma_channels_0->dma_inst, XAXIDMA_IRQ_ALL_MASK, XAXIDMA_DMA_TO_DEVICE);
XAxiDma_IntrDisable(dma_channels_1->dma_inst, XAXIDMA_IRQ_ALL_MASK, XAXIDMA_DMA_TO_DEVICE);
XAxiDma_IntrDisable(dma_channels_2->dma_inst, XAXIDMA_IRQ_ALL_MASK, XAXIDMA_DMA_TO_DEVICE);
XAxiDma_IntrDisable(dma_channels_3->dma_inst, XAXIDMA_IRQ_ALL_MASK, XAXIDMA_DMA_TO_DEVICE);
XAxiDma_IntrDisable(dma_channels_0->dma_inst, XAXIDMA_IRQ_ALL_MASK, XAXIDMA_DEVICE_TO_DMA);
XAxiDma_IntrDisable(dma_channels_1->dma_inst, XAXIDMA_IRQ_ALL_MASK, XAXIDMA_DEVICE_TO_DMA);
XAxiDma_IntrDisable(dma_channels_2->dma_inst, XAXIDMA_IRQ_ALL_MASK, XAXIDMA_DEVICE_TO_DMA);
XAxiDma_IntrDisable(dma_channels_3->dma_inst, XAXIDMA_IRQ_ALL_MASK, XAXIDMA_DEVICE_TO_DMA);
//XAxiDma_IntrEnable(&axi_dma, XAXIDMA_IRQ_ALL_MASK, XAXIDMA_DMA_TO_DEVICE);
XAxiDma_IntrEnable(dma_channels_0->dma_inst, XAXIDMA_IRQ_ALL_MASK, XAXIDMA_DEVICE_TO_DMA);
XAxiDma_IntrEnable(dma_channels_1->dma_inst, XAXIDMA_IRQ_ALL_MASK, XAXIDMA_DEVICE_TO_DMA);
XAxiDma_IntrEnable(dma_channels_2->dma_inst, XAXIDMA_IRQ_ALL_MASK, XAXIDMA_DEVICE_TO_DMA);
XAxiDma_IntrEnable(dma_channels_3->dma_inst, XAXIDMA_IRQ_ALL_MASK, XAXIDMA_DEVICE_TO_DMA);
/* Enable interrupts from the hardware */
return XST_SUCCESS;
}
int platform_disable_interrupts(XIntc *InterruptController, DmaChannel *dma_channels_0, DmaChannel *dma_channels_1, DmaChannel *dma_channels_2, DmaChannel *dma_channels_3) {
// 先禁用DMA中断
XAxiDma_IntrDisable(dma_channels_0->dma_inst, XAXIDMA_IRQ_ALL_MASK, XAXIDMA_DEVICE_TO_DMA);
XAxiDma_IntrDisable(dma_channels_1->dma_inst, XAXIDMA_IRQ_ALL_MASK, XAXIDMA_DEVICE_TO_DMA);
XAxiDma_IntrDisable(dma_channels_2->dma_inst, XAXIDMA_IRQ_ALL_MASK, XAXIDMA_DEVICE_TO_DMA);
XAxiDma_IntrDisable(dma_channels_3->dma_inst, XAXIDMA_IRQ_ALL_MASK, XAXIDMA_DEVICE_TO_DMA);
XIntc_Disconnect(InterruptController, dma_channels_0->rx_intr_ID);
XIntc_Disconnect(InterruptController, dma_channels_1->rx_intr_ID);
XIntc_Disconnect(InterruptController, dma_channels_2->rx_intr_ID);
XIntc_Disconnect(InterruptController, dma_channels_3->rx_intr_ID);
//XAxiDma_IntrDisable(&axi_dma, XAXIDMA_IRQ_ALL_MASK, XAXIDMA_DMA_TO_DEVICE);
//XAxiDma_IntrDisable(&axi_dma, XAXIDMA_IRQ_ALL_MASK, XAXIDMA_DEVICE_TO_DMA);
//XScuGic_Disconnect(&intc, DMA_TX_INTR_ID);
//XScuGic_Disconnect(&intc, DMA_RX_INTR_ID);
//XScuGic_Disable(&intc, DMA_TX_INTR_ID);
//XScuGic_Disable(&intc, DMA_RX_INTR_ID);
return XST_SUCCESS;
}
点击查看代码
my_code.h
#ifndef MY_CODE_H
#define MY_CODE_H
#include "globals.h"
/************************** Function Prototypes ******************************/
int dma_receive_for_four_adc_data();
#endif // MY_CODE_H
点击查看代码
my_code.c
#include "my_code.h"
int dma_receive_for_four_adc_data();
int dma_receive_for_four_adc_data(){
// 启动初始传输
for(int i = 0; i < 4; i++) {
xil_printf("XAxiDma_SimpleTransfer at address %08X and length %d\n", dma_channels[i].current_addr, dma_channels[i].len);
status = XAxiDma_SimpleTransfer(dma_channels[i].dma_inst, (UINTPTR)dma_channels[i].current_addr, dma_channels[i].len, XAXIDMA_DEVICE_TO_DMA);
if(status != XST_SUCCESS) {
xil_printf("XAxiDma_SimpleTransfer %d failed at 0x%08X \n", i ,status);
return XST_FAILURE;
}
Xil_DCacheFlushRange((UINTPTR)dma_channels[i].current_addr, dma_channels[i].len);
//dma_channels[i].transfer_count++;
//dma_channels[i].current_addr += 256;
//xil_printf("XAxiDma_SimpleTransfer %d start \n", i);
}
return XST_SUCCESS;
}
点击查看代码
main.c
#include "my_init.h"
#include "my_intr.h"
#include "my_code.h"
#include "globals.h"
int main( ){
Xil_ICacheEnable();
Xil_DCacheEnable();
xil_printf("\r\n--- Entering main() --- \r\n");
// 1.4个DMA以及GPIO初始化
dma_init_for_four_adc_dma(&axi_dma_0, &axi_dma_1, &axi_dma_2, &axi_dma_3,&dma_channels[0], &dma_channels[1],&dma_channels[2],&dma_channels[3]);
GPIO_init(&Gpio);
// 2.初始化 XScuGIC、Interrupt_Controller、注册异常以及建立中断系统
my_setup_XScuGic_init(&intc);
my_Interrupt_Controller_init(&InterruptController, &intrcontext[0], &intrcontext[1], &intrcontext[2], &intrcontext[3],
&dma_channels[0], &dma_channels[1], &dma_channels[2], &dma_channels[3]);
my_Exception_start();
setup_interrupts(&intc, &InterruptController);
// 3.开启其他中断
platform_enable_interrupts(&intc, &InterruptController, &dma_channels[0], &dma_channels[1], &dma_channels[2], &dma_channels[3]);
xil_printf("\r\n--- start first --- \r\n");
XGpio_DiscreteWrite(&Gpio, 1, 0x1);
xil_printf("\r\n--- fifo is ok --- \r\n");
dma_receive_for_four_adc_data();
xil_printf("\r\n--- dma_receive is ok --- \r\n");
XGpio_DiscreteWrite(&Gpio, 1, 0x0);
xil_printf("\r\n--- start secend --- \r\n");
XGpio_DiscreteWrite(&Gpio, 1, 0x1);
xil_printf("\r\n--- fifo is ok --- \r\n");
dma_receive_for_four_adc_data();
xil_printf("\r\n--- dma_receive is ok --- \r\n");
XGpio_DiscreteWrite(&Gpio, 1, 0x0);
xil_printf("\r\n--- start third --- \r\n");
XGpio_DiscreteWrite(&Gpio, 1, 0x1);
xil_printf("\r\n--- fifo is ok --- \r\n");
dma_receive_for_four_adc_data();
xil_printf("\r\n--- dma_receive is ok --- \r\n");
xil_printf("\r\n--- start fourth for error --- \r\n");
XGpio_DiscreteWrite(&Gpio, 1, 0x1);
xil_printf("\r\n--- fifo is ok --- \r\n");
dma_receive_for_four_adc_data();
xil_printf("\r\n--- dma_receive is ok --- \r\n");
//开始循环
return XST_SUCCESS;
}
点击查看代码
`timescale 1ns / 1ps
//////////////////////////////////////////////////////////////////////////////////
// Company:
// Engineer:
//
// Create Date: 2025/04/04 18:45:06
// Design Name:
// Module Name: data_generate
// Project Name:
// Target Devices:
// Tool Versions:
// Description:
//
// Dependencies:
//
// Revision:
// Revision 0.01 - File Created
// Additional Comments:
//
//////////////////////////////////////////////////////////////////////////////////
`timescale 1 ns / 1 ps
module data_generate #(
// Users to add parameters here
// User parameters ends
// Do not modify the parameters beyond this line
// Width of S_AXIS address bus. The slave accepts the read and write addresses of width C_M_AXIS_TDATA_WIDTH.
parameter integer C_M_AXIS_TDATA_WIDTH = 64,
// Start count is the number of clock cycles the master will wait before initiating/issuing any transaction.
parameter integer C_M_START_COUNT = 32
)
(
// Users to add ports here
input wire GPIO_start_flag,
// User ports ends
// Do not modify the ports beyond this line
// Global ports
input wire M_AXIS_ACLK,
//
input wire M_AXIS_ARESETN,
// Master Stream Ports. TVALID indicates that the master is driving a valid transfer, A transfer takes place when both TVALID and TREADY are asserted.
output wire M_AXIS_TVALID,
// TDATA is the primary payload that is used to provide the data that is passing across the interface from the master.
output wire [C_M_AXIS_TDATA_WIDTH-1 : 0] M_AXIS_TDATA,
// TSTRB is the byte qualifier that indicates whether the content of the associated byte of TDATA is processed as a data byte or a position byte.
output wire [(C_M_AXIS_TDATA_WIDTH/8)-1 : 0] M_AXIS_TSTRB,
// TLAST indicates the boundary of a packet.
output wire M_AXIS_TLAST,
// TREADY indicates that the slave can accept a transfer in the current cycle.
input wire M_AXIS_TREADY
);
// Total number of output data
localparam NUMBER_OF_OUTPUT_WORDS = 4096;
// function called clogb2 that returns an integer which has the
// value of the ceiling of the log base 2.
function integer clogb2 (input integer bit_depth);
begin
for(clogb2=0; bit_depth>0; clogb2=clogb2+1)
bit_depth = bit_depth >> 1;
end
endfunction
// WAIT_COUNT_BITS is the width of the wait counter.
localparam integer WAIT_COUNT_BITS = clogb2(C_M_START_COUNT-1);
// bit_num gives the minimum number of bits needed to address 'depth' size of FIFO.
localparam bit_num = clogb2(NUMBER_OF_OUTPUT_WORDS);
// Define the states of state machine
// The control state machine oversees the writing of input streaming data to the FIFO,
// and outputs the streaming data from the FIFO
localparam [1:0] IDLE = 2'b00, // This is the initial/idle state
INIT_COUNTER = 2'b01, // This state initializes the counter, once
// the counter reaches C_M_START_COUNT count,
// the state machine changes state to SEND_STREAM
SEND_STREAM = 2'b10; // In this state the
// stream data is output through M_AXIS_TDATA
// State variable
reg [1:0] mst_exec_state;
// Example design FIFO read pointer
reg [bit_num-1:0] read_pointer;
// AXI Stream internal signals
//wait counter. The master waits for the user defined number of clock cycles before initiating a transfer.
reg [WAIT_COUNT_BITS-1 : 0] count;
//streaming data valid
wire axis_tvalid;
//streaming data valid delayed by one clock cycle
reg axis_tvalid_delay;
//Last of the streaming data
wire axis_tlast;
//Last of the streaming data delayed by one clock cycle
reg axis_tlast_delay;
//FIFO implementation signals
reg [C_M_AXIS_TDATA_WIDTH-1 : 0] stream_data_out;
wire tx_en;
//The master has issued all the streaming data stored in FIFO
reg tx_done;
// I/O Connections assignments
assign M_AXIS_TVALID = axis_tvalid_delay;
assign M_AXIS_TDATA = stream_data_out;
assign M_AXIS_TLAST = axis_tlast_delay;
assign M_AXIS_TSTRB = {(C_M_AXIS_TDATA_WIDTH/8){1'b1}};
// Control state machine implementation
always @(posedge M_AXIS_ACLK)
begin
if (!M_AXIS_ARESETN)
// Synchronous reset (active low)
begin
mst_exec_state <= IDLE;
count <= 0;
end
else
case (mst_exec_state)
IDLE:
// The slave starts accepting tdata when
// there tvalid is asserted to mark the
// presence of valid streaming data
//if ( count == 0 )
begin
mst_exec_state <= INIT_COUNTER;
count <= 0;
end
//else
// begin
// mst_exec_state <= IDLE;
// end
INIT_COUNTER:
// The slave starts accepting tdata when
// there tvalid is asserted to mark the
// presence of valid streaming data
if ( count == C_M_START_COUNT - 1 )
begin
mst_exec_state <= SEND_STREAM;
end
else
begin
count <= count + 1;
mst_exec_state <= INIT_COUNTER;
end
SEND_STREAM:
// The example design streaming master functionality starts
// when the master drives output tdata from the FIFO and the slave
// has finished storing the S_AXIS_TDATA
if (tx_done)
begin
mst_exec_state <= IDLE;
end
else
begin
mst_exec_state <= SEND_STREAM;
end
endcase
end
reg GPIO_start_flag_delay;
wire start_flag;
assign start_flag = ((GPIO_start_flag)&&(!GPIO_start_flag_delay));
always @(posedge M_AXIS_ACLK) begin
if (!M_AXIS_ARESETN) begin
GPIO_start_flag_delay <= 1'd0;
end else begin
GPIO_start_flag_delay <= GPIO_start_flag;
end
end
reg wr_en;
always @(posedge M_AXIS_ACLK) begin
if (!M_AXIS_ARESETN) begin
wr_en <= 1'd0;
end else if (start_flag) begin
wr_en <= 1'd1;
end else if (tx_done) begin
wr_en <= 1'd0;
end
end
//tvalid generation
//axis_tvalid is asserted when the control state machine's state is SEND_STREAM and
//number of output streaming data is less than the NUMBER_OF_OUTPUT_WORDS.
assign axis_tvalid = ((wr_en)&&(mst_exec_state == SEND_STREAM) && (read_pointer < NUMBER_OF_OUTPUT_WORDS));
// AXI tlast generation
// axis_tlast is asserted number of output streaming data is NUMBER_OF_OUTPUT_WORDS-1
// (0 to NUMBER_OF_OUTPUT_WORDS-1)
assign axis_tlast = ((read_pointer == NUMBER_OF_OUTPUT_WORDS-1)&&(tx_en));
// Delay the axis_tvalid and axis_tlast signal by one clock cycle
// to match the latency of M_AXIS_TDATA
always @(posedge M_AXIS_ACLK)
begin
if (!M_AXIS_ARESETN)
begin
axis_tvalid_delay <= 1'b0;
axis_tlast_delay <= 1'b0;
end
else
begin
axis_tvalid_delay <= axis_tvalid;
axis_tlast_delay <= axis_tlast;
end
end
//read_pointer pointer
always@(posedge M_AXIS_ACLK) begin
if(!M_AXIS_ARESETN) begin
read_pointer <= 0;
tx_done <= 1'b0;
end else case (mst_exec_state)
SEND_STREAM :begin
if (read_pointer <= NUMBER_OF_OUTPUT_WORDS-1) begin
tx_done <= 1'b0;
if (tx_en)
// read pointer is incremented after every read from the FIFO
// when FIFO read signal is enabled.
begin
read_pointer <= read_pointer + 1;
end
end else begin
// tx_done is asserted when NUMBER_OF_OUTPUT_WORDS numbers of streaming data
// has been out.
tx_done <= 1'b1;
end
end
default: begin
read_pointer <= 0;
tx_done <= 1'b0;
end
endcase
end
//FIFO read enable generation
assign tx_en = M_AXIS_TREADY && axis_tvalid;
// Streaming output data is read from FIFO
always @( posedge M_AXIS_ACLK )
begin
if(!M_AXIS_ARESETN)
begin
stream_data_out <= 1;
end
else if (tx_en)// && M_AXIS_TSTRB[byte_index]
begin
stream_data_out <= read_pointer + 32'b1;
end
end
// Add user logic here
// User logic ends
endmodule

浙公网安备 33010602011771号