摘要: 简介 本来一开始用 nodejs 写的,考虑大小、易操作、高性能、跨平台以及环境等问题,我就想能不能搞个不需依赖开发语言环境就能运行的。所以我就选择 go并且它本身就具备以上优点。作者本身是java开发,第一次使用 go所以过程也是比较艰难,好在 GPT 在学习一门新的开发语言方面还是相当给力!💪 阅读全文
posted @ 2024-05-20 10:37 天葬 阅读(1462) 评论(0) 推荐(1)
摘要: YOLOv8-Pose 模型检测人体17个关键点,想检测其他物体的关键点只能通过训练自己的模型来实现,文章记录训练自定义模型识别指定图形全过程。 一、准备工作 使用 labelme 标注工具可以标注点和一些自定义形状图形。labelme 默认输出的格式是 json 不能直接用来训练 YOLO ,所以 阅读全文
posted @ 2026-01-27 15:14 天葬 阅读(394) 评论(0) 推荐(0)
摘要: Jetson TX2 系统版本:JetPack 4.6.1 (对应 L4T R32.6.1) 架构:aarch64(ARM 64) CUDA 版本:10.2 python 3.6 背景介绍 ​ 最近在做关于视频流处理方面项目,接触到NVIDIA 的边缘盒子,就尝试着看在边缘盒子上能不能运行 yolo 阅读全文
posted @ 2025-10-17 09:30 天葬 阅读(94) 评论(0) 推荐(0)
摘要: 信支付在 H5 页面中有一定的接入门槛和限制,本文记录了在开发微信 H5 支付过程中的一些关键点与踩坑经验,适合使用 Vue 框架开发的项目参考 微信支付方式对比 微信支付主要有两种 H5 接入方式: 方式一:微信官方 H5 支付(H5 场景支付) 优点: 不需要服务号,也不需要获取 openid。 阅读全文
posted @ 2025-07-30 15:42 天葬 阅读(754) 评论(0) 推荐(0)
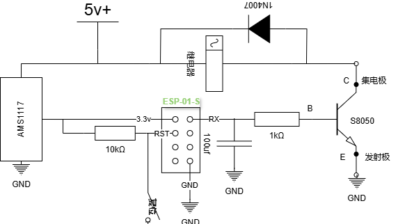
摘要: EPS-01S 刷 Tasmota 固件手搓继电器开关 网上有卖这种 WiFi 继电器,自己手动实现这个 WiFi 继电器(硬件小白),操作时请注意用电安全。 元器件清单 序号 元件名称 型号 / 参数 数量 作用说明 1 WiFi 模块 ESP-01S 1 实现 WiFi 联网,接收远程控制指令 2 继电器 JQC-3FF-S-Z 1 控制交流电通断, 阅读全文
posted @ 2025-06-15 14:59 天葬 阅读(503) 评论(0) 推荐(0)
摘要: Share-Text Share-Text Share-Text 是一款基于 Web 的共享剪切板内容服务,旨在为相同公网 IP 或局域网内的设备提供文本内容共享功能。支持加密共享,阅后即焚,且所有共享内容将在 10 分钟后自动删除。该项目使用 Go 开发,数据存储使用 SQLite 数据库。 功能特点 公网和局域网共享 阅读全文
posted @ 2025-04-23 17:25 天葬 阅读(115) 评论(0) 推荐(0)
摘要: 解决 h5 页面安卓手机播放视频正常,苹果高版本系统无法加载视频问题,主要出现的 iOS 18 以上系统。 NotSupportedError iOS Safari 一般支持 MP4(H.264 + AAC), 特别依赖视频头部 metadata。如果视频是通过服务端动态拼接或未优化打包,很可能在 阅读全文
posted @ 2025-04-11 10:01 天葬 阅读(1551) 评论(0) 推荐(0)
摘要: Ollama 模型迁移备份工具 ollamab 背景 ollama 模型和相关配置文件默认都放在 models 文件夹下,想要把指定模型迁移到其他电脑比较麻烦,所以就有了该工具。还有就是模型下载本身就慢,一次下载多台使用减少下载次数。最重要的是公司电脑下载快,家里下载慢,在公司下载拷贝回家用 😄 如何使用 下载地址: Window ollama 阅读全文
posted @ 2025-02-18 09:47 天葬 阅读(1788) 评论(2) 推荐(1)
摘要: 自签浏览器授信 CA 证书 此服务器无法证实它就是 127.0.0.1 - 它的安全证书没有指定主题备用名称。这可能是因为某项配置有误或某个攻击者拦截了您的连接 自签 SSL 证书浏览器不授信,提示连接不安全解决办法,自签证书时增加 SAN 信息,将证书添加到受信任的根证书颁发机构 前后对比 配置前 配置后 主题备用名称(SA 阅读全文
posted @ 2024-12-03 09:00 天葬 阅读(910) 评论(0) 推荐(0)
摘要: 前提条件 FontCreator 字体编辑工具:查找网络字码点或字形名称 Umi-OCR 文字识别工具:用来识别 FontCreator 中的字形 同时你需要一点点 js 知识和对未知的探索精神 🙃 查找加密字体 F12 或 Ctrl + Shift + C 或 Ctrl + Shift + J 阅读全文
posted @ 2024-11-22 09:05 天葬 阅读(174) 评论(0) 推荐(0)
摘要: AutoX 脚本 GitHub:AutoX 开发文档:Doc VSCode插件:Auto.js-Autox.js-VSCodeExt 一个支持无障碍服务的 Android 平台上的 JavaScript 运行环境 和 开发环境,其发展目标是类似 JsBox 和 Workflow。 前提条件 你需要一 阅读全文
posted @ 2024-11-04 15:36 天葬 阅读(304) 评论(0) 推荐(0)