第6组小程序设计文档
第6组项目设计文档
项目背景及需求
该说明书为PASS模型智力测验开发团队的需求分析说明书。该说明书对本小程序做了全面的需求分析,明确所要开发的小程序应具有的功能及其面向的用户群体,使系统人员及开发人员能根据文档进行开发, 达到预期效果。
开发背景
PASS模型是加拿大心理学家戴斯、纳格利尔里、柯尔比等人在“必须把智力视作认知过程来重构智力概念”的思想指导下,经过多年的理论和试验的研究论证而提出来的。PASS模型是沿着“认知革命”开辟的研究智力的新途径,认为是为编制不同于IQ测验的新的智力测量提供一个“健全的的理论基础”。戴斯及其助手提出的智力PASS模型这三级认知功能系统中所包含的四种认知过程的缩写。同时性加工和继时性加工是功能平行的两个认知过程,它们构成一个系统。注意系统又成为注意—唤醒系统。三个功能系统是分层级的。注意系统是基础,同时性加工—继时性加工处于中间层次,计划系统为最高层次。三个系统的协调工作保证了一切智能活动的运行。三个机能单元彼此之间有一种动态联系,在这种动态联系中,他们对个体的经验做出反应,服从于发展的变化,并形成相互联系的系统。本团队旨在通过该以PASS模型为依据的智力测验小程序发展孩子们的思维能力,提高孩子们的注意力等。
开发工具
微信开发者平台
总体设计
本文档对我们组开发的PASS测试小程序的详细设计和代码实现进行展示。
前端界面展示

舒尔特方块

连接能手

听声辩意

图形记忆

图形推理

字词回忆

思维导图

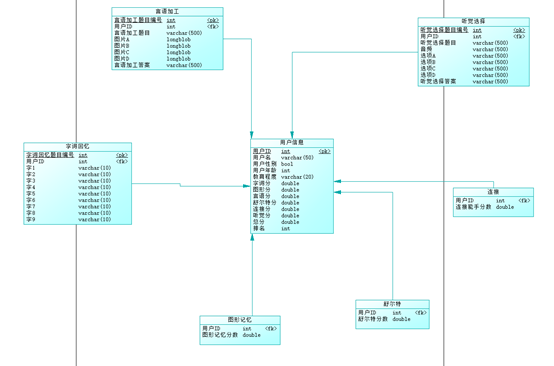
数据流图

ER图

模块分析
主界面
设计思路:页面上方显示用户头像,用户名、宝贝年龄,以及获得的星星(若在测试中取得A成绩将会亮起一颗星),下方用选项卡布局实现训练模式,测试模式,分析报告,在训练模式中完成测试不会 记录成绩,在测试模式中完成测试会记录成绩并在返回界面中显示,用户在结束测试可以点击分析报告查看报告。
过度动画页
动画设计思路:用户点击游戏时弹出,在弹出的内容中打印出游戏规则,在动画结束后出现两个按钮,测试者可以自主选择演示动画或者开始测试。
分析报告界面
分析报告界面总共有三部分组成,最上面一层是采用了echarts雷达图的形式呈现。总共有6条数据,分别是舒尔特方块,连接能手,听声辩位,图形记忆,图形推理,字词回忆的最高成绩。再往下就是各能力开发进度,用于向家长展示孩子目前的能力如何。最后则是历史成绩,上面会展示孩子所做的历史测试。
个人信息修改界面
个人信息界面主要用于家长填写孩子的个人信息,家长可以在这一界面修改孩子的性别,年龄信息,其中年龄分为学龄前以及小学。
文字分析界面
文字分析报告页会显示PASS模型中,四个界面中会显示计划,注意力,同时性,继时性四个方面的分析报告,分析报告的内容会根据孩子的成绩来给出对应的报告。总共分为3个档次,80分以上,60-80分之间以及60分以下。
舒尔特方块
游戏规则:屏幕中会出现3x3,4x4…的矩阵,在矩阵中的方块中会填入打乱顺序的数字,要求测试者能够在规定的时间中按照规定的数字顺序依次点击包含该数字的按钮,直到全部 完成。游戏一共有3关,第一关为33的矩阵,后续2关难度依次增加,分别为44,5*5的矩阵。
评判标准:完成3关的总时间小于1分30秒,成绩为A;
完成3关的总时间在1分30秒至2分钟内,成绩为B;
完成3关的总时间在2分钟至2分30秒内,成绩为C;
完成3关的总时间在2分30秒至3分钟内,成绩为D;
完成3关的总时间在3分钟以上,成绩为E;
字词回忆
规则:电视机屏幕中将会以相同的速度闪过若干汉字,你需记住这些汉字出现的顺序,在动画结束后,屏幕下方会出现九个汉字按钮,请在规定时间内按你记住的顺序依次点击对应的按钮。
游戏设计目标: 测试儿童的继时性加工能力。
游戏评定标准: 规定时间内答对得分,答错不得分,未在规定时间内完成作答视为答错,最后分数为90分以上,成绩为A;70分以上为B;60分以上为C;50分以上为D,其他为E。
计划能手
测试规则:该游戏要求测试者在屏幕指定区域按照底部小人的提示下以一定逻辑经行数字或者字母的连接。本游戏分为四个关卡,前两关为基础逻辑的连接,后两关为指定逻辑的连接。
测试目的:通过本次测试,我们希望小朋友能够在屏幕中的刺激连接成有序列的刺激。通过简单的序列如123...,ABC...和复杂的序列如12ABcd...,从而能够测试出小朋友的计划连接能力。
图形记忆游戏
(1)游戏规则:屏幕中会出现3x3 或者 4x4的矩阵,每隔一秒出现一个红色方块,你需要按照它们出现的顺序依次将他们复原。若出现的方块是橙色的,你需要按照方块出现的逆序将他们复原。若先出现红色后出现橙色,则要先按顺序复原红色方块,再逆序复原橙色方块。
(2) 评判标准:
完成3关的总时间小于30秒,成绩为A;
完成3关的总时间在30秒到60秒之间,成绩为B;
完成3关的总时间在60秒到90秒之间,成绩为C;
完成3关的总时间在90秒到120秒之间,成绩为D;
完成3关的总时间超过120秒,成绩为D;
矩阵推理游戏
(1)游戏规则:屏幕中会出现五张图片,上面一张是题目,下面四张是选项。你需要根据题目出现的图形提示,从下面四张图片中选择接下来会出现的图形作为答案。
(2) 评判标准:
答对2关,并且总时间小于120秒,成绩为A;
答对2关,并且总时间小于180秒,成绩为B;
答对1关,并且总时间小于120秒,成绩为C;
答对1关,总时间在120秒到180秒之间,成绩为D;
答对0关,成绩为D;
听声辩意
测试规则:一共分为10关,每一关小程序会随机播放一段音频,请你从四个选项中选出音频中出现的词语。(保证随机)
测试目的:通过本次测试,希望年轻的朋友们有良好的听觉选择注意能力,通过短时间的注意力集中捕捉到音频中的关键信息,从而提升在听内容时的注意力。
各成员分工(附博客链接)
318011349何科:视觉搜索游戏设计+代码编写、个人信息界面原型设计+代码编写,需求文档
31801148杨守概:字词回忆游戏设计+代码编写、主界面代码编写

浙公网安备 33010602011771号