【EPS32硬件】ESP32最小系统绘制
以ESP32-WROOM-32E原理图为例
模组原理图


外围设计原理图

● EPAD 管脚 39 可以不焊接到底板。如果您想将 EPAD 焊接到底板,请确保使用适量焊膏,避免过量焊膏造成模组与底板距离过大,影响管脚与底板之间的贴合。
● 为确保 ESP32 芯片上电时的供电正常, EN 管脚处需要增加 RC 延迟电路。 RC 通常建议为 R = 10 kΩ, C =1 µF,但具体数值仍需根据模组电源的上电时序和芯片的上电复位时序进行调整。
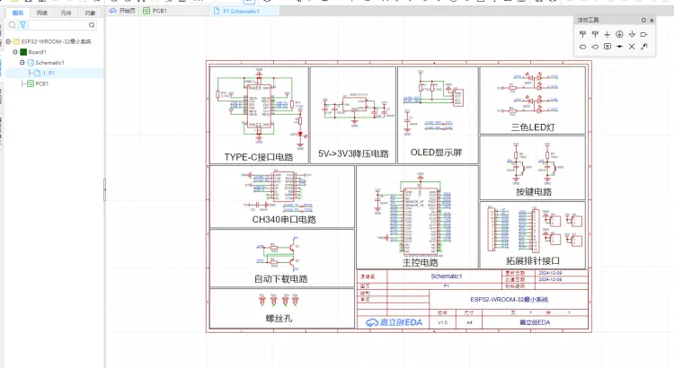
ESP32-WROOM-32E最小系统设计
整体设计采用立创EDA设计
原理图设计

PCB Layout

3D预览

焊接后烧录测试
初次焊接,焊工不太好,只焊接了几个主要芯片,测试板子功能,后面会再焊接一版完整版

焊接后,实际测试ESP32无法烧录,具体错误是,使用ESP32烧录工具烧录,会直接报ERROR。
问题排查:
1.使用万用表测试了板子的所有电源,电源接地都无问题
2.板子接到PC上,可以正常识别出串口,那么CH340也工作正常
3.猜测可能ESP32的启动模式的原因
经过阅读ESP32芯片手册的启动模式章节,找到了原因,这个板子的自动下载电路有点问题,需要手动下载,具体操作步骤如下:
1.启动烧录上位机flash_download_tool_3.9.7.exe,选中要升级的固件,填写烧录的起始地址
2.板子上电,按住SW1按键,然后按下Reset按键后松开,此时ESP32就进入了Joint DownLoad Boot模式
3.点击Start,上位机就能识别到ESP32信息,并执行烧录过程,开始跑进度条后,SW1按键就可以松开了
4.烧录成功后,上位机显示FINISH完成

5.打开串口工具测试,ESP32正常吐出MicroPython Log

总结
好久没摸硬件了,先做一个简单的最小系统练练手,有很多地方做的不好,还需要精进(PS:烙铁不行焊起来是真费劲)
参考立创开源:
https://oshwhub.com/course-examples/dan-pian-ji-esp32-zui-xiao-xi-tong-ban-xiang-mu
datasheet详见:
esp32-wroom-32e_esp32-wroom-32ue_datasheet_cn.pdf
贴片LED正负极区分:
https://blog.csdn.net/chenhuanqiangnihao/article/details/115673959

浙公网安备 33010602011771号