【从零开始实现stm32无刷电机FOC】【理论1/3】【 电机旋转本质】
电机旋转需要什么样的力?
电机切向存在受力,电机就会旋转。
进一步查看电机结构,分为转子和定子,大部分情况下,无刷电机的转子为永磁体,定子为多个等间距的线圈。我们先从最简化的三相无刷电机入手。
从图中可知,电机旋转问题进一步转化为转子旋转问题,电机切向受力转化为转子切向受力。
力具有方向和强度,我们将力看作一个矢量。
后文将混用永磁体与转子两个词语。
怎么产生力矢量?
力的产生来自于磁力。三相无刷电机有三个线圈,通电产生的磁性可以合成为一个磁矢量,与永磁体本身的磁矢量相互作用产生磁力。为了后续画图方便,约定磁矢量为N极指向S极。由于线圈在电路中是Y型连接,所以三个线圈磁性无法同时相同。
当这两个磁矢量不共线时,转子存在切向的分力,转子受力旋转。当两个磁矢量垂直时,转子切向受力最大。
力矢量的问题进一步转化为线圈磁矢量问题。
怎么产生任意的线圈磁矢量?
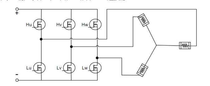
线圈通电会产生磁性,我们先来看一下线圈在电路中是怎么连接的。

在上图电路中,有三个桥臂,每个桥臂有上下两个mos管,上下两个mos管不能同时开通,最好也不同时关闭(这种情况下自行合成试试,两相合成的磁矢量强度比三相小)。
为了方便书写,开上mos同时关下mos视为1;关上mos同时开下mos视为0,举例桥臂010代表u相电流流出、v相电流流入、w相电流流出,当然也可能是101,视电机绕组缠绕方向而定。
注:实际情况中,电机绕组是电感,而且电机旋转时永磁体切割绕组会产生感应电动势,电流不会直接跟随电压产生。本系列为入门阶段,暂时不考虑这些问题,否则啰里啰唆一大堆,容易分散注意力迷失方向。
经过mos管开关状态的排列组合,三个线圈的磁性以及合成的磁矢量只能是以下6种:
但是目标线圈磁矢量是任意角度的,这可以通过pwm方式实现。
可以想象,在10毫秒周期内,如果其中5毫秒用来触发情况4,5毫秒用来触发情况5,那么会得到一个[-210°]的磁矢量。由此我们可以知道,合理控制两个相邻的磁矢量的占空比,就可以得到这个区域内任意角度的磁矢量。同理,尝试将6种情况分别合成,下图就是pwm方式下线圈磁矢量能达到的范围,该图包含了矢量的角度和长度:
我们将6个区域称作6个扇区。
回想FOC的全称:Field-Oriented Control,正是磁场方向控制。
至此本节结束,我们从电机旋转受力本质出发,进一步转化为转子受力问题,再进一步转化为合成线圈磁矢量问题。而我们确实找到了一种控制线圈合成任意角度磁矢量的方法,于是你成为了万磁王 ,可以让磁场指哪打哪,何况控制小小电机。接下来我们从数学模型落实该方法,该方法称为SVPWM(空间矢量pwm,正是我们画的正六边形空间pwm扇区图)。
扩展:带编码的磁矢量情况图

扩展:瑞萨官网BLDC原理介绍

BLDC电机具备效率高、可小型化、寿命长、易控制等优点,受到了广泛关注。这次就来学习一下BLDC电机的控制方法,使其高效转动吧。
仅靠连接无法转动
内转子型BLDC电机是典型的BLDC电机的一种,其外观与内部构造如下所示(图1)。带刷DC电机(以下称为DC电机)的转子上有线圈,外侧放有永磁体。BLDC电机的转子上有永磁体,外侧是线圈。BLCD电机的转子没有线圈,是永磁体,因此没有必要在转子上通电。实现了不带通电用的电刷的“无刷型”。
另一方面,与DC电机相比,控制也变得更难了。并不是只要将电机上的电缆接上电源就好了。本来就连电缆数目都不一样。和“将正极(+)和负极(-)连上电源”的方式不同。

图1:BLDC电机的外观及内部构造
转子是永磁体,因此无法通电。无需电刷及换向器,可谋求延长使用寿命
改变磁通量的方向
为了转动BLDC电机,必须控制线圈的电流方向及时机。图2-A是将BLDC电机的定子(线圈)和转子(永磁体)模式化的结果。使用该图片,思考一下转子旋转的情况吧。思考使用3个线圈的情况。虽然实际上也有使用6个或以上的线圈的情况,但在考虑原理的基础上,每120度放一个线圈,使用3个线圈。电机将电气(电压、电流)转换为机械性旋转。图2-A的BLDC电机又是如何转动呢?先来看一看电机中发生了什么吧。

图2-A:BLDC电机转动原理
BLDC电机中每隔120度放置一个线圈,总共放置三个线圈,控制通电相或线圈的电流
如图2-A所示,BLDC电机使用3个线圈。这三个线圈用以在通电后生成磁通量,将其命名为U、V、W。将该线圈通电试试看吧。线圈U(以下简称为“线圈”)上的电流路径记为U相,V的记录为V相,W的记录为W相。接下来看一看U相吧。向U相通电后,将产生如图2-B所示的箭头方向的磁通量。但实际上,U、V、W的电缆都是互相连接着的,因此无法仅向U相通电。在这里,从U相向W相通电,会如图2-C所示在U、W产生磁通量。合成U和W的两个磁通量,变为图2-D所示的较大的磁通量。永磁体将进行旋转,以使该合成磁通量与中央的永磁体(转子)的N极方向相同。

图2-B:BLDC电机的转动原理
从U相向W向通电。首先,只关注线圈U部分,则发现会产生如箭头般的磁通量

图2-C:BLDC电机的转动原理
从U相向W相通电,则会产生方向不同的2个磁通量

图2-D:BLDC电机的转动原理
从U相向W相通电,可以认为产生了两个磁通量合成的磁通量
若改变合成磁通量的方向,则永磁体也会随之改变。配合永磁体的位置,切换U相、V相、W相中通电的相,以变更合成磁通量的方向。连续执行此操作,则合成磁通量将发生旋转,从而产生磁场,转子旋转。
图3所示的是通电相与合成磁通量的关系。在该例中,按顺序从1-6变更通电模式,则合成磁通量将顺时针旋转。通过变更合成磁通量的方向,控制速度,可控制转子的旋转速度。将切换这6种通电模式,控制电机的控制方法称为“120度通电控制”。

图3:转子的永久磁石会像被合成磁通量牵引一样旋转,电机的轴也会因此旋转
使用正弦波控制,进行流畅的转动
接下来,尽管在120度通电控制下合成磁通量的方向会发生旋转,但其方向不过只有6种。比如将图3的“通电模式1”改为“通电模式2”,则合成磁通量的方向将变化60度。然后转子将像被吸引一样发生旋转。接下来,从“通电模式2”改为“通电模式3”,则合成磁通量的方向将再次变化60度。转子将再次被该变化所吸引。这一现象将反复出现。这一动作将变得生硬。有时这动作还会发出噪音。
能消除120度通电控制的缺点,实现流畅的转动的正是“正弦波控制”。在120度通电控制中,合成磁通量被固定在了6个方向。进行控制,使其进行连续的变化。在图2-C的例子中,U和W生成的磁通量大小相同。但是,若能较好地控制U相、V相、W相,则可让线圈各自生成大小各异的磁通量,精密地控制合成磁通量的方向。调整U相、V相、W相各相的电流大小,与此同时生成了合成磁通量。通过控制这一磁通量连续生成,可使电机流畅地转动。

图4:正弦波控制
正弦波控制可控制3相上的电流,生成合成磁通量,实现流畅的转动。可生成120度通电控制无法生成的方向上生成合成磁通量
使用逆变器控制电机
那么U、V、W各相上的电流又如何呢?为便于理解,回想120度通电控制的情况看看吧。请再次查看图3。在通电模式1时,电流从U流至W;在通电模式2时,电流从U流至V。可以看出,每当有电流流动的线圈的组合发生改变时,合成磁通量箭头的方向也会发生变化。
接下来,请看通电模式4。在该模式下,电流从W流至U,与通电模式1的方向相反。在DC电机中,像这样的电流方向的转换是由换向器和刷子的组合来进行了。但是,BLDC电机不使用这样的接触型的方法。使用逆变器电路,更改电流的方向。在控制BLDC电机时,一般使用的是逆变器电路。
另外逆变器电路可改变各相中的外加电压,调整电流值。电压的调整中,常用的是PWM(Pulse Width Modulation=脉冲宽度调制)。PWM是一种通过调整脉冲ON/OFF的时间长度改变电压的方法,重要的是ON时间和OFF时间的比率(占空比)变化。若ON的比率较高,可以得到和提高电压相同的效果。若ON的比率下降,则可以得到和电压降低相同的效果(图5)。
为了实现PWM,现在还有配备了专用硬件的微电脑。进行正弦波控制时需控制3相的电压,因此比起只有2相通电的120度通电控制来说,软件要稍稍复杂一些。逆变器是对驱动BLDC电机必要的电路。交流电机中也使用了逆变器,但可以认为家电产品中所说的“逆变器式”几乎使用的是BLDC电机。

图5:PWM输出与输出电压的关系
变更某时间内的ON时间,以变更电压的有效值。
ON时间越长,有效值越接近施加100%电压时(ON时)的电压
使用位置传感器的BLDC电机
以上是BLDC电机的控制的概况。BLDC电机通过改变线圈生成的合成磁通量的方向,使转子的永磁体随之变化。
实际上,在以上的说明中,还有一点没有提到。即BLDC电机中的传感器的存在。BLDC电机的控制是配合着转子(永磁体)的位置(角度)进行的。因此,获取转子位置的传感器是必需的。若没有传感器得知永磁体的方向时,转子可能会转至意料之外的方向。有传感器提供信息的话,就不会出现这样的情况了。
表1中显示的是BLDC电机主要的位置检测用传感器的种类。根据控制方式的不同,需要的传感器也是不同的。在120度通电控制中,为判断要对哪个相通电,配备了可每60度输入一次信号的霍尔效应传感器。另一方面,对于精密控制合成磁通量的“矢量控制”(在下一项中说明)来说,转角传感器或光电编码器等高精度传感器较为有效。
通过使用这些传感器可以检测出位置,但也会带来一些缺点。传感器防尘能力较弱,而且维护也是不可或缺的。可使用的温度范围也会缩小。使用传感器或为此增加配线都会造成成本的上升,而且高精度传感器本身就价格高昂。于是,“无传感器”这一方式登场了。它不使用位置检测用传感器,以此控制成本,且不需要传感器相关的维护。但此次为了说明原理,因此假定已从位置传感器获得了信息来吧。
| 传感器种类 | 主要用途 | 特征 |
|---|---|---|
| 霍尔效应传感器 | 120度通电控制 | 每60度获取一次信号。价格较低。不耐热。 |
| 光电编码器 | 正弦波控制、矢量控制 | 有增量型(可得知原位置开始的移动距离)和绝对型(可得知当前位置的角度)两种。分辨率高,但防尘埃能力较弱。 |
| 转角传感器 | 正弦波控制、矢量控制 | 分辨率高。即使在牢固的恶劣环境下也可使用。 |
表1:位置检测专用传感器的种类及特征
通过矢量控制时刻保持高效率
正弦波控制为3相通电,流畅地改变合成磁通量的方向,因此转子将流畅地旋转。120度通电控制切换了U相、V相、W相中的2相,以此来使电机转动,而正弦波控制则需要精确地控制3相的电流。而且控制的值是时刻变化的交流值,因此,控制变得更为困难。
在这里登场的便是矢量控制了。矢量控制可通过坐标变换,把3相的交流值作为2相的直流值进行计算,因此可简化控制。但是,矢量控制计算需要高分辨率下的转子的位置信息。位置检测有两种方法,即使用光电编码器或转角传感器等位置传感器的方法,以及根据各相的电流值进行推算的无传感器方法。通过该坐标变换可直接控制扭矩(旋转力)的相关电流值,从而实现没有多余电流的高效控制。
但是,矢量控制中需要进行使用三角函数的坐标变换,或复杂的计算处理。因此,大多情况下都会使用计算能力较强的微电脑作为控制用微电脑,比如配备了FPU(浮点运算器)的微电脑等。
参考文章
转载自:
链接:https://blog.csdn.net/qq570437459/article/details/138800656
作者:朴人
平台:CSDN
gitee 项目
连接:https://gitee.com/best_pureer/stm32_foc

浙公网安备 33010602011771号