【音频硬件相关】常见的 I2S输出类型的硅麦(INMP441、ICS43434、MSM261)
前言
硅麦包括模拟输出、PDM输出和I2S输出三种类型,
其中模拟输出的较为便宜(1元以下),PDM和I2S输出的(被称为“数字麦克风”,隶属于硅麦)较贵(3元以上)
本文主要介绍三种 I2S 输出的数字麦克风(硅麦),其均直接用单片机I2S接口进行直接通信。
主要包含:
- INMP441
- ICS-43434
- MSM261(MSM261S4030 & MSM261D4030)
0. 淘宝常用的麦克风模块上的芯片——INMP 441
9脚数字咪头 INMP441 下进音 I2S输出 厂家不推荐在新设计中使用
参考价格:10-7.00
实物
面包板小智AI用的就是 INMP441 模组

外观和丝印

INMP441 下进音 I2S输出

INMP441
一般描述
底部采音,具有高精度 24 位数据的数字 I²S 接口
61 dBA 的高信噪比
高灵敏度:-26 dBFS
60 Hz 至 15 kHz 的平坦频率响应
低电流消耗:1.4mA
−75 dBFS 的高 PSR
小型 4.72 mm × 3.76 mm × 1 mm 表面贴装封装
1. ICS-43434
厂商:TDK InvenSense
来源项目:《ESP32触控屏MP3-小智AI聊天机器人-全部都有!》
链接:https://oshwhub.com/youngsheldon/pocketmp3
原理图

外观和丝印

一般描述
ICS-43434 是一款数字 I2S 输出底部收音孔麦克风。完整的 ICS-43434 解决方案包括 MEMS 传感器、信号调理、模数转换器、抽取和抗混叠滤波器、电源管理以及行业标准的 24 位 I2S 接口。I2S 接口允许 ICS-43434 直接连接到数字处理器,例如 DSP 和微控制器,而无需系统中的音频编解码器。
ICS-43434 具有多种操作模式:高性能、低功耗 (AlwaysOn) 和睡眠。ICS-43434 在所有操作模式下都具有高 SNR 和 120 dB SPL AOP。
ICS-43434 具有 65 dBA 的高 SNR 和宽带频率响应。ICS-43434 的灵敏度容差为 t1 dB,无需系统校准即可实现高性能麦克风阵列。
ICS-43434 采用小型 3.50 mm x 2.65 mm x 0.98 mm 表面贴装封装。ICS-43434 在功能上与 ICS-43432 兼容,同时以更低的功耗和更小的封装提供等效的电声性能。
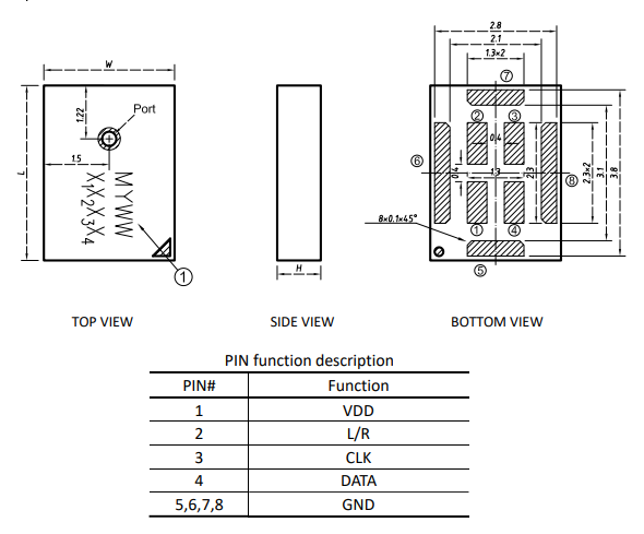
2. MSM261S4030
8脚数字咪头4x3mm MSM261S4030H0R 上进音 I2S输出 已停产,该厂家所有I2S输出麦克风已停产
来源项目:《Sipeed 麦克风阵列扩展板》


链接(原理图):https://wiki.sipeed.com/hardware/zh/modules/micarray.html
参考价格:10-7
2-1 原理图

2-2 外观和丝印/封装

2-3 另有一款:MSM261D4030H1CPM
外观和丝印/封装


参考资料:
1. ICS-43434 相关
https://www.mouser.cn/new/semiconductors/audio-ics/mems-microphones/invensense-ics-43434-microphone/n-98ynrZ1nvi56
https://blog.csdn.net/USALCD/article/details/140502532
2. Sipeed MicArray 麦克风阵列 Wiki 相关
https://wiki.sipeed.com/hardware/zh/modules/micarray.html

浙公网安备 33010602011771号