FPGA驱动VGA显示
VGA(Video Graphics Array),视频图形阵列,是一种视频传输标准,具有分辨率高、显示速度快、颜色丰富等优点,不支持音频传输。
1.VGA简介
1.1 VGA接口
●VGA接口:

VGA是一种D型接口,采用非对称分布连接方式,共有15针,分三排,每排5个孔。
●VGA接口管脚表:

在15个管脚中,其中比较重要的是3根RGB彩色分量信号和2根扫描同步信号HSYNC和VSYNC。
●像素点构成: VGA显示器上每一个像素点可以有多种颜色,由三基色信号R、G、B组合构成。如果每个像素点采用3位二进制数表示(R、G、B信号各1位),则总共可以显示2×2×2=8种颜色,每个像素点采用8位二进制数表示(R、G、B信号分别为3、3、2),则总共可以显示8×8×4=256种颜色。
R(bit) G(bit) B(bit) 颜色个数
1.2 VGA是如何实现显示的
要知道VGA显示器是不认识数字信号的,它只认识模拟信号。所谓它只认识模拟信号,即 在它的数据引脚1、2、3(RED、GREEN、BLUE)输入的不是简单的0、1数字信号,而是模拟电压(0V-0.714V)。1、2、3引脚具有不同的电压时,VGA显示器显示不同的颜色。

但是FPGA要想产生模拟信号就需要借助DA,利用DA产生模拟信号,输出至VGA的RED、GREEN、BLUE基色数据线。也有利用电阻网络分流模拟DA实现的。
●VGA各种颜色如何实现的
在VGA接口的1、2、3引脚分别接至以下电压:

●利用电阻网络分流模拟DA
R-2R电阻网络分压原理:
(1)每个像素点采用3位二进制(R(1bit)、G(1bit)、B(1bit))
例如VGA显示器要显示纯红色,则在RED引脚要输入0.714V电压,如果我们VGA_RED信号为1位电路如下图所示,那么(X+75)/3.3=75/0.714,计算得出X=271.6。

将R1阻值选择为271.6Ω,仿真得出VGA_RED引脚输入电压确实为0.714V。

(2)每个像素点采用8位二进制(R(3bit)、G(3bit)、B(2bit))
如果我们VGA_RED信号为3位电路如下图所示,那么(X+75)/3.3=75/0.714,计算得出X=271.6,X是通过三个电阻并联得到的。Rx||2Rx||4Rx=X,得出Rx=475.3Ω。

将R1、R2、R3阻值选择为475.3Ω、950.6Ω、1.9012KΩ,并且将R1、R2、R3都接通至3.3V,得出VGA_RED节点电压为0.714V。

上图的三个3.3V节点接至FPGA的三个输出引脚,就可以通过数字量去控制模拟量了。 例如FPGA三引脚输出数字量101,则对应以下电路(则会对应不同的颜色),VGA_RED节点电压为0.554V:

VGA_GREEN、VGA_BLUE同理,我们就会得到以下完整的电路:

原理很简单,之前说过,每个像素点采用8位二进制数表示(R、G、B信号分别为3、3、2)。观察上图得到以下对应关系:

RGB R(3bit) G(3bit) B(2bit)
8位二进制 D7、D6、D5 D4、D3、D2 D1、D0
对应硬件端口 VGA_R2、 VGA_R1、VGA_R0 VGA_G2、VGA_G1、VGA_G0 VGA_B1、VGA_B0
D7-D0分别映射到FPGA的8个IO口,就可以通过这8个IO口的数字量去控制VGA的颜色显示了。
2. VGA通信协议
2.1 VGA通信时序

从上图中看出,帧时序和行时序都有四部分:
●帧时序:
帧时序的四个部分别是:同步脉冲(Sync o)、显示后沿(Back porch p)、显示时序段(Display interval q)和显示前沿(Front porchr)。其中同步脉冲(Sync o)、显示后沿(Back porch p)和显示前沿(Front porch r)是消隐区,RGB信号无效,屏幕不显示数据。显示时序段(Display interval q)是有效数据区。.

●行时序:
行时序的四个部分分别是:同步脉冲(Sync a)、显示后沿(Back porch b)、显示时序(Display interval c)和显示前沿(Front porchd)。其中同步脉冲(Sync a)、显示后沿(Back porch b)和显示前沿(Front porch d)是消隐区,RGB信号无效,屏幕不显示数据。显示时序段(Display interval c)是有效数据区。

2.2 VGA时序解析
不同的分辨率,它的时序是不一样的。例如800*600@60Hz的VGA时序:

行时序(HSYNC数据线):


3. FPGA驱动VGA显示彩条
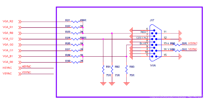
电路图:

`timescale 1ns / 1ps `ifdef VGA_800X600_60Hz //--------------------------------------------------------------------------- //-- Horizonal timing information `define HSYNC_A 16'd128 // 128 `define HSYNC_B 16'd216 // 128 + 88 `define HSYNC_C 16'd1016 // 128 + 88 + 800 `define HSYNC_D 16'd1056 // 128 + 88 + 800 + 40 //-- Vertical timing information `define VSYNC_O 16'd4 // 4 `define VSYNC_P 16'd27 // 4 + 23 `define VSYNC_Q 16'd627 // 4 + 23 + 600 `define VSYNC_R 16'd628 // 4 + 23 + 600 + 1 //--------------------------------------------------------------------------- `endif `ifdef VGA_640X480_85Hz //--------------------------------------------------------------------------- //-- Horizonal timing information `define HSYNC_A 16'd48 // 48 `define HSYNC_B 16'd160 // 48 + 112 `define HSYNC_C 16'd800 // 48 + 112 + 640 `define HSYNC_D 16'd832 // 48 + 112 + 640 + 32 //-- Vertical timing information `define VSYNC_O 16'd3 // 3 `define VSYNC_P 16'd28 // 3 + 25 `define VSYNC_Q 16'd508 // 3 + 25 + 480 `define VSYNC_R 16'd509 // 3 + 25 + 480 + 1 //--------------------------------------------------------------------------- `endif `define P_WIDTH 8'd128 `define P_DEPTH 8'd128
module Vga_Module
(
input clk, // system clock, 40MHz
input rst_n, // system reset, active low
output reg [6:0] rom_addr, // sync_v
input [127:0] rom_data, // sync_h
output reg sync_v, // sync_v
output reg sync_h, // sync_h
output reg [2:0] vga // vga,MSB~LSB = {R,G,B}
);
reg [18:0] cnt;
reg [15:0] x_cnt,y_cnt;
reg [15:0] x_set,y_set;
reg x_flag,y_flag;
reg change_en;
reg [2:0] color;
localparam RED = 3'b100;
localparam GREEN = 3'b010;
localparam BLUE = 3'b001;
localparam YELLOW = 3'b110;
localparam CYAN = 3'b011;
localparam PURPLE = 3'b101;
localparam BLACK = 3'b000;
// Count for HSYNC
always @ (posedge clk or negedge rst_n)
if(!rst_n) x_cnt <= 16'd1;
else if(x_cnt == `HSYNC_D) x_cnt <= 16'd1;
else x_cnt <= x_cnt + 1'b1;
// Count for VSYNC
always @ (posedge clk or negedge rst_n)
if(!rst_n) y_cnt <= 16'd1;
else if(x_cnt == `HSYNC_D) begin
if(y_cnt == `VSYNC_R) y_cnt <= 16'd1;
else y_cnt <= y_cnt + 1'b1;
end else y_cnt <= y_cnt;
// HSYNC signal
always @ (posedge clk or negedge rst_n)
if(!rst_n) sync_h <= 1'b1;
else if(x_cnt <= `HSYNC_A) sync_h <= 1'b0;
else sync_h <= 1'b1;
// VSYNC signal
always @ (posedge clk or negedge rst_n)
if(!rst_n) sync_v <= 1'b1;
else if(y_cnt <= `VSYNC_O) sync_v <= 1'b0;
else sync_v <= 1'b1;
// rom address
always @ (posedge clk or negedge rst_n)
if(!rst_n)
rom_addr <= 1'b0;
else if((x_cnt >= x_set) && (x_cnt < (x_set + `P_WIDTH)) && (y_cnt >= y_set) && (y_cnt < (y_set + `P_DEPTH)))
rom_addr <= y_cnt - y_set;
else
rom_addr <= rom_addr;
// rom data display
always @ (posedge clk or negedge rst_n)
if(!rst_n)
vga <= BLACK;
else if((x_cnt >= x_set) && (x_cnt < (x_set + `P_WIDTH)) && (y_cnt >= y_set) && (y_cnt < (y_set + `P_DEPTH)))
if(rom_data[x_cnt - x_set]) vga <= color;
else vga <= BLACK;
else
vga <= BLACK;
// delay count
always @ (posedge clk or negedge rst_n)
if(!rst_n) cnt <= 1'b0;
else cnt <= cnt + 1'b1;
// shift left or right flag
always @ (posedge clk or negedge rst_n)
if(!rst_n) x_flag <= 1'b1;
else if(x_set == `HSYNC_B) x_flag <= 1'b1;
else if(x_set == (`HSYNC_C - `P_WIDTH)) x_flag <= 1'b0;
else x_flag <= x_flag;
// shift left or right with flag
always @ (posedge clk or negedge rst_n)
if(!rst_n)
x_set <= `HSYNC_B;
else if(!cnt)
if(x_flag) x_set <= x_set + 1'b1;
else x_set <= x_set - 1'b1;
else x_set <= x_set;
// shift up or down flag
always @ (posedge clk or negedge rst_n)
if(!rst_n) y_flag <= 1'b1;
else if(y_set == `VSYNC_P) y_flag <= 1'b1;
else if(y_set == (`VSYNC_Q - `P_DEPTH)) y_flag <= 1'b0;
else y_flag <= y_flag;
// shift up or down with flag
always @ (posedge clk or negedge rst_n)
if(!rst_n)
y_set <= `VSYNC_P;
else if(!cnt)
if(y_flag) y_set <= y_set + 1'b1;
else y_set <= y_set - 1'b1;
else y_set <= y_set;
// color change
always @ (posedge clk or negedge rst_n)
if(!rst_n)
change_en <= 1'b0;
else if((x_set == `HSYNC_B)||(x_set == (`HSYNC_C - `P_WIDTH))||(y_set == `VSYNC_P)||(y_set == (`VSYNC_Q - `P_DEPTH)))
change_en <= 1'b1;
else
change_en <= 1'b0;
// color change
always @ (posedge change_en or negedge rst_n)
if(!rst_n) color <= RED;
else case(color)
RED: color <= GREEN;
GREEN: color <= BLUE;
BLUE: color <= YELLOW;
YELLOW: color <= CYAN;
CYAN: color <= PURPLE;
PURPLE: color <= RED;
default:color <= RED;
endcase
endmodule
浙公网安备 33010602011771号