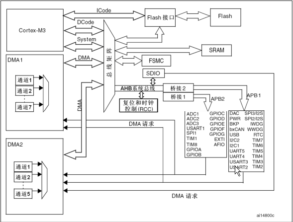
系统架构

●四个被动单元:
a、内部SRAM
b、内部闪存存储器
c、FSMC
d、AHB到APB的桥,连接所有的APB设备。内核与相关的外设数据交换是通过图示的两个桥接。
使用外设需用以下两个函数打开对应的时钟总线;
void RCC_APB1PeriphClockCmd(uint32_t RCC_APB1Periph, FunctionalState NewState);
void RCC_APB2PeriphClockCmd(uint32_t RCC_APB2Periph, FunctionalState NewState);
●DMA:直接存储访问;存储器存取用来提供在外设和存储器之间或者存储器和存储器之间的高速数据传输。
无须CPU的干预,通过DMA数据可以快速地移动。这就节省了CPU的资源来做其他操作。
●FSMC:可配置静态存储控制器;将AHB传输信号转换到适当的外部设备协议;满足访问外部设备的时序要求。
所有的外部存储器共享控制器输出的地址、数据和控制信号,每个外部设备可以通过一个唯一的片选信号加以区分。
FSMC在任一时刻只访问一个外部设备。

浙公网安备 33010602011771号