详解去耦电容

去耦电容和旁路电容其实是一个东西,即Decoupling Cap ,Bypass Cap
去耦
作为一个实用主义者,我从来不在乎概念如何叫,只是从功能上来理解为什么。
一个有源电路,给负载供电,要求负载正常工作,供电电压要稳,然而在实际情况中,电压波形可能会产生不同频率的波动,称为噪声
从上图可以看出,在5V的DC上耦合了不同频率的AC噪声,会对电路产生影响。
此时加入电容。
电容可以吸收到某些频率的波,降低耦合到DC上的AC噪声。
同时在负载处也并联电容,此处电容用来储能,稳定负载两端的电压。
去耦电容选用
根据库伦定律,我们通过选取区域内的电流变化范围,变化频率,就可以推算出能够针对该区域波动的电容C值,然后加入该电容进行滤波
但是,电容其本身存在电阻(ESR)和电感(ESL),随着频率升高,电容的整体阻抗会变高:其中电阻无论频率如何都呈现固定阻抗,电感随着频率升高,电抗升高。这些值和电容的封装和类型有关
作为最常用的去耦神器 - 陶瓷电容具有很低的ESR和ESL(它们也很便宜),其次是钽电容,提供适中的ESR和ESL,但相对有较高的电容/体积比,因此它们用于更高值的旁路电容,用于补偿电源线上的低频变化。对于陶瓷和钽电容,较大的封装通常意味着较高的ESL。
两个电容并联在一起,可以覆盖更宽的高频范围,对两个频点的噪声进行抑制。
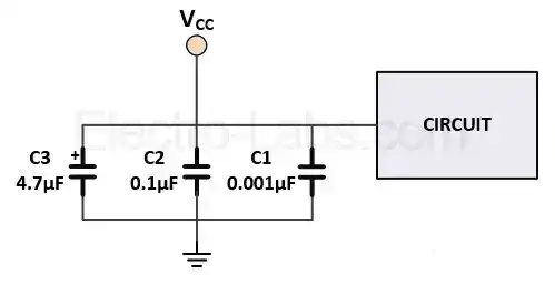
分析一下开头的那个图。
- 4.7μF的钽电容,对比较低频率的噪声滤除比较有效;
- 0.1μF的0603陶瓷电容,对1-50Mhz区域的噪声滤除效果比钽电容有效
- 0.001μF的0402陶瓷电容,对于50MHz以上的高频噪声滤除比较有效
总之,容量越小,封装越小,其自谐振频率点也就越高,也就是其最低的等效阻抗的频率点也就越高
电容值大小其实没那么重要
基于库伦定律可以估算,结论就是在IC的电源管脚上,并联一个0.1μF的电容,用于平滑该电源电路上的波动而存储的电容量已经足够。
总之,电容值大小的选取主要看去耦的噪声的频率范围

浙公网安备 33010602011771号