用高压LC振荡电路接收雷达信号的雷达

用高压LC振荡电路接收雷达信号的雷达

用高压LC振荡电路接收雷达信号的雷达

下面介绍一种通过LC振荡电路接收信号的雷达。这个雷达通过高频电路产生1GHZ的高频正弦波,然后通过磁控管或前向波放大器,再通过波导天线发射出去。再通过波导天线接收信号。接收信号通过高压LC振荡电路,振荡电路里高压电感和高压电容并联,再串联一个高压水电阻,高压镍丝电阻。在水电阻和并联高压电感,高压电容之间连接上10KV的高压,这样就会在并联的高压电感和高压电容之间产生高频信号。高频信号接在镍丝电阻和并联的电容电感之间。这样就将雷达的接收信号调制到LC振荡电路的高频信号上。当有微小接收信号到达时,高压振荡电路就会将这个信号放大,雷达接收电路便会接收到这个信号。这样就提高了雷达接收信号的灵敏度。LC振荡接收雷达

链接:https://pan.baidu.com/s/19uQylslwwtirXRM3UGprWA 

提取码:f97o

https://www.123912.com/s/g0jijv-ztiK3?提取码:I5mp

链接:https://pan.quark.cn/s/f3e36bb16b5c

测量雷达发射信号和接收信号的时间差,用这个时间差乘以电磁波的速度,就是被探测物体的距离。雷达接收到信号的方位角和高度角就是被探测物体的方向。

高压电感由中空的方管型铝合金缠绕成线圈形状,然后把铝合金方管线圈放到真空环境中,在其外壳灌注环氧树脂,提高绝缘性。再在铝合金方管的中空内部通入高存水,高存水可以给在高压环境中的电感降温,同时高纯水不导电,也起到绝缘作用。

高压电容采用高压油浸电容,因为这种电容具有很高的耐压性。

同时还可以使用高压脉冲发生器,产生高压脉冲信号。产生高压脉冲输出的方法有多种,其中一种常见的高压脉冲发生器是由Marx电路产生,其原理图见图。

 

Marx电路通过电容并联充电、串联放电来实现高压输出。传统的Marx发生器由火花隙开关来控制,导致其重复频率不高。随着半导体开关的发展,逐渐代替火花隙开关,从而提高了Marx输出的重复频率。把上面的开关换成可控硅和电感,可控硅的控制端连接到电容端。这样当电容和电感产生振荡信号时,可控硅就会不断导通和截止,这样就可以形成高频脉冲信号。将雷达接收的信号叠加到这个高频脉冲信号上面就会达到放大接收信号的目的。

同时使用双闸流管作MARX电路的供电电路,可以提供一个低频的脉冲电源,这样可以提高MARX电路产生脉冲的频率。

 

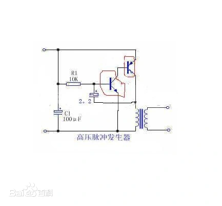
上面是一个高压脉冲信号发生器的电路,将上面电路的两个三极管更换为两个晶闸管,就可以提高产生脉冲的频率。同时也可以作为MARX电路的供电电源使用。

 

高压脉冲发生器广泛用于电表、家用电器、低压电器、机电等相关行业进行绝缘性能试验。

食品杀菌用高压脉冲发生器仍以指数衰减波为主,其技术相对比较成熟,但其存在杀菌效率低、能耗高等缺点;而杀菌效率高、能耗低的方波脉冲发生器由于电路复杂,成本高等因素使其仍处于实验室阶段,大规模工业化应用仍有一定的差距。

中文名高压脉冲发生器

外文名high voltage impulse generator

1、高压直流电源

高压直流电源的作用是将从电网输入的交流电整流再逆变成高压交流电,然后经过整流变成高压直流电。其主要由整流、功率因数校正、逆变、变压器升压和倍压整流组成。

2、高压脉冲波形

研究设计的高压脉冲发生器产生的脉冲波形主要有方波、指数衰减波以及震荡波等。这几种脉冲波形的杀菌处理效果以方波最好,震荡波最差,且方波脉冲的前后沿越快,对脉冲能量的利用越高,杀菌效率越高。指数脉冲一般由电阻—电容组成的电路产生,其结构简单,价格便宜,已进入工业化应用。但低于最高电压36.8%的电压无杀菌作用,且会使食品温度升高,浪费能量。而方波脉冲杀菌效果好,其一般通过电容器组、电感、电阻以及放电开关组成脉冲形成网络(PFN),但相对于指数脉冲发生器,其制作成本高且调试麻烦。震荡波由于不能对处于高强度电场中的微生物持续施加脉冲作用,因而防止了微生物细胞膜产生大面积不可逆破坏,故其对食品中微生物的致死效果最差。 [1]

19世纪60年代,高压脉冲电场被证明对微生物细胞具有破坏力。自Sale等系统地研究脉冲电场对微生物失活的影响之后,国内外许多研究机构和企业都开始关注对

PEF技术中关键部件高压脉冲发生器的研究与设计。产生高压脉冲输出的方法有多种,其中一种常见的高压脉冲发生器是由Marx电路产生,其原理图见图。

Marx电路通过电容并联充电、串联放电来实现高压输出。传统的Marx发生器由火花隙开关来控制,导致其重复频率不高。随着半导体开关的发展,逐渐代替火花隙开关,从而提高了Marx输出的重复频率。

通过IGBT串联法设计了一套输出150KV/10A、脉宽为1~20μsMarx型高压脉冲发生器。李志强等以及甘延青等均对此展开了研究设计。Marx型发生器所需直流电源电压较低、无需使用变压器,因此其体积比较小,但需通过LC充电来补充脉冲期间失去的电荷,所以其重复频率不太高。另外,随 着Marx脉冲发生器级数的增大,导致输出脉冲前沿时间变长,不利于杀菌效率的提高。通过脉冲变压器升压后也可得到高压脉冲发生器。研究者曾利用IGBT模块逆变和脉冲变压器升压搭建了高压脉冲发生器。应雪正以及陈杰等通过脉冲变压器升压法获得高压脉冲发生器。利用脉冲变压器升压法研究设计的脉冲发生器由于均使用脉冲变压器升压,从而降低了高压直流电源的电压等级,简化了变压器初级电路的设计,因而得到广泛应用。但脉冲变压器的应用同时也限制了输出脉冲宽度的变化范围,且脉冲变压器对快前沿脉冲响应较差。另外由于变压器的恢复时间问题,导致脉冲重复频率不能太高。所以研究设计价格低廉、寄生参数小的大功率脉冲变压器是提高此类型高压脉冲发生器参数的一个方向。除了以上两种方法,还可以直接利用开关来控制高压电路的充放电,从而省去脉冲变压器的使用。但是用作高压脉冲发生器的调制开关一般都需要进行串并联组合运用才能达到使用目的。

Seung-Bok等利用IGBT串联技术研制了一台电压幅值40KV、电流150A、频率3KHz、脉宽0~5μs、脉冲前沿小于100ns的高压脉冲发生器。孔甘银等通过开关的串并联得到高压脉冲输出。利用此方法设计的脉冲发生器具有很宽的脉宽和频率调节范围。但该类型脉冲发生器需要一台和输出脉冲幅度相等的高压直流电源作为初级电源,因而其体积庞大,价格昂贵。系统电路设计时需要考虑串并联均压均流、触发隔离以及保护等技术难题,所以电路设计比较复杂。

近年来又出现基于传输线变压器耦合多开关驱动变阻线的脉冲发生器和加法型全固态脉冲发生器。前者原理可概括为:当电容性储能元件充电完成后,因TLT的耦合作用,任意开关导通都将触发其余开关同时导通,储能元件通过TLT驱动变阻线输出高压脉冲。后者主要应用于超高压、大功率脉冲。 [2]

高压脉冲发生器主要包括充电电路、脉冲成形电路两大部分。此外,脉冲变压器是高压大功率脉冲发生器中的关键部件,其功率转换效率高并对减小脉冲发生器的体积和重量起到决定作用。

1、充电电路

比较常见的高压脉冲发生器充电电路包括电阻充电电路和电感充电电路。电阻充电电路结构简单、技术成熟,但其充电效率低,一般适用于中小功率、脉宽窄或工作比很低的场合;电感充电电路,由于其效率较高,故在大功率、高频场合下经常使用。另外,还有回扫充电电路、阶梯充电电路等。实际应用中需根据具体要求选择合适的充电电路。

2、高压脉冲成形

高压脉冲成形是高压脉冲发生器的主要部分。对于一般的指数型脉冲,可以通过控制调制开关的导通,使储能电容通过调制开关对负载放电,从而在负载上得到输出脉冲。该方法简单、技术成熟,但其杀菌效率明显低于方波脉冲。高压方波脉冲的产生一般采用全桥逆变加脉冲变压器升压。这种脉冲成形电路的优点是降低了初级电路的设计难度,但也存在很大的缺陷,如初级的震荡会传递到次级,从而使输出波形变差,其占空比的调节也比较困难,在频率较低时脉冲变压器体积较大且难设计。随着高压大电流开关的发展,使用高压直流电源、高压调制开关,可以通过控制开关的导通和关断在负载上得到脉冲输出。

该开关通过简单的电路,将功率MOSFET或者IGBT串并联,通过选用低感元件及合理的布局,从而实现脉宽和频率宽范围可调的高压脉冲发生器,且寿命长易于维修,但串并联开关器件导通和关断的控制电路设计比较复杂,需考虑均压均流同步等问题。另外,还有一种线型脉冲调制器,其以人工线(脉冲形成网络)做储能元件,用氢闸流管或晶闸管SCR做开关,实现全部放电的脉冲调制器。其中人工线由电容和电感组成,随着其级数的增加,输出脉冲的波形越趋于方波。但人工线参数一旦确定,其输出脉宽就基本确定,所以该方法不适用于要求输出脉宽大范围可调的场合。实际应用中根据实际输出脉冲的指标要求来选取合适的脉冲成形电路。

3、高压脉冲变压器的设计

高压脉冲发生器中为了解决调制开关器件的电压等级以及阻抗匹配等问题,一般采用脉冲变压器。脉冲变压器的使用会使其最大输出脉冲受限于脉冲变压器磁芯的可利用伏秒特性,为了增加输出脉宽,一般增加去磁电路,以使其磁芯复位。利用脉冲变压器升压的高压脉冲发生器,其初级电路电压等级降低、设计难度减小。但这种结构要求脉冲变压器初级必须流过较大的电流,在脉冲变压器升压比较大时初级电流更大。因此在设计中要根据输出电压幅值、功率大小、脉冲调制开关的开关能力和脉冲参数的要求等方面进行权衡以确定合适的脉冲变压器升压比。脉冲变压器的漏感以及回路分布电感会影响输出脉冲的前后沿,因此在对输出脉冲前后沿要求较高或要求输出窄脉冲时,应设法减小脉冲变压器的漏感以及合理布局放电回路。 [2]

 

 

 

 

posted @ 2025-05-11 10:57  科技论坛  阅读(44)  评论(0)    收藏  举报