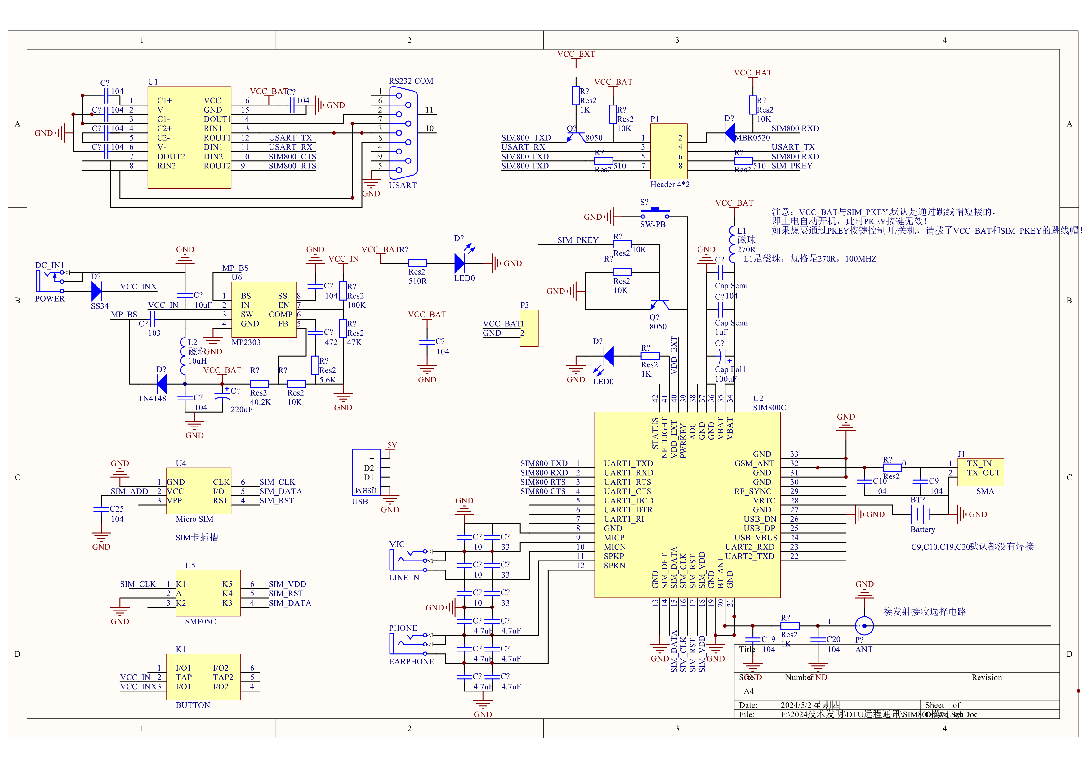
远距离串口通讯电路
下面介绍一种远距离串口通讯电路
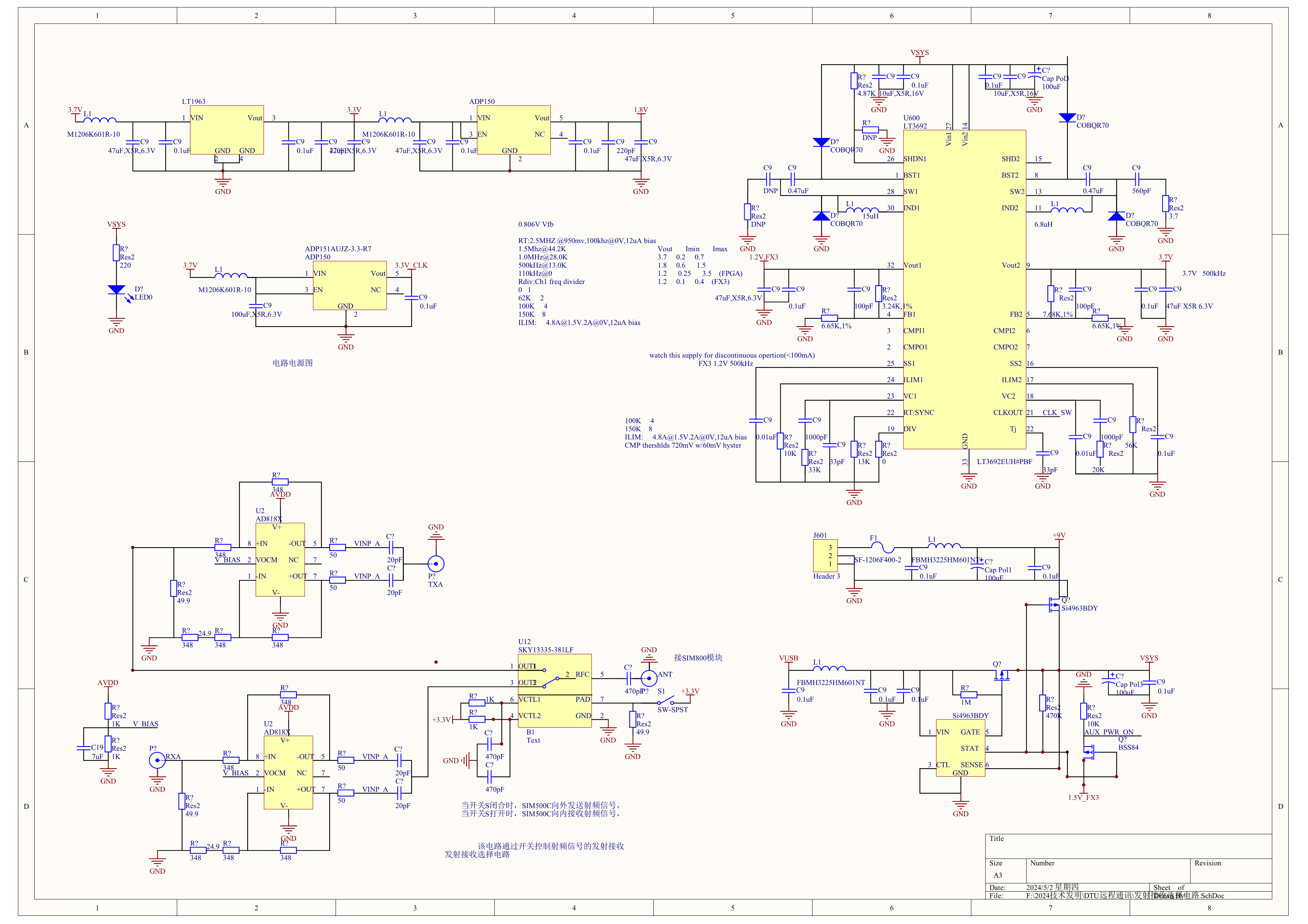
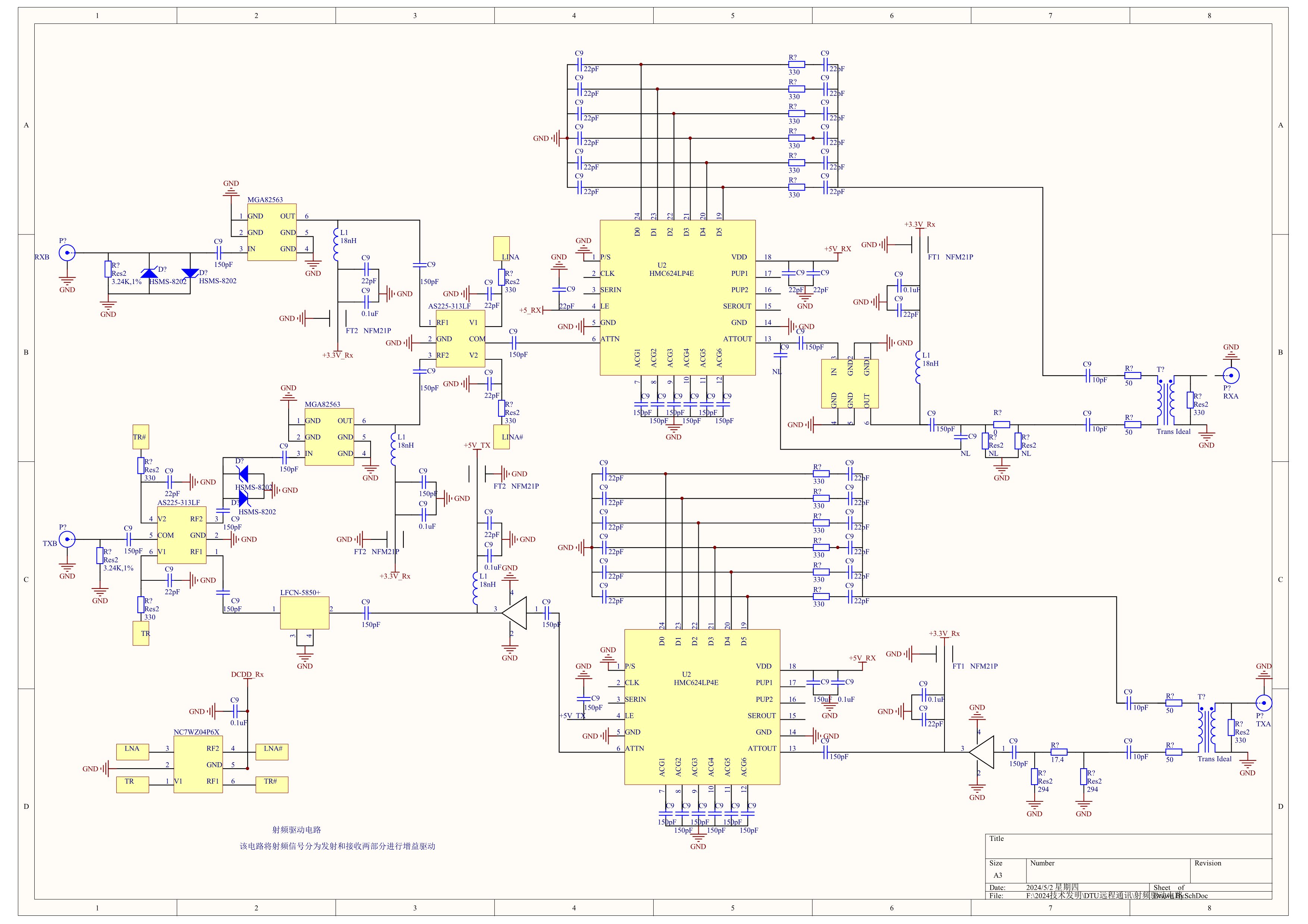
该电路将DTU模块SIM800C的射频信号,经过芯片SKY13335-381LF把发射接收信号分离,经过芯片HMC624LP4E放大驱动,通过JMD1无线电台电路发射出去。这样就增大了DTU模块的通讯距离。该电路的相关下载网址是:
链接:https://pan.baidu.com/s/13cdgYMZFrzr9koe1NHZIHA?pwd=6qz9
提取码:6qz9
链接:https://pan.baidu.com/s/1D9jg1AZFyfP_mpq6-Foqhg?pwd=do5z
提取码:do5z
https://www.123pan.com/s/g0jijv-JfZK3.html 提取码:0oFthttps://115.com/s/swzkjbh33u5?password=hdf3#
访问码:hdf3
微云文件分享:串口远程通讯电路下载地址:https://share.weiyun.com/Hplf645S
https://www.alipan.com/s/NJtWH6wCMsM
链接:https://pan.quark.cn/s/70e6b0e0e27f
链接:https://pan.baidu.com/s/1py0eGGQoKRmdpKYNL-C1Kw?pwd=6262
提取码:6262






浙公网安备 33010602011771号