《ESP32-S3使用指南—IDF版 V1.6》第二十一章 IIC_OLED实验
第二十一章 IIC_OLED实验
1)实验平台:正点原子DNESP32S3开发板
2)章节摘自【正点原子】ESP32-S3使用指南—IDF版 V1.6
3)购买链接:https://detail.tmall.com/item.htm?&id=768499342659
4)全套实验源码+手册+视频下载地址:http://www.openedv.com/docs/boards/esp32/ATK-DNESP32S3.html
5)正点原子官方B站:https://space.bilibili.com/394620890
6)正点原子DNESP32S3开发板技术交流群:132780729


本章我们来学习使用OLED液晶显示屏,在开发板上我们预留了OLED模块接口,需要准备一个OLED显示模块。下面我们一起来点亮OLED,并实现ASCII字符的显示。本章分为如下几个小节:
21.1 OLED简介
21.2 硬件设计
21.3 程序设计
21.4 下载验证
21.1 OLED简介
OLED,即有机发光二极管(Organic Light-Emitting Diode),又称为有机电激光显示(Organic Electroluminesence Display,OLED)。OLED可按发光材料分为两种:小分子OLED和高分子OLED(也可称为PLED)。OLED是一种利用多层有机薄膜结构产生电致发光的器件,它很容易制作,而且只需要低的驱动电压,OLED由于同时具备自发光(不需背光源)、对比度高、厚度薄、视角广、反应速度快、功耗低、柔性好等优异特性,目前主要用于显示领域,OLED在节能照明领域的开发也成为全球趋势。
本章我们将介绍ALINETEK的OLED显示模块及其使用方法,该模块有以下特点:
l 模块有单色和双色两种可选,单色为纯蓝色,而双色则为黄蓝双色(分区域的双色,前16行为黄色,后48行为蓝色,且黄蓝色之间有一行不显示的间隔区。)。
l 尺寸小,显示尺寸为0.96寸,而模块的尺寸仅为27mm26mm大小。
l 高分辨率,该模块的分辨率为12864。
l 多种接口方式,该模块提供了总共4种接口包括:6800、8080两种并行接口方式、4线SPI接口方式以及IIC接口方式(只需要2根线就可以控制OLED了!)。
l 不需要高压,直接接3.3V就可以工作了。
这里要提醒大家的是,该模块不和5.0V接口兼容,所以请大家在使用的时候一定要小心,别直接接到5V的系统上去,否则可能烧坏模块。以下4种模式通过模块的BS1和BS2设置,BS1和BS2的设置与模块接口模式的关系如表21.1.1所示:

表21.1.1 OLED模块接口方式设置表
表21.1.1中:“1”代表接VCC,而“0”代表接GND。该模块的外观图如图21.1.1所示:

图21.1.1 正点原子 OLED模块外观图
正点原子OLED模块默认设置是:BS1和BS2接VCC,即使用8080并口方式,如果你想要设置为其他模式,则需要在OLED的背面,用烙铁修改BS1和BS2的设置。
对于本实验而言,是需要将OLED模块的接口方式修改为IIC,所以就需要把BS2接到GND,并把D1和D2连接起来。最终使用IIC接口的OLED模块图如下图所示。

图21.1.2 IIC接口的OLED模块

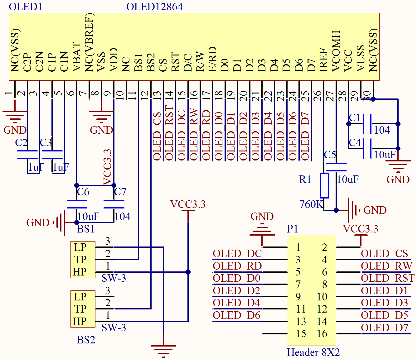
图21.1.3 正点原子 OLED模块原理图
该模块采用8*2的2.54排针与外部连接,总共有16个管脚,在16条线中,我们只用了15条,有一个是悬空的。15条线中,电源和地线占了2条,还剩下13条信号线。在不同模式下,我们需要的信号线数量是不同的,在8080模式下,需要全部13条,而在该模块的IIC模式下,需要4条线,分别为OLED_D0(SCL)、OLED_D1和D2(SDA)、OLED_DC、OLED_RST。在IIC模式下,OLED_D0是作为IIC的SCL线,OLED_D1和D2连接一起作为IIC的SDA线,而OLED_DC是作为SA0,用于设置IIC器件地址,OLED_RST是复位线,RST上的低电平,将导致OLED复位,在每次初始化之前,都应该复位一下OLED模块。
要进行IIC通信,首先得知道器件地址,OLED器件地址是7位的,具体格式如下表所示。

表21.1.2 OLED设备地址
OLED模块的主控芯片为SSD1306,从上表可以知道,SSD1306器件地址由两部分组成,一部分就是“固定部分”即“011110”;另一部分就是“可变部分”即SA0引脚,在程序上会让该引脚输出低电平,所以该位为“0”。最终可得到,SSD1306器件地址为“0111100”即0x3C。读操作地址就为0x79,即0111 1001;写操作地址就为0x78,即0111 1000。
21.1.1 硬件驱动接口模式
l 8080并口模式
首先我们介绍一下模块的8080并行接口,8080并行接口的发明者是INTEL,该总线也被广泛应用于各类液晶显示器,正点原子 OLED模块也提供了这种接口,使得MCU可以快速的访问OLED。正点原子 OLED模块的8080接口方式需要如下一些信号线:
CS:OLED片选信号。
WR:向OLED写入数据。
RD:从OLED读取数据。
D[7:0]:8位双向数据线。
RST(RES):硬复位OLED。
DC:命令/数据标志(0,读写命令;1,读写数据)。
模块的8080并口写的过程为:先根据要写入的数据的类型,设置DC为高(数据)/低(命令),设置WR起始电平为高,然后拉低片选,选中SSD1306,接着我们在整个读时序上保持RD为高电平,然后拉低WR的电平准备写入数据,向数据线(D[7:0])上输入要写的信息;
拉高WR,这样得到一个WR的上升沿,在这个上升沿,使数据写入到SSD1306里面;
SSD1306的8080并口写时序图如图21.1.1.1所示:

图21.1.1.1 8080并口写时序图
模块的8080并口读的过程为:先根据要写入的数据的类型,设置DC为高(数据)/低(命令),设置RD起始电平为高,然后拉低片选CS信号,选中SSD1306,接着我们在整个读时序上保持WR为高电平,然后类似写时序,同样的,在RD的上升沿,使数据锁存到数据线(D[7:0])上;SSD1306的8080并口读时序图如图21.1.1.2所示:

图21.1.1.2 8080并口读时序图
SSD1306的8080接口方式下,控制脚的信号状态所对应的功能如表21.1.1.1:

表21.1.1.1 控制脚信号状态功能表
在8080方式下读数据操作的时候,我们有时候(例如读显存的时候)需要一个假读命(Dummy Read),以使得微控制器的操作频率和显存的操作频率相匹配。在读取真正的数据之前,由一个的假读的过程。这里的假读,其实就是第一个读到的字节丢弃不要,从第二个开始,才是我们真正要读的数据。
一个典型的读显存的时序图,如图21.1.1.3所示:

图21.1.1.3 读显存时序图
可以看到,在发送了列地址之后,开始读数据,第一个是Dummy Read,也就是假读,我们从第二个开始,才算是真正有效的数据。并行接口模式就介绍到这里。
l SPI模式
我们的代码同时兼容SPI方式的驱动,如果你使用的是这种驱动方式,则应该把代码中的宏OLED_MODE设置为0,但对于硬件,则需要查看PCB背面的电阻设置以确定当前使用的是否为SPI模式:
#define OLED_MODE 0 /* 0: 4线串行模式 */
我们接下来介绍一下4线串行(SPI)方式,4先串口模式使用的信号线有如下几条:
CS:OLED片选信号。
RST(RES):硬复位OLED。
DC:命令/数据标志(0,读写命令;1,读写数据)。
SCLK:串行时钟线。在4线串行模式下,D0信号线作为串行时钟线SCLK。
SDIN:串行数据线。在4线串行模式下,D1信号线作为串行数据线SDIN。
模块的D2需要悬空,其他引脚可以接到GND。在4线串行模式下,只能往模块写数据而不能读数据。
在4线SPI模式下,每个数据长度均为8位,在SCLK的上升沿,数据从SDIN移入到SSD1306,并且是高位在前的。DC线还是用作命令/数据的标志线。在4线SPI模式下,写操作的时序如图21.1.1.4所示:

图21.1.1.4 4线SPI写操作时序图
4线串行模式就为大家介绍到这里。其他还有几种模式,可以参考SSD1306的数据手的介绍,我们把资料放到“开发板资料A盘->7,硬件资料\3,液晶资料\OLED资料\SSD1306-Revision1.1(Charge Pump).pdf”,如果要使用这些方式,请大家参考该手册并自行实现相应的功能代码。
21.1.2 OLED显存
接下来,我们介绍一下模块的显存,SSD1306的显存总共为12864bit大小,SSD1306将这些显存分为了8页,不使用显存对应的行列的重映射,其对应关系如表21.1.2.1所示:

表21.1.2.1 SSD1306显存与屏幕对应关系表
可以看出,SSD1306的每页包含了128个字节,总共8页,这样刚好是12864的点阵大小。当GRAM的写入模式为页模式时,需要设置低字节起始的列地址(0x000x0F)和高字节的起始列地址(0x100x1F),芯片手册中给出了写入GRAM与显示的对应关系,写入列地址在写完一字节后自动按列增长,如图21.1.2.1所示:

图21.1.2.1 SSD1306页2显存写入字节与屏幕坐标的关系
因为每次写入都是按字节写入的,这就存在一个问题,如果我们使用只写方式操作模块,那么,每次要写8个点,这样,我们在画点的时候,就必须把要设置的点所在的字节的每个位都搞清楚当前的状态(0/1?),否则写入的数据就会覆盖掉之前的状态,结果就是有些不需要显示的点,显示出来了,或者该显示的没有显示了。这个问题在能读的模式下,我们可以先读出来要写入的那个字节,得到当前状况,在修改了要改写的位之后再写进GRAM,这样就不会影响到之前的状况了。但是这样需要能读GRAM,对于4线SPI模式/IIC模式,模块是不支持读的,而且读à改à写的方式速度也比较慢。
所以我们采用的办法是在ESP32的内部建立一个虚拟的OLED的GRAM(共128*8=1024个字节),每次修改时,只修改ESP32上的GRAM(实际上就是SRAM),在修改完成后一次性把ESP32上的GRAM写入到OLED的GRAM。当然这个方法也有坏处,一个对于那些SRAM很小的单片机(比如51系列)不太友好,另一个是每次都写入全屏,屏幕刷新率会变低。
SSD1306的命令比较多,这里我们仅介绍几个比较常用的命令,如表21.1.2.2所示:

表21.1.2.2 SSD1306常用命令表
第0个命令为0X81,用于设置对比度的,这个命令包含了两个字节,第一个0X81为命令,随后发送的一个字节为要设置的对比度的值。这个值设置得越大屏幕就越亮。
第1个命令为0XAE/0XAF。0XAE为关闭显示命令;0XAF为开启显示命令。
第2个命令为0X8D,该指令也包含2个字节,第一个为命令字,第二个为设置值,第二个字节的BIT2表示电荷泵的开关状态,该位为1,则开启电荷泵,为0则关闭。在模块初始化的时候,这个必须要开启,否则是看不到屏幕显示的。
第3个命令为0XB0~B7,该命令用于设置页地址,其低三位的值对应着GRAM的页地址。
第4个指令为0X00~0X0F,该指令用于设置显示时的起始列地址低四位。
第6个指令为0X10~0X1F,该指令用于设置显示时的起始列地址高四位。
其他命令,我们就不在这里一一介绍了,大家可以参考SSD1306 datasheet的第28页。从这页开始,对SSD1306的指令有详细的介绍。
最后,我们再来介绍一下OLED模块的初始化过程,SSD1306典型初始化框图如图21.1.2.2:

图21.1.2.2 SSD1306初始化框图
驱动IC的初始化代码,我们直接使用厂家推荐的设置就可以了,只要对细节部分进行一些修改,使其满足我们自己的要求即可,其他不需要变动。
OLED的介绍就到此为止,我们重点向大家介绍了正点原子OLED模块的相关知识,接下来我们将使用这个模块来显示字符和数字。通过以上介绍,我们可以得出OLED显示需要的相关设置步骤如下:
1)设置ESP32与OLED模块相连接的IO。
这一步,先将我们与OLED模块相连的IO口设置为输出,具体使用哪些IO口,这里需要根据连接电路以及OLED模块所设置的通讯模式来确定。这些将在硬件设计部分向大家介绍。
2)初始化OLED模块。
其实这里就是上面的初始化框图的内容,通过对OLED相关寄存器的初始化,来启动OLED的显示。为后续显示字符和数字做准备。
3)通过函数将字符和数字显示到OLED模块上。
这里就是通过我们设计的程序,将要显示的字符送到OLED模块就可以了,这些函数将在程序设计部分向大家介绍。
通过以上三步,我们就可以使用正点原子OLED模块来显示字符和数字了,在后面我们还将会给大家介绍显示汉字的方法。这一部分就先介绍到这里。
21.2 硬件设计
21.2.1 例程功能
使用IIC模式驱动OLED模块,不停的显示ASCII码和码值。
21.2.2 硬件资源
- LED灯
LED - IO1 - XL9555
IIC_SDA-IO41
IIC_SCL-IO42 - OLED
IIC_SCL - IO4
IIC_SDA - IO5
D2 - IO6
DC - IO38
RST - IO_05(XL9555)
21.2.3 原理图
OLED模块的原理图在前面已有详细说明了,这里我们介绍OLED模块与我们开发板的连接,开发板上有一个OLED/CAMERA的接口(P6接口)可以和正点原子OLED模块直接对插(靠左插!),连接如图21.2.3.1所示:

图21.2.3.1 OLED模块与开发板连接示意图
21.3 程序设计
21.3.1 程序流程图
程序流程图能帮助我们更好的理解一个工程的功能和实现的过程,对学习和设计工程有很好的主导作用。下面看看本实验的程序流程图:

图21.3.1.1 OLED实验程序流程图
21.3.2 IIC_OLED函数解析
由于OLED是基于IIC协议进行通讯的,并且ESP32的IIC函数在前面的章节已经详细讲解过了,因此,关于ESP32的IIC函数这一部分内容,请读者们回顾之前的内容,笔者在此不再赘述。
21.3.3 IIC_OLED驱动解析
这里我们只讲解核心代码,详细的源码请大家参考光盘本实验对应源码,OLED的驱动主要包括三个文件:oled.c、oled.h和oledfont.h。oledfont.h头文件存放的是ASCII字符集,oled.h存放的是引脚接口宏定义和函数声明等,oled.c则是驱动代码。
1,oledfont.h文件
首先看oledfont.h文件的ASCII字符集内容:
/* 常用ASCII表
* 偏移量32
* ASCII字符集: !"#$%&'()*+,-./0123456789:;<=>?@ABCDEFGHIJKLMNOPQRSTUVWXYZ[\]
^_`abcdefghijklmnopqrstuvwxyz{|}~
* PC2LCD2002取模方式设置:阴码+逐列式+顺向+C51格式
* 总共:3个字符集(12*12、16*16和24*24),用户可以自行新增其他分辨率的字符集。
* 每个字符所占用的字节数为:(size/8+((size%8)?1:0))*(size/2),其中size:是字库生成时的点
* 阵大小(12/16/24...)
*/
/* 12*12 ASCII字符集点阵 */
const unsigned char oled_asc2_1206[95][12]={ ...这里省略字符集库... };
/* 16*16 ASCII字符集点阵 */
const unsigned char oled_asc2_1608[95][16]={ ...这里省略字符集库... };
/* 24*24 ASICII字符集点阵 */
const unsigned char oled_asc2_2412[95][36]={ ...这里省略字符集库... };
该头文件中包含三个大小不同的ASCII字符集点阵,其中包括:1212ASCII字符集点阵、1616ASCII字符集点阵、2424ASICII字符集点阵。每个字符集点阵都包含95个常用的ASCII字符集,从空格符开始(即ASCII码表编号的32127对应的字符),分别为:!"#$%&'()*+,-./0123456789:;<=>?@ABCDEFGHIJKLMNOPQRSTUVWXYZ[]^_`abcdefghijklmnopqrstuvwxyz{|}。
上面的ASCII字符集,我们可以使用一个款很好的字符提取软件来制作获取。字符提取软件为:PCtoLCD2002完美版,该软件可以提供各种字符,包括汉字(字体和大小都可以自己设置)阵提取,且取模方式可以设置好几种,常用的取模方式,该软件都支持。该软件还支持图形模式,也就是用户可以自己定义图片的大小,然后画图,根据所画的图形再生成点阵数据,这功能在制作图标或图片的时候很有用。
该软件的界面如图21.3.3.1所示:

图21.3.3.1 PCtoLCD2002软件界面
然后我们选择设置,在设置里面设置取模方式如图21.3.3.2所示:

图21.3.3.2 设置取模方式
上图设置的取模方式,在右上角的取模说明里面有,即:从第一列开始向下每取8个点作为一个字节,如果最后不足8个点就补满8位。取模顺序是从高到低,即第一个点作为最高位。如-------取为10000000。其实就是按如图21.3.3.3所示的这种方式:

图21.3.3.3 取模方式图解
从上到下,从左到右,高位在前。我们按这样的取模方式,然后把ASCII字符集按126大小、168和2412大小取模出来(对应汉字大小为1212、1616和2424,字符的只有汉字的一半大!),每个126的字符占用12个字节,每个168的字符占用16个字节,每个24*12的字符占用36个字节。
2,oled.h文件
下面我们先解析oled.h的程序。对OLED模块IIC引脚和OLED器件地址做了相关定义。
#define OLED_ADDR 0X3C /* 7位器件地址 */
#define OLED_CMD 0x00 /* 写命令 */
#define OLED_DATA 0x40 /* 写数据 */
#define OLED_SCL_PIN 4
#define OLED_SDA_PIN 5
#define OLED_D2_PIN 6
#define OLED_DC_PIN 38
我们选择使用IO4作为IIC的时钟线,IO5作为IIC的数据线,IO6为OLED_D2_PIN,IO38为OLED_DC_PIN。OLED的器件地址为0x3C。
由于会使用到RST引脚,而RST引脚是XL9555器件上的IO,这里便有OLED_RST宏用来控制RST引脚输出高低电平,实现OLED的硬件复位。
#define OLED_RST(x) xl9555_pin_set(OV_RESET, x ? IO_SET_HIGH : IO_SET_LOW);
3,oled.c文件
最后就是oled.c文件的驱动源码介绍。先是OLED(SSD1306)的初始化函数,以8080并口方式为例,其定义如下:
/**
* @brief 初始化OLED
* @param i2c_obj_t self: 传入的IIC初始化参数,用以判断是否已经完成IIC初始化
* @retval 无
*/
void oled_init(i2c_obj_t self)
{
if (self.init_flag == ESP_FAIL)
{
iic_init(I2C_NUM_1); /* 初始化IIC */
}
oled_master = self;
gpio_config_tgpio_init_struct = {0};
gpio_init_struct.intr_type = GPIO_INTR_DISABLE; /* 失能引脚中断 */
gpio_init_struct.mode = GPIO_MODE_INPUT; /* 输入输出模式 */
gpio_init_struct.pull_up_en = GPIO_PULLUP_ENABLE; /* 使能上拉 */
gpio_init_struct.pull_down_en = GPIO_PULLDOWN_DISABLE; /* 失能下拉 */
gpio_init_struct.pin_bit_mask = 1ULL << OLED_D2_PIN; /* 设置的引脚的位掩码 */
gpio_config(&gpio_init_struct);
gpio_init_struct.intr_type = GPIO_INTR_DISABLE; /* 失能引脚中断 */
gpio_init_struct.mode = GPIO_MODE_OUTPUT; /* 输入输出模式 */
gpio_init_struct.pull_up_en = GPIO_PULLUP_ENABLE; /* 使能上拉 */
gpio_init_struct.pull_down_en = GPIO_PULLDOWN_DISABLE; /* 失能下拉 */
gpio_init_struct.pin_bit_mask = 1ULL << OLED_DC_PIN; /* 设置的引脚的位掩码 */
gpio_config(&gpio_init_struct);
OLED_DC(0);
/* 配置复位引脚电平 */
xl9555_pin_write(OV_RESET_IO, 1);
/*复位OLED*/
OLED_RST(0);
vTaskDelay(100);
OLED_RST(1);
vTaskDelay(100);
/* 初始化代码 */
oled_write_Byte(0xAE, OLED_CMD); /* 关闭显示 */
oled_write_Byte(0xD5, OLED_CMD); /* 设置时钟分频因子,震荡频率 */
oled_write_Byte(80, OLED_CMD); /* [3:0],分频因子;[7:4],震荡频率 */
oled_write_Byte(0xA8, OLED_CMD); /* 设置驱动路数 */
oled_write_Byte(0X3F, OLED_CMD); /* 默认0X3F(1/64) */
oled_write_Byte(0xD3, OLED_CMD); /* 设置显示偏移 */
oled_write_Byte(0X00, OLED_CMD); /* 默认为0 */
oled_write_Byte(0x40, OLED_CMD); /* 设置显示开始行 [5:0],行数 */
oled_write_Byte(0x8D, OLED_CMD); /* 电荷泵设置 */
oled_write_Byte(0x14, OLED_CMD); /* bit2,开启/关闭 */
oled_write_Byte(0x20, OLED_CMD); /* 设置内存地址模式 */
/* [1:0],00,列地址模式;01,行地址模式;10,页地址模式;默认10; */
oled_write_Byte(0x02, OLED_CMD);
oled_write_Byte(0xA1, OLED_CMD); /* 段重定义设置,bit0:0,0->0;1,0->127; */
/* 设置COM扫描方向;bit3:0,普通模式;1,重定义模式 COM[N-1]->COM0;N:驱动路数 */
oled_write_Byte(0xC0, OLED_CMD);
oled_write_Byte(0xDA, OLED_CMD); /* 设置COM硬件引脚配置 */
oled_write_Byte(0x12, OLED_CMD); /* [5:4]配置 */
oled_write_Byte(0x81, OLED_CMD); /* 对比度设置 */
oled_write_Byte(0xEF, OLED_CMD); /* 1~255;默认0X7F (亮度设置,越大越亮) */
oled_write_Byte(0xD9, OLED_CMD); /* 设置预充电周期 */
oled_write_Byte(0xf1, OLED_CMD); /*[3:0],PHASE 1;[7:4],PHASE 2; */
oled_write_Byte(0xDB, OLED_CMD); /* 设置VCOMH 电压倍率 */
/* [6:4]000,0.65*vcc;001,0.77*vcc;011,0.83*vcc; */
oled_write_Byte(0x30, OLED_CMD);
/* 全局显示开启;bit0:1,开启;0,关闭;(白屏/黑屏) */
oled_write_Byte(0xA4, OLED_CMD);
oled_write_Byte(0xA6, OLED_CMD); /* 设置显示方式;bit0:1,反相显示;0,正常显示 */
oled_write_Byte(0xAF, OLED_CMD); /* 开启显示 */
/* 打开oled */
oled_on();
oled_clear();
}
该函数的结构比较简单,开始是对GPIO口的初始化,这里我们用了宏定义来决定要设置的IO口,后面的就是一些初始化序列了,我们按照厂家提供的资料来做就可以。值得注意一点的是,因为OLED是无背光的,在初始化之后,我们把显存都清空了,所以我们在屏幕上是看不到任何内容的,就像没通电一样,不要以为这就是初始化失败,要写入数据模块才会显示的。
接着,要介绍的是oled_refresh_gram更新显存到OLED函数,该函数的作用是把我们在程序中定义的二维数组g_oled_gram的值一次性刷新到OLED的显存GRAM中。我们在oled.c文件开头定义了如下一个二维数组:
/*OLED的显存
存放格式如下.
[0]0 1 2 3 ...127
[1]0 1 2 3 ...127
[2]0 1 2 3 ...127
[3]0 1 2 3 ...127
[4]0 1 2 3 ...127
[5]0 1 2 3 ...127
[6]0 1 2 3 ...127
[7]0 1 2 3 ...127
*/
uint8_t OLED_GRAM[128][8];
该数组值与OLED显存GRAM值一一对应。在操作的时候我们只需要先修改该数组的值,然后再通过调用oled_refresh_gram函数把数组的值一次性刷新到OLED 的GRAM上即可。oled_refresh_gram函数定义如下:
/**
* @brief 更新显存到OLED
* @param 无
* @retval 无
*/
void oled_refresh_gram(void)
{
uint8_t i, n;
for (i = 0; i < 8; i++)
{
oled_wr_byte (0xb0 + i, OLED_CMD); /* 设置页地址(0~7) */
oled_wr_byte (0x00, OLED_CMD); /* 设置显示位置—列低地址 */
oled_wr_byte (0x10, OLED_CMD); /* 设置显示位置—列高地址 */
for (n = 0; n < 128; n++)
{
oled_wr_byte(g_oled_gram[n], OLED_DATA);
}
}
}
oled_refresh_gram函数先设置页地址,然后写入列地址(也就是纵坐标),然后从0开始写入128个字节,写满该页,最后循环把8页的内容都写入,就实现了整个从ESP32显存到OLED显存的拷贝。
oled_refresh_gram()函数还调用了oled_write_Byte()这个函数,也就是我们接着要介绍的函数:该函数和硬件相关,该函数定义如下:
/**
* @brief oled 写命令
* @param tx_data:数据
* @param command:命令值
* @retval 无
*/
void oled_write_Byte(unsigned char tx_data, unsigned char command)
{
unsigned char data[2] = {command, tx_data};
oled_write(data, sizeof(data));
}
oled_write_Byte()函数还调用oled_write()函数,其定义如下:
/**
* @brief oled IIC写数据
* @param data_wr:发送的数据或者命令
* @param size :发送数据的大小
* @retval 0:发送成功;非0值:发送失败
*/
esp_err_t oled_write(uint8_t* data_wr, size_t size)
{
i2c_buf_t bufs = {
.len = size,
.buf = data_wr,
};
i2c_transfer(&oled_master, OLED_ADDR, 1, &bufs, I2C_FLAG_STOP);
return ESP_OK;
}
oled_write()函数的处理方法,是通过调用IIC控制块下的收发函数来发送数据和命令。先将传入的参数统一存放到通过IIC控制块定义的一个结构体数组中,由该数组统一管理发送的数据和命令,最后以指针类型的方式传递给收发函数i2c_transfer()。关于函数i2c_transfer()的描述请参照19.3.3小节的内容。
g_oled_gram [128][8]二维数组中的128代表列数(x坐标),而8代表的是页,每页又包含8行,总共64行(y坐标),从高到低对应行数从小到大,如表21.3.3.1所示:

表21.3.3.1 OLED_GRAM和OLED屏坐标对应关系
上表中G代表OLED_GRAM,G[0][0]就表示OLED_GRAM [0][0]。比如,我们要在x=3,y=9这个点写入1,则可以用这个句子实现:
OLED_GRAM[3][1] |= 1<<1;
一个通用的在点(x,y)置1表达式为:
OLED_GRAM[x][y/8] |= 1<<(y%8);
其中x的范围为:0127;y的范围为:063。
因此,我们可以得出接下来介绍的这个比较重要的函数:OLED画点函数,其定义如下:
/**
* @brief OLED画点
* @param x : 0~127
* @param y : 0~63
* @param dot: 1 填充 0,清空
* @retval 无
*/
void oled_draw_point(uint8_t x, uint8_t y, uint8_t dot)
{
uint8_t pos, bx, temp = 0;
if (x > 127 || y > 63) return; /* 超出范围了 */
pos = y / 8; /* 计算GRAM里面的y坐标所在的字节, 每个字节可以存储8个行坐标 */
bx = y % 8; /* 取余数,方便计算y在对应字节里面的位置,及行(y)位置 */
temp = 1 << bx; /* 高位表示高行号, 得到y对应的bit位置,将该bit先置1 */
if (dot) /* 画实心点 */
{
OLED_GRAM[x][pos] |= temp;
}
else /* 画空点,即不显示 */
{
OLED_GRAM[x][pos] &= ~temp;
}
}
该函数有3个形参,前两个是横纵坐标,第三个t为要写入1还是0。该函数实现了我们在OLED模块上任意位置画点的功能。
前面我们知道取模方式是:从上到下,从左到右,高位在前。下面根据取模的方式来编写显示字符oled_show_char函数,其定义如下:
/**
* @brief 在指定位置显示一个字符,包括部分字符
* @param x : 0~127
* @param y : 0~63
* @param size:选择字体 12/16/24
* @param mode:0,反白显示;1,正常显示
* @retval 无
*/
void oled_show_char(uint8_t x,uint8_t y,uint8_t chr,uint8_t size,uint8_t mode)
{
uint8_t temp, t, t1;
uint8_t y0 = y;
uint8_t *pfont = 0;
/* 得到字体一个字符对应点阵集所占的字节数 */
uint8_t csize = (size / 8 + ((size % 8) ? 1 : 0)) * (size / 2);
chr = chr - ' '; /* 得到偏移后的值,因为字库是从空格开始存储的,第一个字符是空格 */
if (size == 12) /* 调用1206字体 */
{
pfont = (uint8_t *)oled_asc2_1206[chr];
}
else if (size == 16) /* 调用1608字体 */
{
pfont = (uint8_t *)oled_asc2_1608[chr];
}
else if (size == 24) /* 调用2412字体 */
{
pfont = (uint8_t *)oled_asc2_2412[chr];
}
else /* 没有的字库 */
{
return;
}
for (t = 0; t < csize; t++)
{
temp = pfont[t];
for (t1 = 0; t1 < 8; t1++)
{
if (temp & 0x80)oled_draw_point(x, y, mode);
else oled_draw_point(x, y, !mode);
temp <<= 1;
y++;
if ((y - y0) == size)
{
y = y0;
x++;
break;
}
}
}
}
该函数为字符以及字符串显示的核心部分,函数中chr = chr - ' ';这句是要得到在字符点阵数据里面的实际地址,因为我们的取模是从空格键开始的,例如oled_asc2_1206 [0][0],代表的是空格符开始的点阵码。在接下来的代码,我们也是按照从上到小(先y++),从左到右(再x++)的取模方式来编写的,先得到最高位,然后判断是写1还是0,画点;接着读第二位,如此循环,直到一个字符的点阵全部取完为止。这其中涉及到列地址和行地址的自增,根据取模方式来理解,就不难了。
oled.c的内容比较多,其他的函数请大家自行理解。
21.3.4 CMakeLists.txt文件
打开本实验BSP下的CMakeLists.txt文件,其内容如下所示:
set(src_dirs
IIC
LED
OLED
XL9555)
set(include_dirs
IIC
LED
OLED
XL9555)
set(requires
driver
esp_lcd)
idf_component_register(SRC_DIRS ${src_dirs}
INCLUDE_DIRS ${include_dirs} REQUIRES ${requires})
component_compile_options(-ffast-math -O3 -Wno-error=format=-Wno-format)
上述的红色OLED驱动以及esp_lcd依赖库需要由开发者自行添加,以确保OLED驱动能够顺利集成到构建系统中。这一步骤是必不可少的,它确保了OLED驱动的正确性和可用性,为后续的开发工作提供了坚实的基础。
21.3.5 实验应用代码
打开main/main.c文件,该文件定义了工程入口函数,名为app_main。该函数代码如下。
i2c_obj_t i2c0_master;
i2c_obj_t i2c1_master;
/**
* @brief 程序入口
* @param 无
* @retval 无
*/
void app_main(void)
{
uint8_t t = 0;
led_init(); /* 初始化LED */
i2c0_master = iic_init(I2C_NUM_0); /* 初始化IIC0 */
i2c1_master = iic_init(I2C_NUM_1); /* 初始化IIC1 */
xl9555_init(i2c0_master); /* 初始化XL9555 */
oled_init(i2c1_master); /* 初始化OLED */
oled_show_string(0, 0, "ALIENTEK", 24);
oled_show_string(0, 24, "0.96' OLED TEST", 16);
oled_show_string(0, 40, "ATOM 2023/8/26", 12);
oled_show_string(0, 52, "ASCII:", 12);
oled_show_string(64, 52, "CODE:", 12);
oled_refresh_gram(); /* 更新显示到OLED */
t = ' ';
while(1)
{
oled_show_char(36, 52, t, 12, 1); /* 显示ASCII字符 */
oled_show_num(94, 52, t, 3, 12); /* 显示ASCII字符的码值 */
oled_refresh_gram(); /* 更新显示到OLED */
t++;
if (t > '~')
{
t = ' ';
}
vTaskDelay(500);
LED_TOGGLE(); /* LED闪烁 */
}
}
在实验章节中我们也介绍到OLED以IIC协议进行通讯,肯定要分配一个IIC端口,然而IO扩展芯片XL9555也需要分配到一个IIC端口(IIC0)。为了保证两个设备之间不被干扰,我们分配另一个IIC端口(IIC1)给OLED使用,如此一来避免了因端口使用冲突而带来的影响,这也是我们在主函数中定义了两个IIC端口的原因。
main.c主要功能就是在OLED上显示一些实验信息字符,然后开始从空格键开始不停的循环显示ASCII字符集,并显示该字符的ASCII值。最后LED闪烁提示程序正在运行。
21.4 下载验证
下载代码后,LED不停的闪烁,提示程序已经在运行了。同时OLED模块显示ASCII字符集等信息,如图21.4.1所示:

图21.4.1 OLED显示效果
OLED显示了三种尺寸的字符:2412(ALIENTEK)、168(0.96’ OLED TEST)和12*6(剩下的内容)。说明我们的实验是成功的,实现了三种不同尺寸ASCII字符的显示,在最后一行不停的显示ASCII字符以及其码值。

浙公网安备 33010602011771号