【第一个随笔来啦~】Yuzu的复习笔记 —— 数字电路 —— 数据存储
最近一直在为数字电路复习,发现数据存储这部分的知识点对于数字电路相关课程的初学者来说实在过于复杂不怎么好理解,所以希望通过这个blog为初学者解决这样的问题。
注:本blog结合自己学习数字电路相关课程的PPT和教材整理而成,这也是我第一次发布blog,如有缺陷可以在评论区指出,谢谢大神们的指点~
我们所用的教材是国外数字电子技术(Thomas L. Floyd)的汉化版,这一部分内容在这本教材的第10章,在这当中一直缺少一个基本的部分,也就是为什么要学习这一部分,而是直接开始介绍存储器的基础概念,老师讲的时候也没有提这些内容,所以我想应该在这里补充上----(虽然说可能没有那么必要去提)
Part 0: Lead in 导入
我们的移动硬盘,以及手机的存储空间,FC的游戏卡带,都是数据存储的空间,R-S锁存器的保持效果也是存储的一种形式。我们的大脑在学习的过程中,也会不断接受并保存新的知识(这包括如何计算1+1,如何去解决一道固定的问题,如何控制马里奥通关1-1,如何调整自己的心态等),本质上这也是一个“数据存储”的过程。
如果数据不能成功存储下来,那么计算机也就没有了记忆功能,因为不能存储变量,所以自然也不能对这样的变量进行操作,进而一个简单的C或者C++程序也都不能正常运行,也没有我们现在存储的任何数据。
所以说,学习数据存储的意义是显然的。对于数据存储,我想应该可以这样理解:把数据用特定设备以某种方式记忆到设备当中的过程。也就是说一个数据存储的过程应该有三要素:数据、设备、记忆方式。
之后,我们在这一篇文章中所提的“数据存储”大部分指的都是在数字电路当中的数据存储过程,也就是说,待存储的数据以二进制(由0,1组成的比特串)组成,所以下边要介绍的数据存储的方式当中的数据大部分都是指二进制比特串,对于这样的存储过程,第一个要素暂且忽略不计,只介绍设备和记忆方式这两个要素。
Part 1: Basic Knowledge 基础知识
二进制数据有一些单位需要我们记住:
1. 二进制数据的最小单位是位 (bit).
2. 在许多的应用(如计算机)当中,以8位为一个单位处理数据,这个单位称为字节(byte,也简写为大写的B)。
比如在C和C++程序中,指针最小的操作间隔是1字节而不是一位,我在一次C++程序作业提交的过程当中有尝试对一个bool* 类型指针进行过自增操作,发现它移动的长度是一个字节(8位),而不是一位。如果要弄出按位移动的指针,那可能需要更高级的语言(比如汇编语言,目前我还没学过,所以这里暂时介绍不了这部分的知识)
3.一个字节可以分为两个4位单位,称为半字节(nibble).
4.在汇编语言当中,一个字(word)等于2个字节,也就是16位。注意到用UTF-8表示的汉字也是用2个byte来表示的,可以参照这个进行理解。
5.在存储器当中,一个字可以定义为一个存储器当中存储的一个以单个实体出现的字节。
这些相关概念也可以用下面的图来表示:

另外还有些存储Byte数量的单位换算:
- 1KB(Kilobyte 千字节)= 1024 byte(1024 B)
- 1MB(Megabyte 兆字节 简称“兆”)= 1024 KB,
- 1GB(Gigabyte 吉字节 又称“千兆”)= 1024 MB,
- 1TB(Trillionbyte 万亿字节 太字节)= 1024 GB,
- 1PB(Petabyte 千万亿字节 拍字节)= 1024 TB,
- 1EB(Exabyte 百亿亿字节 艾字节)= 1024 PB,
- 1ZB(Zettabyte 十万亿亿字节 泽字节)= 1024 EB,
- 1YB(Yottabyte 一亿亿亿字节 尧字节)= 1024 ZB,
- 1BB(Brontobyte 一千亿亿亿字节)= 1024 YB.
Part 2 存储器的基本操作
1.寻址:获取存储器当中指定地址的过程。存储器的写操作和读操作是基于寻址的操作定义的。
一个n位的地址码对应着存储器当中的2^n个地址。所以如果存储器的地址数为m,那么地址码的长度应该是 ceiling(log2m).(向上取整)
2.写操作:在存储器选定的地址上保存一个字节的数据;
3.读操作:在存储器选定的地址上读取一个字节的数据;
Part 3 数据存储方式
Pt 3.1 基本半导体存储阵列(ROM和RAM)
存储器的每个元件都可以保存一个1或者一个0,也就是一位的数据,它们被称为一个单元(cell),用单元来记忆数据是很常见的记忆方式。
一个64单元存储阵列可以通过三种不同方式组成---
(1) 8*8阵列,可以看作8字节内存;
(2)16*4阵列,可以看作16个半字节内存;
(3)64*1阵列,是一个64位内存;
存储器的容量一般用字数*位数表示,其中:
(1)字的实际个数总是2的整数幂,但可以用最接近千的数来表示这个数目,比如字数为214=16,384, 可以表示成16k, 216=65,536可以表示成64k.
(2)位数通常是1,4,8,因为它们是数据存储的基本单位。
我们有的时候也会听到内存库或者内存库组的概念。内存库是单个存储阵列(芯片)存储器的一部分,一个存储器有一个或者多个内存库。内存库组就是一组芯片的存储模块,可以存储以字或字节为单位的数据。
3.1.1 RAM和ROM概述
两类主要的半导体存储器是RAM和ROM.
1. RAM(随机访问存储器,Random Access Memory)是在等量时间可以访问所有地址的一类存储器,而且可以按照任意顺序来选择这些地址来执行读或者写的操作。
特点:
(1)所有的RAM都具有读和写的能力;
(2)RAM是易失性存储器,因为RAM在电源关闭时会丢失存储的数据。
2. ROM(只读存储器,Read Only Memory)是可以永久或者半永久地保存数据的一类存储器。数据可以从ROM当中读出,但和RAM不同的是,ROM没有写操作。
特点:
(1)ROM没有写操作,但也是随机访问存储器
(2)ROM是非易失性存储器,因为ROM在电源关闭后仍然保存数据。
ROM和RAM都通过半导体存储单元来“记忆数据”,通常封装在特定的芯片中。
3.1.2 RAM的类型——SRAM和DRAM
RAM的类型:静态RAM和动态RAM
对于静态RAM(SRAM, Static RAM)来说,存储单元 = 锁存器,只要有直流电源就能一直保存数据;
对于动态RAM(DRAM, Dynamic RAM)来说,存储单元 = 电容(准确的说是一个MOS晶体管和一个电容,晶体管作为开关使用),只要对电容定期充电就能一直保存数据,这个过程也称为刷新;
数据从SRAM中读取出来的速度比DRAM要快很多(正是如此,高速缓冲存储器,也就是我们说的”缓存“才经常采用SRAM实现),但是对于给定物理空间和成本,DRAM可以存储比SRAM更多的数据,因为DRAM的存储单元更简单。
静态RAM也可以分成2种:
(1)异步SRAM(和系统时钟不同步,所以叫做“异步SRAM")
异步SRAM芯片由一系列地址线(由存储空间大小决定),数据总线(一般为8位),以及一些其他端口组成——
CS_ : 片选端口,低电平有效;
WE_:读写端口,高电平为读取,低电平为写入;
OE_:输出使能端,低电平有效;
工作原理
Step 1: 芯片选择端口CS_为低电平,地址线选择芯片中的特定地址;
Step 2: 每一个数据总线都与两个缓冲器(开关)相连,一个控制读取(由CS_,WE_和OE_控制),一个控制写入(由CS_和WE_控制),在读取时,控制读取的开关会被开启,控制写入的开关被禁止,数据从指定地址流向数据总线;在写入时则相反,控制写入的开关被开启,控制读取的开关被禁止,数据从数据总线流向指定地址。

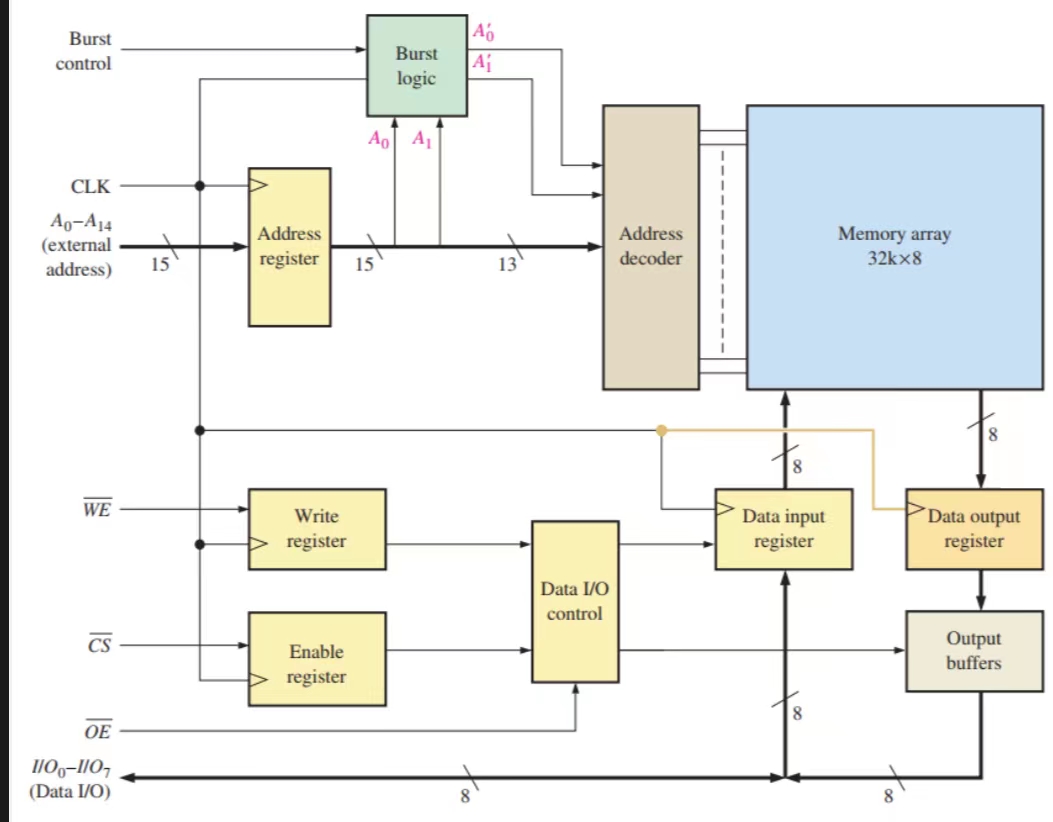
(2)具有突发特性的同步SRAM(是与系统时钟同步的)
如下是同步SRAM的结构——存储阵列,地址译码器,读写和使能输入和异步SRAM类似,只不过加上了时钟端和突发逻辑
突发逻辑(Burst Logic):允许存储器使用单个地址在4个序列位置进行读写操作,这种突发逻辑由一个二进制计数器和异或门组成。

另外,同步SRAM有两种基本类型
1)流通型:没有数据输出寄存器(经过输出”开关“后读取的数据异步输出到数据总线上)
2)管道型:有数据输出寄存器(同步输出到数据总线上)
接下来是DRAM的内容->
DRAM常用于计算机的主存储器,DRAM和SRAM的区别是存储单元的类型不同。
由于这种差异,DRAM与SRAM相比存储时间慢了很多,但相同的芯片面积使用DRAM存储的容量更大。
DRAM需要刷新,因为电容中存储的电荷会一点点泄漏(随着时间的推移和外界温度的变化)。
如下是1M * 1DRAM的简化框图:

DRAM有一些特性——
1)DRAM的多路地址复用:也就是说,行地址和列地址用相同的地址线,利用RAS_和CAS_来控制地址的锁存;当RAS_为低电平时,行地址被锁存;CAS_为低电平时,列地址被锁存;
好处是可以减少地址线数目(用”时间“换”空间“)

在读取数据时,R/W_为高电平,在写入数据时,R/W_为低电平。
2)DRAM的快速页模式:不同于之前RAS_锁存一次,CAS_就锁存一次的寻址方式,这种模式的寻址方式为RAS_生效(一直为低电平)的过程中,CAS_可以锁存多次。”页”指的就是单个行地址当中可用的存储部分,如下图:

好处显然是可以缩短读取的时间,加快读取速度。
3)DRAM的刷新周期:通常,DRAM每隔几毫秒刷新一次,读操作会自动刷新所选行的所有地址。
3.1)刷新的两种基本模式:
突发刷新:存储阵列中所有的行在每一个刷新周期都会被连续刷新,在刷新时所有的读写操作都被暂停;
分布刷新:每一行都在正常的读/写周期之间分布的时间间隔内被刷新,对于8ms的刷新周期,使用分布刷新时,每一行都要隔8ms/1024 = 7.8us 刷新一次。
3.2)刷新操作的两种类型:
仅RAS_刷新:由RAS_到低电平的转换组成,锁存将要刷新的行地址,而CAS_在整个周期保持高电平,使用外部计数器提供这种操作类型的行地址。
CAS_先于RAS_刷新:——通过在RAS_变为低电平之前使CAS_变为低电平来初始化。
4)SRAM有两种类型,那么DRAM有几种类型呢?答案是4种!DRAM比SRAM的类型还要多!
(1)快速页模式DRAM(FPM DRAM, Fast Page Mode)——利用快速页模式来动态随机访问内存的DRAM,比普通的DRAM更快,基于这样的一种可能性:接下来要访问的几个内存地址位于同一行当中(同一页中).
(2)扩充数据输出DRAM(EDO DRAM, Extended Data Out)——类似FPM DRAM,
(3)突发扩充数据输出DRAM(BEDO DRAM, Burst Extended Data Out)——是一种具有地址突发能力的EDO DRAM(这种突发特性和之前的突发SRAM相似,允许从单个外部地址中产生4个内部地址)
(4)同步DRAM(SDRAM)——同步于系统时钟的DRAM,这个时钟还驱动计算机系统的微处理器。
使用同步操作,DRAM可以在系统时钟的控制下锁存地址,数据和来自处理器的控制信息,这就允许处理器在存储器进行读或写操作时处理其它的任务,而不是等待存储器去做它的事情,这一点和异步系统不同。
只读存储器(ROM)有5种,比DRAM还要多!
(1)掩模ROM(Integrated Circuit Read-Only Memory, IC ROM)——通常简单指ROM,在生产过程中被永久编程,以提供广泛使用的标准函数。一旦存储器被编程之后,它就不能改变了。
大多数IC ROM根据行列连结处是否存在晶体管连接表示1或者0.
IC ROM通过MOS ROM单元存储0或1.
(2)可编程ROM(Programmable Read-Only Memory,PROM)——利用熔丝存储位,以存储器的连接完好或者被烧断表示1或0,这个过程是不可逆的,一旦PROM被编程以后就不能改变了。
用于PROM的3种基本熔丝是金属连接,硅连接和pn结。
(3)可擦除PROM(Erasable Programmable Read-Only Memory, EPROM)——可以被重新编程的PROM
EPROM使用具有绝缘栅极结构的NMOSFET阵列,绝缘晶体管的栅极没有电的连接,从而能在无限长的时间内存储一个电子电荷。
这种类型的阵列当中,数据位由栅极是否存储电荷来表示,数据位的擦除是移走栅极电荷的过程。(存储的是负电荷,也就是电子,所以有电荷代表0)
下图是2048*8EPROM的逻辑符号

输出使能OE_:OE_为低电平时才能输出
地址线:A0-A10共11位,存储空间为211=2048byte
数据总线:O0-O7(每一条线由2个三态开关(输入和输出)控制读写,仍然如同之前的原理)
两种可擦除PROM是电可擦除PROM(EEPROM)和紫外线可擦除PROM(UV EPROM),其中紫外线可擦除PROM用的比EEPROM少得多。
Pt 3.2 闪存(Flash Memory)
接下来介绍另外一种存储方式——闪存
闪存(Flash Memory)是高密度的非易失性读/写存储器
(1)继承了ROM和RAM两者的优点,既可以读写又不容易失去存储内容(没有电源也可以永远存储下来)
(2)“高密度”的意思是芯片上给定的保存区域内,可以容纳大量的单元。
闪存使用的存储单元是用单浮栅MOS晶体管组成的存储单元,使得高密度存储得以实现。数据位存储0还是1,对应了浮栅上有电荷还是没有电荷。(注意是有电荷存储0,因为储存的是负电荷)
闪存当中单个晶体管单元如下图所示:

闪存的操作有这样3种:
(1)编程操作:施加一个相对于源极足够大的正电压到控制栅极,以此把电荷吸引到浮栅上。
(2)读操作:读取0时,晶体管处于截止状态,读取1时,晶体管处于导通状态;
(3)擦除操作:在晶体管源极施加一个足够大的正电压,这与编程操作的极性相反。
闪存总是在重新编程之前被擦除。
由闪存存储单元组成的阵列即“闪存阵列”,有以下特点
(1)每次只访问1条行线;
(2)读操作期间,当一条给定位线(Bit Line)当中的单元打开时,就会有电流经过这条位线,产生穿越有效负载的电压降;
(3)电压降使用一个比较器(Comparator)电路和参考电压进行比较,产生指示为1的输出电平。
如下图所示:

下面简单比较一下闪存和ROM、RAM的差异:
####一天,存储器们举行了盛大的聚会,他们纷纷叙述起自身的长处和短处####
只读ROM:我是高密度,非易失的芯片,但我一旦编程后就不能改变了哦~
EPROM:我和我的兄弟ROM相比可以擦除,但目前我们PROM只有三口人,UV EPROM,EEPROM和我,我只能通过把存储内容移出系统的形式擦除数据,而UV EPROM只能用紫外线擦除
EPROM:UV EPROM今天没来,看起来它自我PUA的习惯还是没有好呀....
EEPROM:嗯嗯,等宴会结束我们要去安慰下它!差点忘了自我介绍了,我是EEPROM,电擦除可编程ROM,我比我的两个亲人具有更复杂的结构,密度也不如老大哥Flash Memory,不过我可以在存储内容不移出系统的情况下进行重编程。
EEPROM:UV EPROM其实也有独特的一面:它虽然只能通过特定的设备重新编程,但它的密度很高,而且有非易失性。
SRAM:我和你们应该是远邻了,不过也不算太远。我和DRAM都是易失性的读写芯片,只要电源关掉,我和DRAM就失忆啦~,我的存储单元是锁存器,所以我每次和DRAM比速度都能比得过它,我有两种,一种是异步SRAM,一种是具有突发特性的同步SRAM,我可以用在高速缓冲存储器上,不过我的一些不足还要你们多多包涵,比如说我的密度很低,以及我需要恒定的电源来保持存储的数据。
DRAM:我和SRAM应该说各有所长了吧,我们的共性SRAM已经说啦,我主要说下我的优势吧。我的存储单元是电容,用晶体管作为开关,所以我结构比SRAM简单,每次在相同的面积下比容量我都能比得过它,而且我有四种,比SRAM还多两种!我有许多不可思议的特性——地址多路复用、快速页模式等等。我的种类包括快速页模式DRAM,扩充数据输出DRAM,突发扩充数据输出DRAM,和系统时钟同步的SDRAM四种,另外还有DDR SDRAM,是SDRAM的升级版(可以在两个时钟边沿都工作)。不过我也有明显的不足....我不仅需要电源,而且必须保持电容的电荷,过一段时间就要刷新存储在电容上的电荷才能保持我的特性,所以我和Flash Memory大佬相比耗费更多的电量。还是希望大家多多关照~
Flash Memory:我就不过多介绍了...我想我应该低调一点才行...我可以用到USB的存储上,而且可以替代硬盘,我前几天协助我的兄弟们一起存储了圆周率的前50万亿位,而且我还协助许多科学家做了一些不可思议的项目,这里不多赘述了。
####存储器类型的比较总结####

不过,还有一些特殊的寄存器:
Pt 3.3 特殊形式的存储器
(1)FIFO存储器(也叫做队列存储器,先入先出存储器)
FIFO存储器由多个移位寄存器组成
经常用于处理两个数据速率不同的系统之间必须通信的情况。
在FIFO寄存器当中,数据位即刻穿过寄存器而到达数据位最右边的位置,如图所示——(和移位寄存器的差别)

(2)LIFO存储器(也叫做栈存储器,后入先出存储器)
允许数据存储下来,然后以相反的顺序调用(新的数据字节总被推入顶部寄存器上,并且前一个存储的字节被推入堆栈的更深层)
RAM堆栈:把RAM的一部分配置为堆栈
在RAM堆栈当中,数据本身不移动,但是栈顶在一个寄存器的控制下移动,这个寄存器被称为堆栈指针,这个指针始终指向栈顶的地址。
CCD:以电容上的电荷作为存储的数据,具有将光学图像转化为电信号的功能
特点:具有较高的存储密度,广泛用于数字图像处理领域
存储单元是半导体电容,如果存储在电容上的电荷较少就是0,较多就是1.
和DRAM一样,要定期刷新电荷(通过把电荷移位到刷新电路当中来完成这个过程)
Pt 3.4 用磁和光来存储
(1)磁存储
计算机用硬盘作为外部的大容量存储介质。
硬盘是一个由铝合金或玻璃材料与表面涂有磁性材料的陶瓷组成的固定底盘。硬盘驱动器是密封的,以防灰尘进入;
硬盘是一个随机访问设备,可以按照任何次序在存储数据的地方获取数据
磁盘利用读写头来存储或读出数据——
写入:磁通量使得沿磁场方向的磁片表面的一个小点区域极化,这个极化的小点区域表示二进制1,相反极性的小点区域表示0。
读取:当磁片表面经过读头时,磁化小点区域在读头处产生磁场,使得线圈当中产生电压脉冲。这些电压脉冲的极性取决于被磁化的小点区域的极性方向,也就给出了存储的位是1还是0.
地址分配:硬盘由磁道和扇区组成或格式化成磁道和扇区,每个磁道分成若干个扇区,每个磁道和扇区由操作系统使用的物理地址,指出特定的数据记录。
硬盘上磁道和扇区的排列称为格式化。
(2)磁——光存储(Magneto—Optical, MO)设备使用磁和激光的组合技术。
MO盘与纯磁盘的区别:MO盘需要用加热改变磁图层的磁性。
写入:高功率的激光束加热小斑点,使得这一行粒子随着电磁场排列;(利用电磁场的方向确定是1还是0,每一行粒子表示一个bit)
读取:使用低功率激光束反射回反向极性的磁性粒子,并且光束向极性反向移动
擦除:电磁场反向、高功率激光束加热小斑点时,磁性粒子恢复原来的极性。
(3)CD-ROM(光盘自读存储器)
数据在磁盘上以Pit和Land形式出现,利用Pit和Land来区分0和1.(两者反射光线相位相差180度)
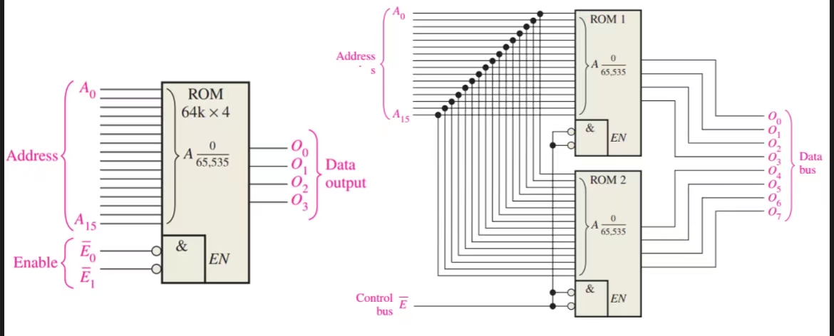
Part 4:存储器的容量扩展
Pt 4.1 字长的扩展
Eg: 65536*4 ROM -> 65536*8 ROM 的扩展过程如图所示:
需要两片65536*4的ROM.
(1)地址总线接到每一个芯片的地址线上,(2)每一个芯片的使能端(控制端)也是连接相同的,(3)数据总线拼接起来即可
RAM的字长扩展也类似

Pt 4.2 字容量扩展
Such as: 512k * 4 RAM -> 1M * 4 RAM
需要2个512k * 4 的RAM,以及多一位的地址总线(用于控制选择哪一块芯片,接到控制端,控制端低电平有效)
剩下的之前的地址总线连接到每一位芯片,每一片芯片数据总线接三态缓冲器后连在一起即可。(判定为:如果使能端无效三态缓冲器就进入高阻状态)
如果是2^m倍扩展,就需要一个m线->2^m线的译码器来实现多出来的地址选址。
下图是1024*4 RAM -> 4096*4 RAM的示意:

Part 5 存储器(ROM)实现逻辑函数(“与”阵列+“或”阵列)
具体步骤:
(1)将输入变量作为地址输入变量,字线与最小项相对应,绘制“与”阵列;
(2)位线作为逻辑函数输出,根据函数列出真值表,或者写出函数的标准与或式;
(3)将全部最小项相“或”,由真值表画出“或”阵列。
Eg----利用ROM实现这样的逻辑函数
Y1 =AB + A_C
Y2 = BC + AC_
Y3 = AC + A_C_

|
Tuffy:那么这就是数据存储的大部分内容了(不一定涵盖到所有的细节内容),如果你之前没有学过数字电路的其他部分的话,可能对某些部分不是很好理解,建议复习数电的uu们先掌握数制和码制、布尔代数、组合逻辑和时序逻辑的相关知识再来看这篇随笔,也许就能理解了呢! Tuffy:这篇文章大部分都是教材和当时老师PPT的概括总结,加上了一点自己的理解,希望这些能让自己和每一个看这个cnblog的人理解数据存储的内容哦~ Tuffy:另外,这是我的第一篇随笔,所以如果有做的不足的地方请在评论处指出来,希望能够在cnblog这个平台分享更多自己的理解和成果,希望和cnblog的每一位uu共同进步! |
参考材料:
[1] https://www.dnzp.com/m/jy/202302/91545.html
[2] 数字电子技术/ (美)托马斯·L.弗洛伊德(Thomas L.Floyd)著

浙公网安备 33010602011771号