《大话数据结构》学习笔记——第三章 线性表
第三章 线性表
3.1 开场白
3.2 线性表的定义
线性表(List):零个或多个数据元素的有限序列。线性表逻辑结构类型是线性结构。物理结构可以是顺序存储,也可以是链式存储。线性表元素之间是有顺序的。如下图,ai-1是ai的直接前驱,ai+1是ai的直接后继。

3.3 线性表的抽象数据类型


如下即是线性表抽象数据类型的在C#中的实现,这里展示的是metadata,因此没有具体方法细节。
public class List<T> : IList<T> ...
{
public List();
public List(int capacity);
public List(IEnumerable<T> collection);
public T this[int index] { get; set; }
public int Count { get; }
public int Capacity { get; set; }
public void Add(T item);
public void AddRange(IEnumerable<T> collection);
...
}
合并两个线性表
public static void union(ref List<int> a, List<int> b)
{
/* 将所有在b线性表中但不在a中的元素插入到a中 */
for(int i = 0; i < b.Count; i++)
{
if (!a.Contains(b[i]))
{
a.Add(b[i]);
}
}
}
3.4 线性表的顺序存储结构
(1)线性表的顺序存储结构,指的是用一段地址连续的存储单元依次存储线性表的数据元素。
(2)顺序存储方式:先在内存中占领一片内存空间,把数据中的第一个元素放在内存地址的第一个位置,然后相邻的数据元素依次放在相邻地址的位置上。C#的数组底层也是这样,初始化时要先给定数组长度,长度分配好了即在内存堆中划分好了一片连续的内存空间,以后不能修改数组的长度,然后可以将元素依次放入数组中。
(3)数据长度和线性表长度区别:数据长度是指占用了内存空间的数据元素数量,有些内存空间可以空着。而线性表长度是指整个分配好的内存空间的长度,包括空着的内存空间。
在C#这个高级语言中,数组是经过额外封装的(?),在初始化时若没有给定数据,则C#会自动把默认值放到数组中,如int的默认值为0,string的默认值为null。
public static void method1()
{
int[] c = new int[4];
c[0] = 1;
c[2] = 3;
foreach (int i in c) Console.Write("{0},", i);
Console.WriteLine();
Console.WriteLine(c.Length);
string[] d = new string[4];
d[1] = "123";
foreach (string i in d) Console.Write("{0},", i);
}
(4)地址计算方法
LOC(ai) = LOC(ai-1) + c;
LOC(ai) = LOC(1) + (i - 1) * c;

通过这个公式,可以随时计算出任意位置的地址,因此线性表的存取时间复杂度为O(1)。
顺序存储结构的插入和删除
(1)获得元素操作:略
(2)插入操作,插入算法的思路:
-
如果插入位置不合理,抛出异常
-
如果线性表长度大于等于数组长度,则抛出异常或动态增加容量
-
从最后一个元素开始向前遍历到第i个位置,分别将他们都想后移一个位置
-
将要插入的元素放在i的位置
-
表加长1
C#数组缺数据长度属性,集合List没有最长容量属性,都不太适合实现这个算法,因此直接如下书中的源代码:

(3)删除操作,类似插入操作。
插入操作和删除操作的最坏情况时间复杂度是O(N),最优情况是O(1),平均时间复杂度为O((N-1)/2) = O(N),因此这两个操作的时间复杂度就是O(N)。
(4)顺序存储结构的优缺点

3.6 线性表的链式存储结构
为解决顺序存储方式的缺点,分析:
-
因为数据元素之间存储器的位置也是相邻的,中间没有空隙,因此插入和删除要挪位置
-
能不能中间空几个位置预留给插入和删除操作呢?这种方案存在留空位的数量不定,消耗大量空间等问题
-
那就不要留空位了,所有数据元素随便坐在任意存储空间中,只要让每个数据元素知道下一个数据元素的存储单元地址就行。
(1)线性表的链式存储结构定义:使用任意一批存储单元来存储线性表中的数据,每个存储单元存储了本数据元素的值,还存储了下一个数据元素的存储单元地址。把存储数据元素信息的域称为“数据域”,把存储直接后继位置地址的域称为“指针域”,因此这个直接后继位置地址称为指针或链。
这两部分信息组成数据元素ai的存储映像,称为结点(Node)(Node在数据结构和算法中很常用)。n个节点通过指针连接起来成一个链表,即为线性表的链式存储结构。当前每个结点只有一个指针域,因此也称单链表。
C#中链表的结点的结构如下:
class LinkNode: IDisposable
{
public int val { get; set; } // 自身的值
public LinkNode next { get; set; } // next属性(指针)
public LinkNode() { } // 无参数的构造函数
public LinkNode(int x) { val = x; } // 带参数的初始化函数
public void Dispose() { }
}


3.7 单链表的读取
在计算机内部,获取某一个数据元素的值,要先获取其物理地址,再找到该物理地址存储空间上存储的值。单链表读取第i个元素,由于其每个数据元素的物理地址信息都存储在上一个数据元素中,因此必须让指针从头节点开始向后移,一共移动i次,即可找到第i个元素的物理地址,再获取其值,当移动i次之前就到达了链表的末尾,说明第i个元素不存在。因此其时间复杂度为O(N)。
3.8 单链表的插入和删除
对于在某个位置插入和删除元素的操作,首先要定位为该元素,时间复杂度为O(N),然后执行指针的转移,时间复杂度为O(1),因此总体时间复杂度为O(N)。
插入:
LinkNode s, p;
s.next = p.next;
p.next = s;
删除:
LinkNode s, p;
p.next = s.next;
s.next = null; // 将要删除的节点的指针指向nullptr,或者回收这个结点,或者什么都不做

3.9 单链表的整表创建
(1)头插法:每次将新节点插入到头结点和第一个结点中间
// 头插法,使用数组创建一个链表,返回链表的头结点,注意头节点不是第一个结点。
public static LinkNode CreateListHead(int[] data)
{
int data_len = data.Length;
LinkNode p = new LinkNode();
for(int i = data_len - 1; i >= 0; i--)
{
LinkNode temp = new LinkNode(data[i]);
temp.next = p.next;
p.next = temp;
}
return p;
}
(2)尾插法:每次将新节点插入到链表尾部
// 尾插法,使用数组创建一个链表,返回链表的头结点
public static LinkNode CreateListTail(int[] data)
{
int data_len = data.Length;
LinkNode p = new LinkNode();
LinkNode temp = p;
for (int i = 0; i < data_len; i++)
{
LinkNode temp2 = new LinkNode(data[i]);
temp.next = temp2;
temp = temp2;
}
return p;
}
3.10 单链表的整表删除
// p为链表的头结点,清楚整个链表
public static void ClearList(LinkNode p)
{
LinkNode start = p.next; // 第一个结点
while (start != null)
{
p.next = start.next;
start.next = null;
start.Dispose();
start = p.next;
}
}
3.11 线性表的顺序存储方式和链式存储方式的优缺点比较

-
需要频繁地插入或删除数据时,使用单链表更好;若需要频繁地查找数据,而不需要太多的插入删除操作时,使用顺序存储结构更好。
-
知道数据长度并长度很少变化时,使用顺序存储结构更好;数据长度未知,且将来数据量可能会有较大的变化时,使用单链表更好。
3.12 静态链表
(1)静态链表概念:即把链表存储在数组中的一种结构。然而数组中存储的元素不只是单个数据,而存储了数据和游标,这些每个元素存储的游标表示其后继元素所在的数组下标,所以游标即指针。由于数组是预先设置好长度的,因此当链表长度不足数组长度时,就有一部分结点的数据域为空,这部分结点就是备用链表。此外静态链表还会对头元素和尾元素做特殊处理,头元素的数据域为空,游标存储了备用链表的第一个结点的下标;尾元素的数据域也为空,游标存储了第一个数据域不为空的结点的下标。

class StaticLinkNode
{
public int val { get; set; } // 自身的值
public int next { get; set; } // next属性(指针)
public StaticLinkNode() { }
public StaticLinkNode(int x) { val = x; } // 初始化函数
}
class Charpter3
{
public static int MAX_LEN = 1000; // 假设数组最长为1000
public static StaticLinkNode[] StaticLink = new StaticLinkNode[MAX_LEN];
public static void StaticLinkInit(int n)
{
// 数组头尾有特殊用处,n最大为MAX_LEN - 2
if (n > MAX_LEN - 2 || n < 0)
{
throw new Exception("初始化错误,链表长度溢出或链表长度不能为负值");
}
// 第一个元素
StaticLink[0].next = n + 1;
// 链表数据和游标初始化
for (int i = 1; i <= n; i++)
{
StaticLink[i].val = i; // 这里把值设置简单设置为i
if (i != n)
{
StaticLink[i].next = i + 1;
}
else
{
StaticLink[i].next = 0;
}
}
// 备用链表游标初始化
for (int i = n + 1; i < MAX_LEN - 1; i++)
{
StaticLink[i].next = i + 1;
}
// 最后一个元素
StaticLink[MAX_LEN - 1].next = 1;
}
}
(2)静态链表插入元素:
假设在链表第i个元素的位置插入元素e:
-
取出备用链表的第一个结点(假设下标为u),如果该节点为数组最后一个特殊元素,说明备用链表没有空间,插入失败。
-
校验插入位置i,如果小于1或大于u,则插入失败;u为第一个备用链表的元素下标。
-
设置u结点数据域的值。
-
将数组第一个元素的游标指向u结点的游标。
-
找到第i - 1个元素的下标k,将u结点的游标指向k结点的游标。
-
将k结点的游标指向u。(注意最后三步的顺序!!)
public static void StaticLinkInsert(int i, int e)
{
int u = StaticLink[0].next;
if (u > MAX_LEN - 2) throw new Exception("数组长度溢出,无法插入元素");
if (i < 1 || i > u) throw new Exception("插入元素失败,链表长度越界或插入位置为负");
StaticLink[u].val = e;
// 链表第i个元素不一定是数组第i+1个元素,因此要用链表的方式遍历到第i个元素取出
int k = MAX_LEN - 1; // 链表第一个元素的下标存储在数组最后一个元素的游标里面
// 找到链表第i个结点前面的那个元素的下标为k
for (int j = 1; j <= i - 1; j++) k = StaticLink[k].next;
StaticLink[0].next = StaticLink[u].next;
StaticLink[u].next = StaticLink[k].next;
StaticLink[k].next = u;
}
(3)静态链表删除元素
假设删除链表第i个元素(假设其下标为j):
-
校验i,如果小于1或大于MAX_LEN-2,则删除操作失败。
-
遍历i-1次,找到链表中第i-1个元素(假设其下标为k),将其游标指向第i个元素的游标。
-
将链表第i个元素数据域清空,将其指针指向数组下标为0的元素的游标。
-
将数组下标为0的元素的游标指向k。
public static void StaticLinkDelete(int i)
{
int j = 1, k = 1;
if (i < 1 || i > MAX_LEN - 2) throw new Exception("删除元素失败,链表长度越界或删除位置为负");
for (j = 1; j <= i - 1; j++) k = StaticLink[k].next;
j = StaticLink[k].next;
StaticLink[k].next = StaticLink[j].next;
StaticLink[k].next = StaticLink[0].next;
StaticLink[0].next = k;
}

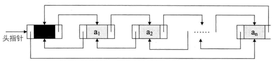
3.13 循环链表
(1)循环链表概念:将单链表中终端结点的指针由空指针变为指向头结点,就使整个单链表形成一个环,这种头尾相接的单链表称为单循环链表。循环链表不一定要有头结点,只是为了使空链表和非空链表处理一致,通常加入一个头结点
继续改造:不用头指针表示链表,而使用一个指向尾结点的新指针来表示链表,这样查找尾结点的时间复杂度也是O(1),没有那个新指针之前查找尾结点的时间复杂度为O(N)。

3.13 双向链表
(1)双向链表概念:是指在单链表中的每个结点,再设置了一个指向前驱结点的指针域。这样每个结点不仅存储了后继结点的地址信息,还存储了前驱结点的地址信息。其插入元素和删除元素的操作略。

3.15 总结


浙公网安备 33010602011771号