GND*设备*pcb
PCB的地与机壳(连接大地)为什么用阻容连接?只用电容是否可以? - 知乎 https://www.zhihu.com/question/52398463
PCB的地与机壳(连接大地)为什么用阻容连接?只用电容是否可以?
PCB板卡置于金属机壳中,机壳一般接大地。PCB的GND与机壳之间经常使用一个电容(0.01uF/1KV)并联一个电阻(1M)连接。请教一下:
(1)这么连接据说是为了做ESD保护,具体原理是什么?
(2)有些机器只用电容,没有1M电阻,两者有何区别?
作者:卢贤资
链接:https://www.zhihu.com/question/52398463/answer/139585763
来源:知乎
著作权归作者所有。商业转载请联系作者获得授权,非商业转载请注明出处。
1. 电容是干啥用的
从EMS(电磁抗扰度)角度说,这个电容是在假设PE良好连接大地的前提下,降低可能存在的,以大地电平为参考的高频干扰型号对电路的影响,是为了抑制电路和干扰源之间瞬态共模压差的。其实GND直连PE是最好的,但是,直连可能不可操作或者不安全,例如,220V交流电过整流桥之后产生的GND是不可以连接PE的,所以就弄个低频过不去,高频能过去的路径。从EMI(电磁干扰)角度说,如果有与PE相连的金属外壳,有这个高频路径,也能够避免高频信号辐射出来。
2. 1M电阻是干啥用的
这是对付ESD(静电放电)测试用的。因为这种用电容连接PE和GND的系统(浮地系统),在做ESD测试的时候,打入被测电路的电荷无处释放,会逐渐累积,抬升或降低GND相对与PE的电平,累积到一定程度,超过了PE和电路之间的绝缘最薄弱处所能耐受的电压范围,GND和PE之间就会放电,几个纳秒间,在PCB上的产生数十到数百安培的电流,这足以让任何电路因EMP(电磁脉冲)宕机,或者是让PE与电路之间绝缘最薄弱处所在信号连接的器件损坏。但是刚才说了,有时候又不能直接连接PE和GND,那么就用一个1~2M的电阻去慢慢释放这个电荷,以消除二者间的压差。当然1~2M这个数值是根据ESD测试标准选择的,因为IEC61000里面规定最高的重复次数只有10次/秒,如果你搞个1000次/秒的非标ESD放电,那么1~2M的电阻我觉得是不能释放掉累积的电荷的。
3. 题主给的这个电容值太大,一般在1nF左右比较合适
如果答主在变频器、伺服驱动器这样8~16kHz开关频率的工业设备上用这么大的电容值,那么,用户摸外壳会有触电的风险的。一般选到这么大,都是电路其他地方设计不合格,为了对付EMC测试,只好把这个电容加大的。
最后废话一下这个PE,那就是,PE不可靠!PE不可靠!PE不可靠!因为很多国内的客户根本不会给你接上有效的PE,也就是说,你根本无法依靠PE来提升EMS或降低EMI的指标。其实这也不能全怪客户,是因为他们的车间、厂房、办公室根本就没按照电工标准来修,压根就是没有接地线的!所以,我明白PE不可靠以后,就使用一些技巧让电路能够硬抗过EMS测试。
谢邀,懒癌晚期菜鸟划水试答。
具体情况具体分析,多数情况下,PE(机壳)和GND直连是不行的。
多见的系统是浮地,机壳连PE,PCBA不连PE,这样机壳就是个很好的法拉第笼,有效屏蔽外界。
1M电阻的高阻接地方式,往往是为了在提供EMC保护的同时或者说不影响防护效果的同时限制故障电流,印象中1M是根据人体模型得到的结果。比如内部挂了,GND连到高压上的故障,有这个1M,通过的电流不会伤害人体。
而电容,就是靠它泄放干扰,系统的高频噪声汇聚到GND,通过它流到PE,从而得到抑制。同时,电容的高直流阻可以保证前面的屏蔽效果,类似于隔直通交。
而且最好是安规电容,GND和PE间选用Y电容。
一谈接地大家都有话要说、都有苦要述!
接地到底是什么、有哪些?没有人给出标准答案。但是对于做产品的工程师而言,接地是实实在在摆在眼前的问题,是不可回避的技术。
借此平台,鉴于个人理解,就来个接地漫谈。
第一个问题:接地首先要解决的是系统观。
“PCB+接口+处理平台+结构”这是最基本的硬件系统,而硬件系统是产品的根本。接地在每个环节中都至关重要。如果你的接地观仅限于PCB板级接地,那么你就OUT了。除非你的PCB板不与其他模块连接,你的产品不是用来使用的,而是放到陈列室的!
第二个部分:从接地技术分类和机理讲起,从接地的目的到接地的手段。
接地从大的方面主要是分为保护接地和工作接地两种。
保护接地主要是保护设备和人身安全而设置的,比如防雷地和设备外壳的保护地;
工作地是针对设备正常工作或者进一步的上升为良好工作所设置的接地,主要包括模拟地、数字地、功率地、屏蔽接地、防静电接地等。这种分类也是从目的出发:保护和电磁兼容。

防雷接地:进一步的分为直击雷接地(俗话就是避雷针,专业叫引雷器)和感应雷(专业叫雷击电磁脉冲)接地。乌云密布的天,风涌云动的,总有摩擦生电,然后合久必分的云块们带着电荷再弱弱联合,形成大的带电体,而大地则是具有无限容量负电荷的海洋(用即成现象地球自转+地磁南北极就判断了),在静电引力的作用下,大的带电云块,会使对应地表感应出大量电荷,而大地上的电荷分布存在尖端效应,(即良导体表面曲率相关的电荷分布)。在避雷针的针尖部分电场强度就会很大,而阴雨天气的空气击穿场强是比较低的,随着电荷的不断累积-感应-针尖场强进一步增强-达到空气击穿场强,这时针尖到云块之间的空气气道就会被电离击穿形成通道,进而泄放电荷到大地或者到云块,电荷中和后,恢复平静。泄放电荷的同时伴随声光热现象,我们就看到闪电听到打雷声了,在这种高频雷电流泄放的同时,在电生磁的磁生电的机理下,就同时伴随各种雷击电磁脉冲的发生。这样接地防护就必须要加一级感应雷接地了,这种接地在形式上就是端口各种箝位保护器件到地以及机壳接地的等电位连接。

设备外壳的保护接地:目的就是防止内部带电线路绝缘破损,造成的“搭壳”而误伤到人。形式就是在常规市电供电制式下,把所有金属外壳设备的外壳接地,以分流绝大部分故障电流,进而保护人身安全。
这里强调一下,从接地目的可以知道以上两种接地,都是指接地球。
下面要讲的工作接地就明显与上文不同,都是针对信号或者噪声的,往往都是低幅值的,一般不涉及人身和设备安全。而更多关注电磁兼容方面的设计需求。
所以关于工作接地的定义,就要改写成:工作电流的返回路径。信号分为DC和AC,返回路径是信号在现有物理条件下,按照信号“自身特征参数”自主选择出来的。既然这样,我们能做的就是在一定程度上去预期设计物理条件。有一点需要强调的是:狗急了会跳墙,兔子急了会咬人,千万千万要给信号回流留出通路,不然你会发现你的产品无论EMS还是EMI都是严重超标的。设备能不能正常工作,就只能看自己的造化了。这样就要求我们在想要割地的时候,一定想好有没有给信号返回留出哪怕一丁点儿的路径。
以下行文将以4个案例的接地分析为主,包括ADC器件的接地、台式电脑机箱会电人、隔离型开关电源接地+金属外壳与板级工作地的连接方式。
工作地中的模拟地、数字地、功率地都可以归为板级接地,这里主要提到PCB布局。
我崇尚的设计理念是能清楚预测和控制路径的就人为分区加分割,不能清楚预测的就全部完整地平面,只分区不分割;当然实际工作中,产品是多个模块的,所以二者结合居多。
附件文中提到的直流返回路径和交流返回路径,二者都是走符合自身要求的最低阻抗路径返回:即直流走最短到达路线,交流走最小面积路径,需要强调的是,这里面积是指去向和回向所形成的面积,往往是指电路板截面相关的面积。
首先还是以模数混合设计举例,最典型的就是ADC的接地方式了。附件讲的很全面了,这里主要重复说明一些内容。

如上图所示,良好接地指导原则中很明确地指出“AGND和DGND需在外部短接连接至低阻抗地”。
“将芯片焊盘连接到封装引脚难免产生线焊电感和电阻”,这里指A、B两点焊盘到外围引脚的阻抗,这是IC设计人员想方设法要做到最低的,但工艺只能这个样子。
“有人问为什么不在内部做好短接工作呢?”文中大概提到是为了为了防止进一步耦合;怎么理解这一句?大概是说为了降低公共阻抗部分的耦合,进而减少模拟部分因公共阻抗耦合到的数字噪声的意思,所以一般厂家都不会在内部短接AGND和DGND,而是留到外部尽量构成星型接地。
“快速变化的数字电流在B点产生电压,且必然会通过杂散电容CSTRAY耦合至模拟电路的A点”:针对低负载(BUFFER负载)的数字部分,ID由后级回路阻抗决定,VB由ID和ZP(由RP、LP构成)决定,数字耦合到模拟的噪声电压VNA=ZP/ZP+ZC。
“将DGND连接到数字接地层会在AGND和DGND引脚两端施加VNOISE,带来严重问题!”这里的VNOISE是指整个AGND平面与整个DGND平面之间的噪声。这里想表达的是如果同一个芯片的2个接地引脚跨接在两个接地平面上会引发的问题。当然这里只是针对这种小数字电流的ADC。
像这种ADC接地布局一般在模拟和数字电源端相互隔离去耦,在接地端保证低阻连接并接模拟地。
屏蔽接地:一般我们把屏蔽分为两种,一种是磁场屏蔽,这时,我们不太关注是否真的要接地,我们只关注磁场对屏蔽后方的均匀程度,也即是否会变成差模的干扰;另一种是电场屏蔽,也是基于静电屏蔽原理,这里我们一般要求必须接地;总体上,这段话提到的接地都是指信号返回路径的地(即噪声要返回到噪声源的途径),而并非一定要接到地球。
讲到屏蔽接地,就想到生活中最普通的台式电脑。电脑机箱主要用着承重构架和屏蔽的,夏天天气热,胳膊腿都裸露着,偶尔碰到电脑机箱,猛地一下被电到。这样的经历你有没有??
电脑机壳电人,到底是一种什么现象,是静电?是漏电?
我给出的答案是:大多数情况下是漏电,而非静电。这和你家墙插有没有真正的地线有关。当墙插没有地线时,而你的电脑主机和电源都是正品的时候,往往你会被不停地电一下的!
在主机内部电源一般都是开关电源,为了保证EMC各项指标合格(安规测试),一般正规厂家都会在交流输入级加入线路滤波器见下图,其中C1、C2为共模电容也叫Y电容,C3为差模电容也叫X电容。此电源滤波器目的是解决供电设备EMS和EMI问题而设立的,但是它的存在势必引入人身安全隐患。所以这类电容必须从耐压、漏电流、到失效效果上被特殊制作,被称为安规电容。这个电路也是保护地、噪声返回路径结合的一个例子。

L\N\G分别对应墙插的火线零线和地线,同时机箱也是和G相连接的。常规市电供电,火线L对大地大概220V电压,这个和墙插有没有接地无关。当墙插没接地线时,也就是说机壳未接地,那么L对G(机壳)就会呈现110V左右电压,G(机壳)对N(即大地,基于TN-S、TN-C-S供电系统)呈现110V电压,这也就是我们用测电笔点在电脑机壳上,笔会一直亮着的原因。当你碰到机箱的一瞬间,那么漏电流就会通过L到C1到人体到大地再到N形成回路。当然这个电流也是瞬间的,毕竟人体阻抗是很低的,人体接触后会与C2并联,从而打破原来C1、C2的分压值,进而拉低机壳电位,也就是说瞬间被电后就没什么感觉了,当然你手拿开后再次触摸机壳还是会被电一下的。
上面提到了安规,就规定了这个Y电容必须有足够高的耐压,足够小的漏电流,即足够小的容值,从而保证漏电流不至于威胁到人身安全。
通过上面的分析,大概知道,当自己碰到这样的电脑机箱,很可能说明自己买到的是正品,是针对安规进行设计过的!但也不要忘了,尽量给他来个接地(球)的线,不然,就会经常被电的!
防静电接地:摩擦、感应和传导都会都会产生静电,针对不同应用场合,静电防护的方式也不同,比如有的可以直接接地;有的可以高阻接地,比如机房常用的防静电地板;还有的直接悬空,利用尖端释放电荷,比如无线防静电环。
这里指针对常见的防静电措施说一下,通常防静电想达到的目的是:
① 要限制静电的积累,随着静电荷的积累,势必产生越来越高的电压,对人和设备都是安全隐患;
② 不能存在大的泄放电流;
这样就需要一个平衡度的掌握,既想放掉又不至于放的太快。所以一般都是高阻接地的;比如防静电工作台和防静电地板。
做产品的无论是固定式、便携式还是手持式的设备,一般都面临防浪涌保护接地、静电防护接地、屏蔽外壳接地、板级接地等设计;外壳和PCB板的工作地之间的连接关系,往往很重要。那么这两种地的连接方式无非是“不连”、“短接”、“阻抗相连”三类情况。这里主要考虑设备接地无论前后都是和电源绕不开的,无论保护接地还是工作接地。下面仅针对隔离型开关电源供电设备进行接地分析(无论是DC-D还是AC-DC,其抗干扰分析是一致的)。

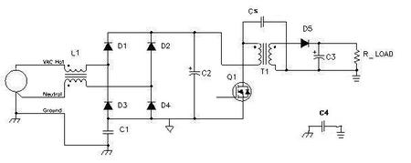
上图是隔离型AC-DC开关电源原理简图,其中Cs为变压器初次级之间的杂散电容,C1为保护地和热地之间的安规电容,C4为工作地与保护地(机壳地)之间的安规电容。是保护地,是热地,是负载设备的工作地。
首先我们分析这几个电容的必要性,也就是作用。开关电源最大优点是效率高,最大的缺点就是纹波噪声大;那么分析这三个电容就从开关噪声回路开始。
开关噪声是开关管在饱和和截止瞬间能量转换问题引发的衰减振荡噪声,这类噪声的频率可以预测,幅值可以通过RCD吸收等方式吸收一部分,但传导干扰本省还是比较严重的,尤其针对模拟微弱信号处理的负载板。
这种噪声传导必然通过隔离变压器的杂散电容CS耦合到次级,那么我们在寻找开关噪声的返回路径时发现,如果没有C1,噪声势必会通过L-N回路返回,并污染电网,造成对外电磁辐射超标。同时向后,通过杂散电容CS耦合到次级板级供电处,必然也有有一条返回路径C4的存在,才能保证噪声对后级负载影响尽量降低。其实这种通过电容连接的方式我们也叫做高频接地或浮地设计,这种接地对低频而言是浮置的。
以上高频接地依然存在一个静电防护问题,就是当PCB负载为浮地设计时,可能会有静电积累,那么势必会使C4右端电势不断抬高,这样的静电隐患必须解决,不然对设备是很大的威胁。方法是有的,我们可以衍生出高频加静电释放接地方式,也就是将电容C4并联一个释放电阻一般选择兆欧级或者压敏器件。
以上说明了PCB的工作地和外壳地的两种连接方式---通过电容进行连接或者阻容进行连接以及它们的作用;那如果直接把PCB的工作地直接和保护地(外壳)进行短接,会有什么问题呢?要分情况了:如果保护地很“干净”,这种方法很实用;如果保护地很“杂乱”,那么最直接的隐患就是大地上的很多干扰,同时都有可能通过这种直接传导方式进入电路板,通过共模转差模的方式,进而干扰电路板上的正常信号。
当然还存在低频接地、高频悬浮的方式连接二者,比如PCB通过电感连接外壳接地。
总之,接地是因地制宜的,要考虑实际应用场所,清楚自己接地的目的,然后指导自己用合适接地方式来处理自己的系统,达到安全和电磁兼容的双重效果。这样设计出来的产品接地才是合格的!
再强调一番:这一切的前提是你对接地要有个系统概念
安全间隙问题

浙公网安备 33010602011771号