增量式编码器与螺旋微动机构的数显电路
增量式编码器概述
增量式编码器通过光电转换,将轴的角位移量转换为输出信号中脉冲的个数,一般是输出三组方波脉冲,分别为 A、B 和 Z 相。A、B 两组脉冲相位差90º,可在计数的同时判断旋转方向;Z 相为每转一个脉冲,用于基准点定位。
以德国 SICK(西克)公司 DBS36E-BAEP00S61 增量式编码器为例,该编码器每转产生 100 个脉冲,下图为在编码器轴一侧观测,编码器轴顺时针旋转产生的脉冲图形;逆时针旋转时,B 相滞后 A 相 90°。
将螺旋微动机构中手轮所在轴与编码器轴通过联轴器联接,并通过电路对编码器输出信号进行处理、显示,即可实现导杆位移的数字显示。
数显电路
数显电路由鉴相电路、计数电路和数码管电路三部分构成。
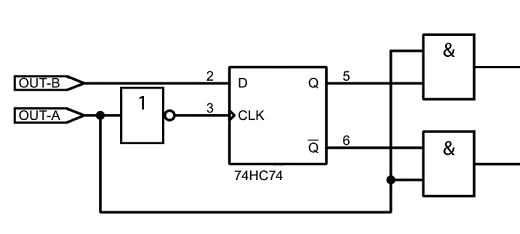
鉴相电路
鉴相电路的作用在于区分编码器发送脉冲信号时其处于正转还是反转状态,即导杆是处于伸出还是缩回状态。
鉴相电路由1个上升沿触发的D触发器(74HC74)、1个非门(74HC04)和两个与非门(74HC08)构成。
当编码器顺时针旋转时,对应导杆处于伸出状态。通道A输出波形的相位超前通道B波形90°,当A处于下降沿(非A处于上升沿)时,B处于高电平状态;此时触发器输出Q为高电平,非Q为低电平,上端与非门打开,计数脉冲通过并送至最低位计数器(74HC192) 的加计数输入端UP,实现加法计数。
当编码器逆时针旋转时,对应导杆处于缩短状态。通道A输出波形的相位滞后通道B波形90°,当A处于下降沿(非A处于上升沿)时,B处于低电平状态;此时触发器输出Q为低电平,非Q为高电平,下端与非门打开,计数脉冲通过并送至最低位计数器的减计数输入端DN,实现减法计数。
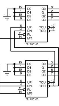
计数电路
计数电路的作用在于对编码器相对于起始状态的旋转圈数进行记录。
计数电路由多片 74HC192 8421BCD 可逆计数器级联构成,芯片级联的数目由所需精度而定。最低位芯片接收加计数或减计数信号。计数器上溢时,进位输出端产生一个脉冲信号;下溢时,借位输出端产生一个脉冲信号,通过低位芯片的进位和借位输出端,与高位芯片的加计数和减计数端分别相接进行级联,即可实现多位数的计数。
可将计数芯片的异步置零端 MR 接至一起,并通过按钮与 VCC 相接;当按下按钮时,系统的计数清零。该功能一是用于对电子示数进行校正,二是若需对导杆进行相对位移,可在清零后进行操作,此时可直接读出相对位移量。
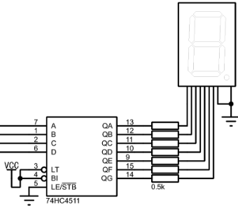
数码管电路
数码管电路的作用在于对计数器记录的数据进行显示。
数码管电路由多个 74HC4511 七段显示译码器及七段数码管,和若干限流电阻构成。将每个计数器的4个输出端分别与七段显示译码器的对应输入端相接,并将每个七段显示译码器的输出端与七段数码管的对应接口相接,即可实现对计数器记录的数据,即导杆的位移进行显示。
参考文献
赵峰. EPC-755A微型光电编码器及其应用[J]. 国外电子元器件,2000(1):11-12.
开始写 Blog
之前写的东西,有些是放在 OneNote 中,而更多的可能就直接放在了某个新建文件夹里;有时需要一些以往项目中的知识和技术时,颇为不便。另外,在学习和探索的过程中,各种博文也给过我很多的启发。于是乎,决定尝试建立自己的 Blog,就从这篇文章开始吧。

浙公网安备 33010602011771号