高抗干扰段码驱动LCD液晶显示驱动芯片内置RAM为80Hz、160Hz VK2C21AA
VK2C21AA是一个点阵式存储映射的LCD驱动器,可支持最大80点 (20SEGx4COM)或者最大128点(16SEGx8COM)的LCD屏。单片机可通过I2C接口 配置显示参数和读写显示数据,也可通过指令进入省电模式。其高抗干扰,低功耗的特性 适用于水电气表以及工控仪表类产品。LJQ5598
产品品牌:永嘉微电/VINKA
产品型号:VK2C21AA
封装形式:SSOP28
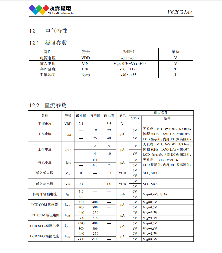
特点
• 工作电压 2.4-5.5V
• 内置32 kHz RC振荡器
• 偏置电压(BIAS)可配置为1/3、1/4
• COM周期(DUTY)可配置为1/4、1/8
• 内置显示RAM为20x4位、16x8位
• 帧频可配置为80Hz、160Hz
• 省电模式(通过关显示和关振荡器进入)
• I2C通信接口
• 显示模式20x4、16x8
• 3种显示整体闪烁频率
• 软件配置LCD显示参数
• 读写显示数据地址自动加1
• VLCD脚提供LCD驱动电压源(≤VDD)
• 内置16级LCD驱动电压调整电路
• 内置上电复位电路(POR)
• 低功耗、高抗干扰
• 封装
SSOP28L(150mil) (9.9mm x 3.9mm PP=0.635mm)



浙公网安备 33010602011771号