超小体积1路触控单键触控感应芯片VKD233HS触摸感应IC原厂
VKD233HS是单通道触摸检测芯片,功耗低、工作电压范围 宽以及稳定的触摸检测效果可以广泛的满足不同应用的需求, 此触摸检测芯片是专为取代传统按键而设计,内建稳压电路, 提供稳定电压给触摸检测电路使用,触摸检测PAD的大小可依不同的灵敏度设计在合理的范围内。LJQ5117
产品品牌:永嘉微电/VINKA
产品型号:VKD233HS
封装形式:DFN6L
特点
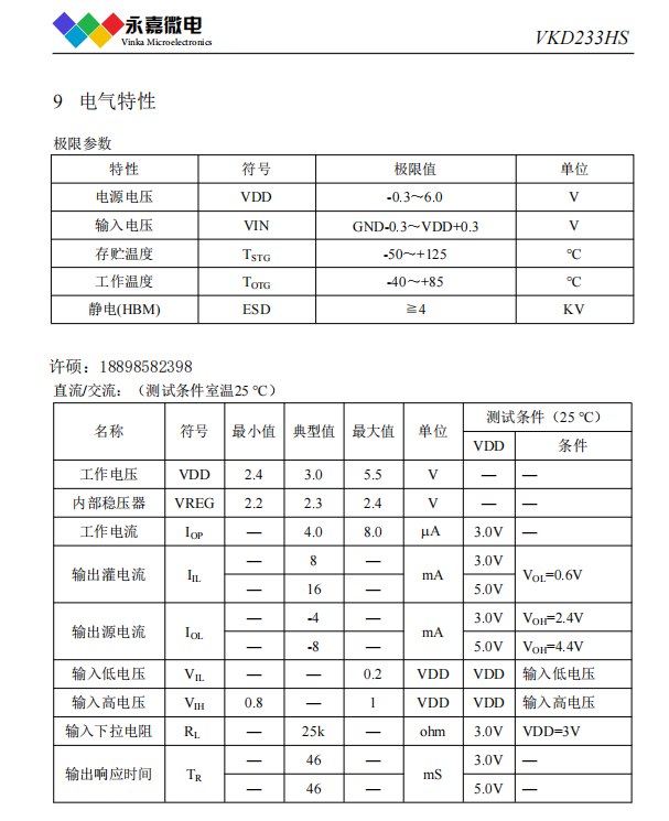
• 工作电压2.4V ~ 5.5V
• 工作电流 4.0uA@VDD=3.0V
• 低压复位功能(LVR)
• 内置触摸检测专用稳压电路
• 响应时间约46ms @VDD=3V
• 可以由外部电容 (1~60pF) 调整灵敏度
• 内置按键消抖,无需外部软件再消抖
• 长按按键(触摸不离开)16S复位
• Q 脚为CMOS输出
输出电平由MHL脚选择为高电平有效或低电平有效
输出模式由MDT脚选择为直接输出或锁存输出
• 上电后约有0.3秒的稳定时间,此时所有功能都被禁止,
此期间内不要触摸检测点
• 根据环境变化自校准参数
• HBM静电大于4KV
• 封装
DFN6L(2mm x 2mm PP=0.65mm)



浙公网安备 33010602011771号