AP8105:采用先进PFM控制架构的高效率、低纹波DC-DC升压转换器 - 详解
重新定义低电压输入应用的功率转换效率
AP8105是深圳市世微半导体有限公司推出的一款高性能脉冲频率调制(PFM) 控制型DC-DC升压转换器。该器件采用独特的BOOST结构设计,专为1-4节干电池供电场景优化,能够在0.8V超低启动电压下正常工作,给出高达89%的转换效率,输出电压精度达到±2.5%,温度漂移低于100ppm/°C。

核心技术特性
1. 先进的PFM控制架构
固定频率300kHz开关频率,优化EMI性能
83%最大占空比,确保低压差条件下的高效转换
智能脉冲调节机制,根据负载动态调整工作状态
2. 精密电压输出系统
输出电压范围:2.5V至5.0V(0.1V步进)
内置修调技术,实现±2.5%输出精度
低温漂参考电压源,保证全温度范围稳定性
3. 多重保护机制
内置过流保护(600-1000mA限流阈值)
7V绝对最大电压额定值
2000V HBM ESD保护
电气性能参数详解
电源管理特性
启动电压:0.8V @ 1mA负载
保持电压:0.6V典型值
静态电流:15μA @ VIN=1.8V, VOUT=3.3V
关断电流:<1μA(EN使能控制)
开关特性
最大开关频率:300kHz
最大占空比:83%
LX端电流能力:1000mA最大值
封装选项与引脚调整
AP8105提供四种封装选择,满足不同应用场景:
SOT23-3:基础版本,最小占板面积
SOT23-5:增加EN使能控制,支持功耗管理
SOT89-3:增强散热能力,适合中功率应用
TO-92:传统直插封装,便于原型开发
典型应用场景
便携式医疗设备
血压计、血糖仪等低功耗设备
利用其低纹波特性保证测量精度
LED照明架构
LED手电筒、头灯等照明设备
支持从单节电池驱动多颗LED
工业传感器节点
无线传感网络中的能量收集系统
超低待机电流延长电池寿命
设计优势分析
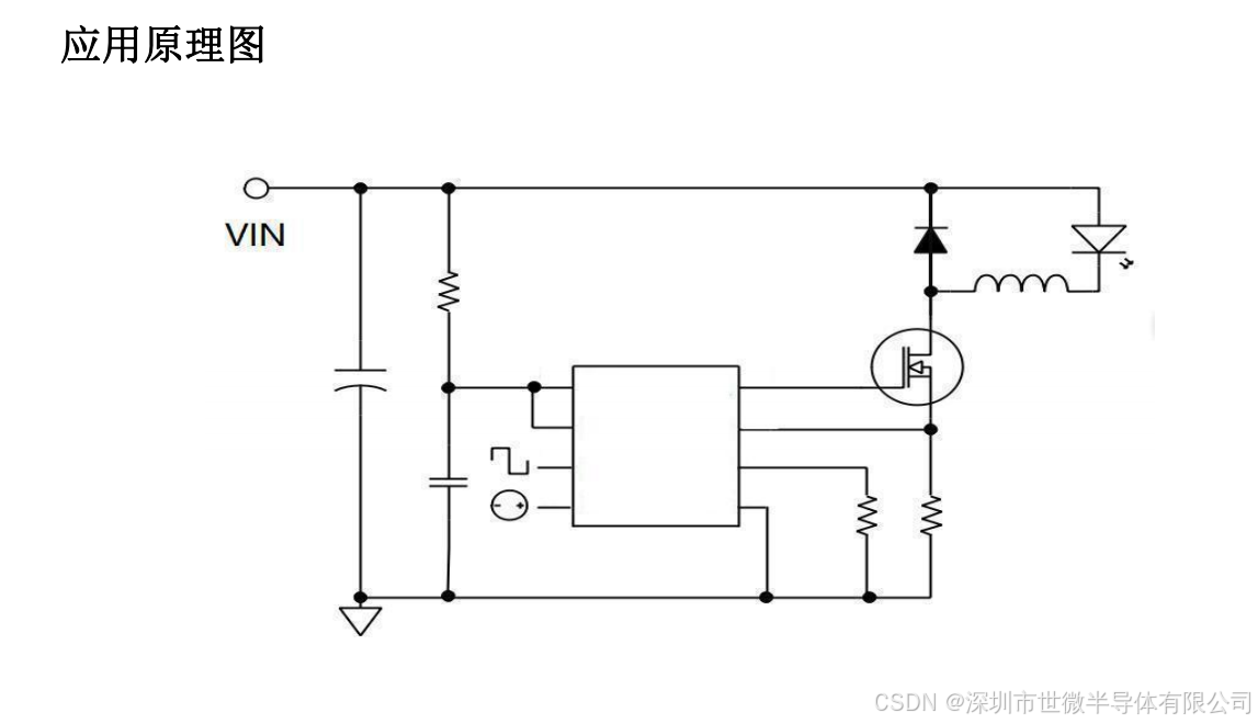
BOM极简:仅需4个外部元件,降低系统成本和PCB面积
高效率曲线:在宽负载范围内保持高效率,特别适合间歇工作模式
低噪声性能:优化的PFM控制策略降低输出纹波和电磁干扰
温度稳定性:精心设计的温度补偿网络保证全温度范围内性能一致
AP8105通过创新的PFM控制架构和精密的模拟设计,为低输入电压应用提供了高效率、低噪声的功率解决方案。其卓越的电气特性、灵活的设计选项和极简的外部元件需求,使其成为电池供电设备的理想选择。无论是消费电子产品还是工业应用,AP8105都能供应可靠、高效的功率转换性能。
浙公网安备 33010602011771号