【转载】EMC 共模电感选型
原文(微信公众号:EEDesign):https://mp.weixin.qq.com/s/H8kvbOG5GrHIu-3UxLdlGA
1、EMI 共模电流的产生机理
-
差分电流产生差模电磁场,使得差分回路面积内的走线产生共模电流;
-
(共模电流/辐射主要源头)工作电流经过单板地,由于地阻抗的存在,形成地上共模电压(地电位差),共模电压驱动端口信号,在线束上形成共模电流;

-
电缆与大地形成的寄生回路,通过磁耦合的方式,感应共模电流;
-
开关电源通过分布参数,如散热器、变压器分布电容,形成共模电流;
-
高速信号/电源平面有高频干扰,相邻层走线会耦合,形成共模干扰。
2、共模电感的工作原理
根据右手螺旋定理,当差模电流流过共模电感线圈时,产生2个相互抵消的磁场;当共模电流流过共模线圈时,产生2个相互增强的磁场,使整个线圈阻抗变高,衰减共模电流。

3、共模感量测量

4、共模电感的绕法
双芯并绕(Bifilar)--对称性高,差模阻抗相对较小

2组线圈分别绕(Sectional)--对称性低,差模阻抗相对较大

5、共模电感参数选型
AC/DC电源类应用
-
共模感量--电源滤波,大的电感值可以获得更好的滤波效果
-
差模漏感--绕制不平衡产生的感量偏差
-
额定电流--工作电流小于额定电路,需考虑温升和降额设计
-
额定电压--正常工作的额定电压值
-
直流电阻--DCR 带来热量损耗,越小越好
-
耐压值--同名绕组线与线之间施加一定的高压,在一段时间内承受的电压值
-
绝缘电阻--绕组与绕组之间的电阻值
差分信号类应用
共模阻抗--对应相应频率的共模信号,大的阻抗可以获得更好的滤波效果
差模阻抗--影响信号传输质量,尽可能接近传输线阻抗;高速数字电路应用时,差模阻抗尽量小,必要时测试眼图/插损


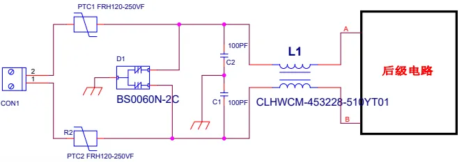
6、共模电感应用
AC110-220V输入EMC参考电路

AC24V输入EMC参考电路

DC12V输入EMC参考电路

CAN接口EMC参考电路

485接口EMC参考电路


浙公网安备 33010602011771号