全桥逆变器的工作原理超简单解读 - 详解
全桥逆变器的工作原理
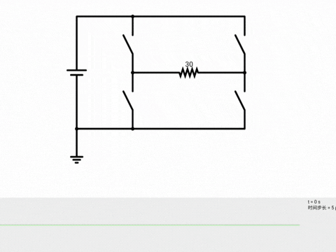
通过在电阻。此时注意开关S1和S4打开时的电流,以及通过负载的路线,然后把这个动作调换一下,把S2和S3打开,并关闭S1和S4。就是逆变器能够将直流电转换为交流电,如图中所示,有四个开关和一个电源,这个电路被称为全桥逆变器,输出则

图中对应开关序列:
S1 S2
S3 S4
很明显,电流经过电阻,以相反的方向流通,这就是产生方波交流电的基本技巧。
可是一般家庭应用的交流电器电频率基本都是50赫兹,这就意味着每秒必须完成100次的闭合。手动或者机械是无法完成的,所以这里需要引入mosfet开关。它们每秒可以打开或关闭数百次方波输出。

方波逆变器的局限性
使用了方波逆变器。就是在以往很长一段时间里得到了广泛的应用。能够回忆一下,在使用某些电器时会听到一些摩擦的声音,那就

方波输出含有高频谐波,导致电器噪音(如“嗡嗡”声)和效率损失。早期电器可能兼容方波,但现代精密设备要求更平滑的正弦波以减少损耗和干扰。
正弦波逆变器的PWM技术
不过现在的很多电器都是应用正弦波逆变器,注意正弦波逆变器的关键技术是PWM脉冲调制技能。它的逻辑很简单,就是以不同宽度的脉冲产生直流电,在需要更大振幅的区域产生更宽的脉冲。
正弦波逆变器采用脉宽调制(PWM)技巧,通过调节脉冲宽度模拟正弦波电压。关键步骤:
- 信号生成:比较正弦波与高频三角波,当正弦波幅值高于三角波时,输出高电平脉冲,反之输出低电平。
- 开关控制:两对比较器分别控制A、B点电压。例如,正半周正弦波控制S1/S2,负半周控制S3/S4,并通过逻辑门避免上下桥臂直通。
- 脉冲精细化:三角波频率越高,生成的PWM脉冲序列越接近理想正弦波。
正弦波的脉冲看起来就像这样,不过现在有个棘手的难题,如果在一小段时间间隔内取这些脉冲的平均值,那会发生什么呢?如图所示,你会发现外冲平均值的形状看起来与正弦曲线非常相似,使用的脉冲越精细,正弦曲线的形状就越好。那么这样的脉冲如何实现呢?

一个正弦波和三角波的信号发生器。就是我们切回刚才的线路板,不同的是多了两个比较器,它
其中一个比较器使用正常的正弦波,另一个则是导正弦波,第一个控制S1和S2,第二个控制S3和S4,S1和S2决定负载电阻左侧的电压电平,另外两个则决定了负载电阻右侧的电压电平。这里可以看到两个比较器,确保了两条路线无法同时打开。

脉冲调制驱动逻辑也比较简单,当正弦波的值大于三角波的值时,比较器产生一个信号,否则信号则为零。根据这个逻辑观察,比较器中电压的变化,控制信号打开了mosfet,产生了电压脉冲。三角波越是精细,脉冲序列就越精准。那么我们如何使其平均呢?
现代应用
高频PWM(如20kHz以上)结合高性能MOSFET和数字控制,可建立高效(>90%)、低谐波失真(<3%)的正弦波逆变,适用于太阳能系统、UPS等场景。

浙公网安备 33010602011771号