3.20日学习笔记
过零检测:对零点进行检验,判断是否进入故障
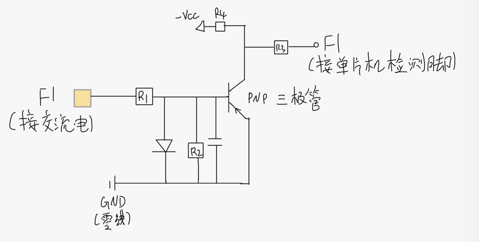
下图中右侧的F1脚需要接到单片机的外部中断上,通过上升沿检测,判断是否发生故障。左侧的F1脚检测220V交流电正弦波的零点(此零点非彼零点,相对值)。
假设R1电阻等于400K,R2电阻等于10K,F1处的电压为V1,因此电阻R1分压值为V1/41,三极管导通电压为0.7V,只需要V1/41>0.7V,也就是V1>28.7V时,三极管导通,此时右侧的F1脚被拉成高电平,也就是出现了上升沿,触发外部中断,判断是否出现故障。由于V1是正弦波交流电,50hz220V,注意使用峰值电压计算(220V是有效值),即220*根号2。计算过程如下,注意考虑到我们需要计算出高电平持续的最短时间,考虑极限情况,市电存在波动,考虑波动下限200v,三极管导通电压为0.7V(具体去查该三极管的手册)

即右侧F1检测脚高电平持续时间为9.084ms,故程序中检测到高电平持续时间应大于9.084ms。
电路图中GND表示零线,-VCC表示相对地
电路图如下图所示

电气图如下图所示

正常工作过程中左侧F1一直接零线,此时N与F1之间无电位差,上图中的三极管不会导通,右侧的F1脚也一直为低电平,外部中断不会触发,继电器X1、X2与F1间有电位差,发热体正常工作,也就是电阻上有大电流流过进行发热。当发生过温保护时,断电限温器和自复位限温器断开,此时应设置自复位限温器的断开要滞后于断电限温器,当只有断电限温器断开时,F1脚与继电器X1(ACL火线)接通,F1和X1之间无电位差,电阻上的电流很小无法发热,但此时N与F1之间有电位差,三极管导通,右侧的F1脚变为高电平,外部中断触发,进入故障检测,若持续时间在9.084ms左右,则判断为限温器故障,当然不能只判断一次,多次的过零检测,若均检测到零点,则判断为限温器故障,一般这个检测时间要小于自复位限温器的滞后时间。当过了滞后时间后,两个限温器均断开,此时F1悬空,与N之间无压差,三极管关闭,因此无法判断故障。

浙公网安备 33010602011771号