会员
众包
新闻
博问
闪存
赞助商
HarmonyOS
Chat2DB
所有博客
当前博客
我的博客
我的园子
账号设置
会员中心
简洁模式
...
退出登录
注册
登录
轩驰
博客园
首页
新随笔
联系
订阅
管理
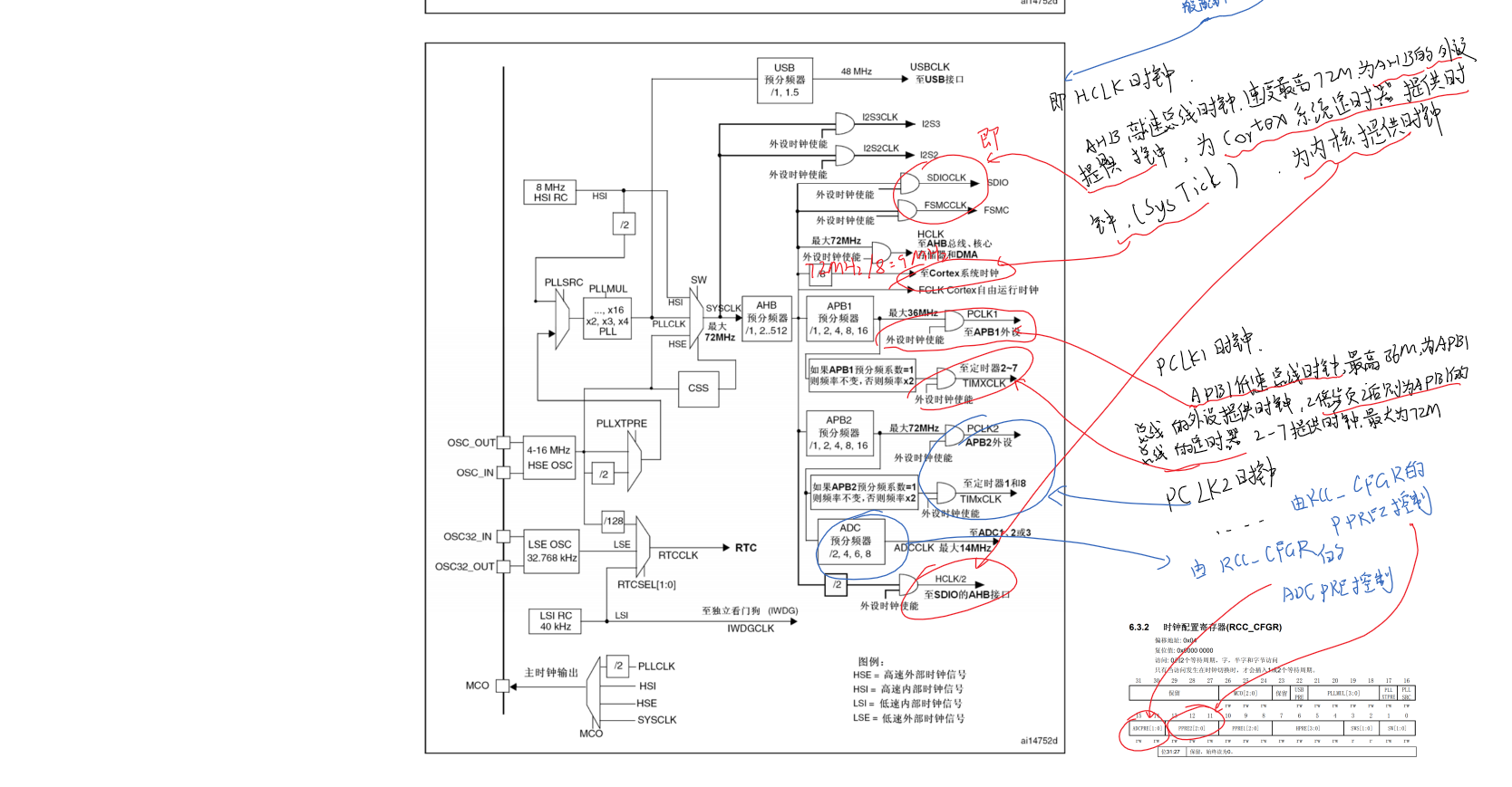
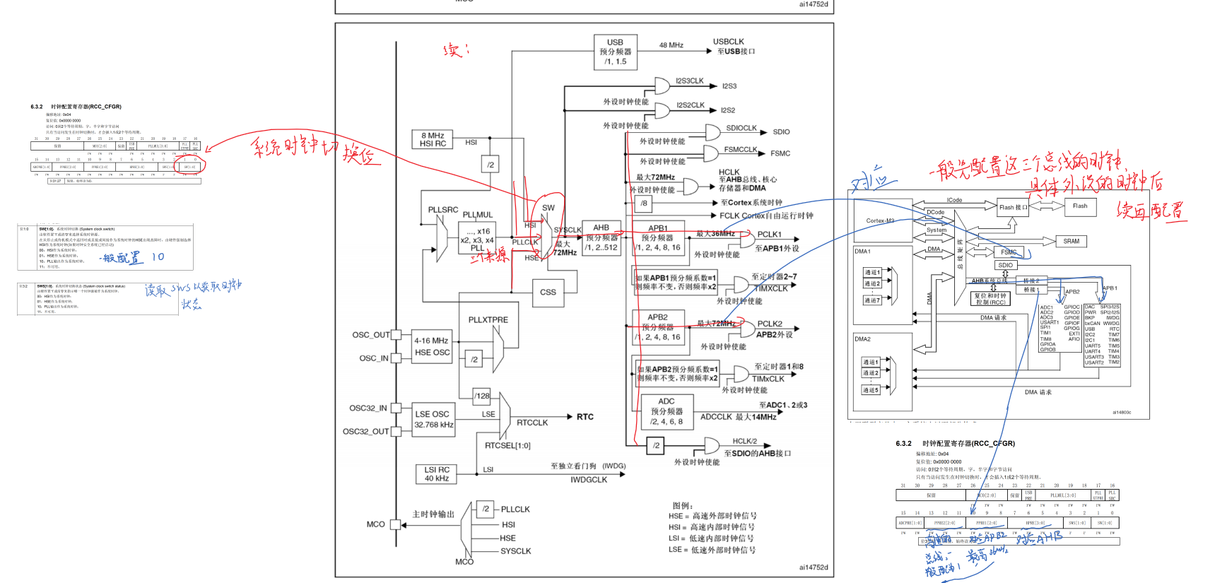
11.RCC时钟树
总结
posted @
2022-10-23 17:27
轩驰
阅读(
28
) 评论(
0
)
收藏
举报
刷新页面
返回顶部
公告