关于屋面检修梯算量案例解析
今天分享一个屋面检修钢爬梯的实际算量案例,以图集15J401、A28页为例。
该钢爬梯由两段梯梁、多个踏棍、两条钢管扶手、4个角钢、4个预埋铁件、小部分C15混凝土组成,如下图:
开始计算(屋顶到屋顶的距离暂定为3.81m,参考自己项目的设计图纸)
1.两段梯梁:
由两条相同的钢板截面尺寸是(-90x10),长度按设计图纸暂定为3.81m;
查找五金工具知两个梯梁重量为:26.918x2=53.836kg。
注:为什么用的是括号内的钢板尺寸,因为图集中说明:“注:括号内尺寸用于梯高3.5~5.1m的钢直梯。”,由于长度暂定3.18m,因此选用括号内尺寸。
2.踏棍:
用的是A20圆钢,长度L=600mm,
则根数:ceil(3.8/0.3)=13根(由于首根踏棍不在首部,最后一根踏棍在尾部因此只需向上取整)
踏棍总重量:0.6x2.47x13=19.266kg(2.47是A20圆钢的理论重量)
3.四个角钢:
查找五金手册可知:L75x50x5角钢理论重量为4.808kg/m,如下图:
两个梯顶角钢:0.184.8082=[0.4808]kg
4.两条钢管:
一条长度:853.142/2+(1050-85)2=2.1969m
两条重量:15.422.5*2=[77.1]kg
5.四个预埋件:
两个5~7[A29]铁件:
I.上铁件(钢板):[M-3a/A32]:29.420.4=[7.536]kg
II.下铁件(钢筋):一条长度:(3.14x15x2x4/5)x2+140=290.72mmx0.001=[0.291]m-->两条重量:0.291x2x0.395=[0.22989]kg
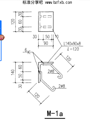
两个1~4[A29]中的M-1a:
查找五金手册可知:L140×90×8的理论重量为14.160kg/m,如下图:
II.下铁件(钢筋):4(50+120+(3.141524/5))=981.44*0.001=[0.9814]kg-->两个重量:0.9814x2=1.9628kg
6.C25混凝土:图示:⑥
体积:0.1x0.3x(0.15+0.6+0.15)=[0.027]m3

浙公网安备 33010602011771号