摘要:
广州星嵌电子科技有限公司是一家专注嵌入式核心板研发、设计和生产的企业。 提供以ARM、DSP、FPGA为核心处理器的工业核心板、开发套件、项目定制服务。 DSP/FPGA/ARM开发板选型手册2023,欢迎下载,敬请参阅! 链接:https://pan.baidu.com/s/1NGTb6JSyEF 阅读全文
广州星嵌电子科技有限公司是一家专注嵌入式核心板研发、设计和生产的企业。 提供以ARM、DSP、FPGA为核心处理器的工业核心板、开发套件、项目定制服务。 DSP/FPGA/ARM开发板选型手册2023,欢迎下载,敬请参阅! 链接:https://pan.baidu.com/s/1NGTb6JSyEF 阅读全文
posted @ 2023-05-04 22:40
Xines广州星嵌
阅读(152)
评论(0)
推荐(0)

Xilinx XC7Z035/45-2FFG676I PL端高速串行接口的千兆以太网UDP例程设计和使用说明
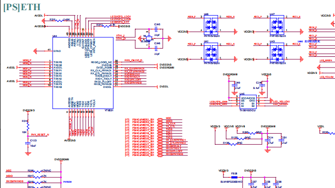
本文介绍了XINES DSP+FPGA异构评估板,其中Xilinx Zynq-7000系列XC7Z035/XC7Z045系列主要特性,资源框图及PS端ETHRJ45接口引脚说明。
TI公司的TMS320C6655/57是不定点/浮点数字信号处理器(DSP),基于KeyStone多核架构,内核速度高达1.25GHz,集成了各种包括C66x内核,存储器子系统,外设和加速器在内的各种可编程子系统,非常适用于高性能可编程应用,如任务关键型,测试与自动化,医疗影像以及基础设施设备等领域。本文介绍了TMS320C6655/57主要特性,框图以及C6657+XC7Z035评估板XQ6657Z35-EVM主要特性,方框图,DSP部分电路图。
浙公网安备 33010602011771号