【模电】0013 反馈放大电路基础
反馈放大电路的基本结构如下图:

即有一个从输出到输入的反馈通路,这种能形成反馈的整个电路称为闭环状态。
图中基本放大电路的增益为A=Xo/Xid;反馈系数为F=Xf/Xo。
1)反馈的分类:
直流反馈与交流反馈:在放大电路中既有直流分量,也有交流分量;在直流通路中起作用时称为直流反馈,同理,作用于交流通路的反馈称为交流反馈。
正反馈与负反馈:反馈信号起作用后使得净输入量减小了,称为负反馈;反之,反馈作用后净输入量增大了,称为正反馈。
串联反馈与并联反馈:在反馈加入输入端时,如果反馈信号与基本放大电路的输入是串联形式(即通过改变电压起作用)称为串联反馈;如果反馈信号与基本放大电路的输入是并联形式(即通过分流起作用)则称为并联反馈。
电压反馈与电流反馈:在输出端,如果取输出电压的一部分作为反馈量送回到输入端,这种形式称为电压反馈;如果取输出电流的一部分作为反馈量送回到输入端,则称为 电流反馈。
注意区分:串、并联反馈是看反馈量加到输入端是串联还是并联;而电压、电流反馈是看从输出端取的是电压还是电流作为反馈量。
2)实例分析
交/直流反馈或是正/负反馈是比较好区分的,这里我们只举几个例子看看如何区分串并联、电压电流反馈。
a)电压串联负反馈
以下图为例:这是比较常见的同相比例放大电路。
首先,看反馈量从哪里取的,反馈量是从Vo上取的电压,通过Rf和R1分压后加到输入端的,所以是电压反馈;
其次,看反馈量是如何加到输入端的,放大器的输入Vid和反馈电压Vf串联后,是整个电路的输入Vi,所以这是串联反馈;
同时,Vo如果有增大趋势时,会使得Vf增大而抑制Vo增大,这是个负反馈电路;
因此,这个电路是电压串联负反馈电路。

b)电压并联负反馈电路
再看一个比较常见的反向比例放大电路:
首先,看反馈量从哪里取的,反馈量是从Vo上取的电压,通过Rf加到输入端的,所以是电压反馈;
其次,看反馈量是如何加到输入端的,反馈量是并联在放大器的输入上的(通过并联分走了输入的部分电流),所以是并联反馈;
同时,Vo如果有增大趋势时,会使得Vn增大而抑制Vo增大,这是个负反馈电路;
因此,这个电路是电压并联负反馈电路。

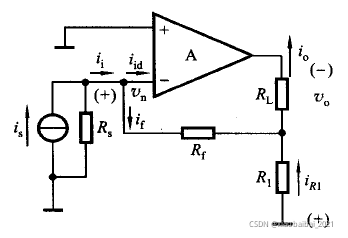
c)电流串联负反馈电路
再看一个压控电流源电路,这个电路可以通过输入电压控制负载RL上的电流。
首先,看反馈量从哪里取的,反馈量是从输出通路的上取的电流io,(虽然是通过反馈网络Rf变成电压量之后加到输入端的,但反馈量仍然是取自电流),所以是电流反馈;
其次,看反馈量是如何加到输入端的,放大器的输入Vid和反馈电压Vf串联后,是整个电路的输入Vi,所以这是串联反馈;
同时,Vo如果有增大趋势时,会使得Vf增大而抑制Vo增大,这是个负反馈电路;
因此,这个电路是电流串联负反馈电路。

c)电流并联负反馈电路
再看如下电路:
首先,看反馈量从哪里取的,反馈量是从输出通路的上取的if(if是输出电流io的一部分),所以是电流反馈;
其次,看反馈量是如何加到输入端的,反馈量是并联在放大器的输入上的(通过并联分走了输入的部分电流),所以是并联反馈;
同时,Vo如果有增大趋势时,会使得Vn增大而抑制Vo增大,这是个负反馈电路;
因此,这个电路是电压并联负反馈电路。

2)负反馈电路的计算
我们再回到本文起始的框图:

由基本框图可以看出:
Xid=Xi-Xf,基本放大电路的增益(开环增益)A=Xo/Xid;
反馈网络的反馈系数F=Xf/Xo;
则由上述几式可以求出,负反馈放大电路的增益(闭环增益)Af:
Af = Xo/Xi = Xo/(Xid+Xf) = Xo/(Xo/A+F*Xo) = A/(1+AF)
由此可以看出,电路的闭环放大倍数Af与(1+AF)有关,通常把(1+AF)称为反馈深度,而AF称为环路增益。
|(1+AF)|>1时,比没有反馈时增益减小,此时为负反馈;|(1+AF)|<1时,比没有反馈时增益增大,此时为正反馈,|(1+AF)|=0时,Af为无穷大,电路会自激动振荡。
当|(1+AF)|>>1时,称为深度负反馈,此时有Af≈1/F,说明在深度负反馈时,闭环增益只取决于反馈系数,而与开环增益无关。
形成深度负反馈的条件一般是开环增益A特别大,比电路中的反馈系数等大出好几个数量级;因此,一般使用运放可以很方便地设计出深度负反馈电路。
对于不同反馈类型的电路,公式中的各参数的含义和量纲是不同的,归纳如下表:

好了,本节反馈电路的基础知识就讲到这里,下一节会讲讲反馈电路的其他一些特性。
欢迎关注公众号,文章同步更新:

浙公网安备 33010602011771号