自动控制原理-经典控制理论
2022/6/8
1. 开环与闭环:

2. 稳定性分析、极点




2022/6/9
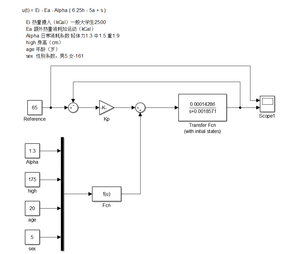
3. 系统分析实例 - 摄入消耗与最终体重


4. 比例控制器:

matlab搭建:

当Kp = 500时:系统能稳定,并且稳态值很接近参考值了,但还有一段稳态误差

当Kp = 40000时,稳态误差很小了,有振荡,只靠比例调节,系数要很大。


当Kp = -13的时候,人都麻了饿死了(10^9)还没收敛:应该就是不收敛的了。

当 Kp = -12 时,能收敛了,时间大概在4w;
并且可以知道,稳定收敛只是达到系统控制器设计要求的基础而已,比如图中的稳态值-2000哈哈,离参考值远多了;
所以系统设计要求有:1.输出能收敛 2.稳态值接近参考值


6. PI控制器
单纯P控制的稳态误差-数学推导:



10. 超前补偿 PD控制器
自己画的matlab,和直觉不太对


7. 根轨迹Part1 - “根”的作用

8. 根轨迹的手绘技巧




9. 根轨迹的分离/汇合点、复数的几何与代数运算
2.5. 含有初始条件的传递函数
10. 超前补偿器 Lead Compensator

|p| > |z|
对于某些系统(如只有极点),改变增益K的值,在K增大到分离点之后,复数的实部不随K
的增大而改变,这意味着我们仅仅通过K是无法改变系统的收敛速度的,只能改变复数的虚部,
即系统的振荡频率。
当我们希望改善系统的收敛速度时,就得改变系统本身的根轨迹
由根角度公式:零点到根的夹角和 - 极点到根的夹角和;可以求出期望点的夹角,
能得到与-180度的差值,最简单可以通过改变公式前项,即零点到根的夹角和;
通过几何方式,增加零点,它与根的夹角度数等于根角度公式求出的差值,这样系统的根轨迹就会经过期望点了。s + a 的零点式子,实际就是PD控制。
单纯的PD有缺点,1.无法通过被动元件实现,要外加能源;2.对高频噪声敏感

这时可以使用超前补偿器,H(s) = s-z / s-p ,即增加一个零点的同时,增加一个极点。
这种补偿器和PD的区别在于,它对于高频信号的响应不是无限的放大,而是有一个极值

结果上来说,是把根轨迹向左拉了,收敛速度更快;滞后应是向右,更慢。
在稳定性和准确性方面,系统的表现又如何呢?
11. 滞后补偿器 Lag Compensator
|z| > |p|







增加的零极点离虚轴的位置会影响系统的瞬态响应:

红线和蓝线都是满足要求的,加了滞后补偿器后的系统输出,但【9 1】组的瞬态响应与原系统(黄线)相差很大,
【0.9 0.1】组的瞬态响应和原系统很接近。
原系统根轨迹:

加【0.9 0.1】组滞后补偿器:

加【9 1】组滞后补偿:

12. PID控制器:

13. 奈奎斯特判据
柯西幅角原理;
开环、闭环极零点关系。
浙公网安备 33010602011771号